0
UCC3808A-1
  • UCC3808A-1
  • UCC3808A-1
  • UCC3808A-1
  • UCC3808A-1
  • UCC3808A-1

UCC3808A-1

ACTIVE

Low power current mode push-pull PWM with discharge transistor, 12.5/8.3V UVLO, 0°C to 70°C

Texas Instruments UCC3808A-1 Product Info

1 April 2026 0

Parameters

Topology

Push pull

Control mode

Current

Features

1 MHz operation, Error amplifier, Integrated gate drivers, Soft start

Duty cycle (max) (%)

49

Package

SOIC (D)-8-29.4 mm² 4.9 x 6

Features

  • Dual-output drive stages in push-pull configuration
  • Current-sense discharge transistor to improve dynamic response
  • 130µA typical starting current
  • 1mA typical run current
  • Operation to 1MHz
  • Internal soft start
  • On-chip error amplifier with 2MHz gain bandwidth product
  • On-chip VDD clamping
  • Output drive stages capable of 500mA peak source current, 1A peak sink current
  • Dual-output drive stages in push-pull configuration
  • Current-sense discharge transistor to improve dynamic response
  • 130µA typical starting current
  • 1mA typical run current
  • Operation to 1MHz
  • Internal soft start
  • On-chip error amplifier with 2MHz gain bandwidth product
  • On-chip VDD clamping
  • Output drive stages capable of 500mA peak source current, 1A peak sink current

Description

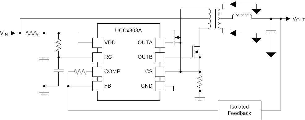
The UCCx808A devices are a family of BiCMOS push-pull, high-speed, low-power, pulse-width modulators. The UCCx808A contain all of the control and drive circuitry required for off-line or DC-to-DC fixed frequency current-mode switching power supplies with minimal external parts count.

The UCCx808A dual-output drive stages are arranged in a push-pull configuration. Both outputs switch at half the oscillator frequency using a toggle flip-flop. The dead time between the two outputs is typically 60ns to 200ns depending on the values of the timing capacitor and resistors, thus limiting each output stage duty cycle to less than 50%.

The UCCx808A family offers a variety of package options, temperature range options, and choice of undervoltage lockout levels. The family has UVLO thresholds and hysteresis options for offline and battery-powered systems.

The UCCx808A are an enhanced version of the UCC3808 family. The significant difference is that the A versions feature an internal discharge transistor from the CS pin to ground, which is activated each clock cycle during the oscillator dead time. The feature discharges any filter capacitance on the CS pin during each cycle, and helps minimize filter capacitor values and current sense delay.

The UCCx808A devices are a family of BiCMOS push-pull, high-speed, low-power, pulse-width modulators. The UCCx808A contain all of the control and drive circuitry required for off-line or DC-to-DC fixed frequency current-mode switching power supplies with minimal external parts count.

The UCCx808A dual-output drive stages are arranged in a push-pull configuration. Both outputs switch at half the oscillator frequency using a toggle flip-flop. The dead time between the two outputs is typically 60ns to 200ns depending on the values of the timing capacitor and resistors, thus limiting each output stage duty cycle to less than 50%.

The UCCx808A family offers a variety of package options, temperature range options, and choice of undervoltage lockout levels. The family has UVLO thresholds and hysteresis options for offline and battery-powered systems.

The UCCx808A are an enhanced version of the UCC3808 family. The significant difference is that the A versions feature an internal discharge transistor from the CS pin to ground, which is activated each clock cycle during the oscillator dead time. The feature discharges any filter capacitance on the CS pin during each cycle, and helps minimize filter capacitor values and current sense delay.

Subscribe to Welllinkchips !
Your Name
* Email
Submit a request