0
LM2936Q-Q1
  • LM2936Q-Q1
  • LM2936Q-Q1
  • LM2936Q-Q1
  • LM2936Q-Q1
  • LM2936Q-Q1
  • LM2936Q-Q1
  • LM2936Q-Q1

LM2936Q-Q1

ACTIVE

Automotive 50-mA, off-battery (60-V), low-dropout voltage regulator with reverse voltage protection

Texas Instruments LM2936Q-Q1 Product Info

1 April 2026 0

Parameters

Rating

Automotive

Vin (max) (V)

60

Vin (min) (V)

5.5

Iout (max) (A)

0.05

Output options

Fixed Output

Vout (max) (V)

5

Vout (min) (V)

3

Fixed output options (V)

3, 3.3, 5

Noise (µVrms)

500

PSRR at 100 KHz (dB)

35

Iq (typ) (mA)

0.015

Features

Reverse voltage protection

Thermal resistance θJA (°C/W)

51

Load capacitance (min) (µF)

10

Regulated outputs (#)

1

Accuracy (%)

4

Dropout voltage (Vdo) (typ) (mV)

200

Operating temperature range (°C)

-40 to 125

Package

SOIC (D)-8-29.4 mm² 4.9 x 6

Features

  • Qualified for Automotive Applications
  • AEC Q100-Qualified With the Following Results
    • Device Temperature Grade 1: –40°C to +125°C Ambient Operating Temperature Range
  • Operating Input Voltage: 5.5 V to 40 V
  • Ultralow Quiescent Current (IQ ≤ 15 μA for IOUT = 100 μA)
  • Fixed 3-V, 3.3-V or 5-V With 50-mA Output
  • ±2% Initial Output Tolerance
  • ±3% Output Tolerance Over Line, Load, and Temperature
  • Dropout Voltage Typically 200 mV at IOUT = 50 mA
  • Reverse Battery Protection
  • –50-V Input Transient Protection
  • Internal Short Circuit Current Limit
  • Internal Thermal Shutdown Protection
  • 40-V Operating Voltage Limit
  • Shutdown Pin Available with LM2936QBM Package
  • Qualified for Automotive Applications
  • AEC Q100-Qualified With the Following Results
    • Device Temperature Grade 1: –40°C to +125°C Ambient Operating Temperature Range
  • Operating Input Voltage: 5.5 V to 40 V
  • Ultralow Quiescent Current (IQ ≤ 15 μA for IOUT = 100 μA)
  • Fixed 3-V, 3.3-V or 5-V With 50-mA Output
  • ±2% Initial Output Tolerance
  • ±3% Output Tolerance Over Line, Load, and Temperature
  • Dropout Voltage Typically 200 mV at IOUT = 50 mA
  • Reverse Battery Protection
  • –50-V Input Transient Protection
  • Internal Short Circuit Current Limit
  • Internal Thermal Shutdown Protection
  • 40-V Operating Voltage Limit
  • Shutdown Pin Available with LM2936QBM Package

Description

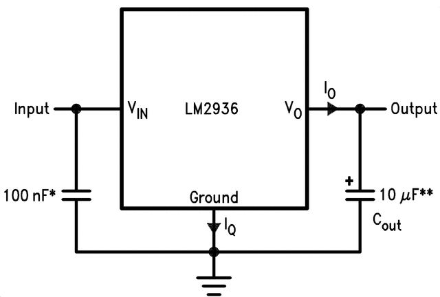
The LM2936Q ultralow quiescent-current regulator features low dropout voltage and low current in the standby mode. With less than 15-μA quiescent current at a 100-μA load, the LM2936Q is ideally suited for automotive and other battery-operated systems. The LM2936Q retains all of the features that are common to low-dropout regulators including a low dropout PNP pass device, short-circuit protection, reverse battery protection, and thermal shutdown. The LM2936Q has a 40-V maximum operating voltage limit, a −40°C to +125°C operating temperature range, and ±3% output voltage tolerance over the entire output current, input voltage, and temperature range. The LM2936Q is available in
8-pin SOIC and VSSOP packages, a 4-pin SOT–223 package, as well as a 3-pin TO-252 surface mount package.

For all available packages, see the orderable addendum at the end of the data sheet.

The LM2936Q ultralow quiescent-current regulator features low dropout voltage and low current in the standby mode. With less than 15-μA quiescent current at a 100-μA load, the LM2936Q is ideally suited for automotive and other battery-operated systems. The LM2936Q retains all of the features that are common to low-dropout regulators including a low dropout PNP pass device, short-circuit protection, reverse battery protection, and thermal shutdown. The LM2936Q has a 40-V maximum operating voltage limit, a −40°C to +125°C operating temperature range, and ±3% output voltage tolerance over the entire output current, input voltage, and temperature range. The LM2936Q is available in
8-pin SOIC and VSSOP packages, a 4-pin SOT–223 package, as well as a 3-pin TO-252 surface mount package.

For all available packages, see the orderable addendum at the end of the data sheet.

Subscribe to Welllinkchips !
Your Name
* Email
Submit a request