0
UCC27518
  • UCC27518
  • UCC27518

UCC27518

ACTIVE

Automotive 4-A/4-A single-channel gate driver with 5-V UVLO, enable

Texas Instruments UCC27518 Product Info

1 April 2026 0

Parameters

Number of channels

1

Power switch

GaNFET, IGBT, MOSFET

Peak output current (A)

4

Input supply voltage (min) (V)

4.5

Input supply voltage (max) (V)

18

Features

Enable pin

Operating temperature range (°C)

-40 to 140

Rise time (ns)

8

Fall time (ns)

7

Propagation delay time (µs)

0.017

Input threshold

CMOS

Channel input logic

Inverting

Input negative voltage (V)

0

Rating

Catalog

Undervoltage lockout (typ) (V)

4

Driver configuration

Inverting

Package

SOT-23 (DBV)-5-8.12 mm² 2.9 x 2.8

Features

  • Low-Cost, Gate-Driver Device Offering Superior
    Replacement of NPN and PNP Discrete Solutions
  • Pin-to-Pin Compatible With TI’s TPS2828 and
    TPS2829 devices
  • 4-A Peak Source and 4-A Peak Sink Symmetrical Drive
  • Fast Propagation Delays (17-ns Typical)
  • Fast Rise and Fall Times (8-ns and 7-ns Typical)
  • 4.5-V to 18-V Single Supply Range
  • Outputs Held Low During VDD UVLO (Ensures Glitch-
    Free Operation at Power Up and Power Down)
  • CMOS Input Logic Threshold (Function of Supply
    Voltage With Hysteresis)
  • Hysteretic Logic Thresholds for High Noise
    Immunity
  • EN Pin for Enable Function (Allowed to Be No
    Connect)
  • Output Held Low when Input Pins are Floating
  • Input Pin Absolute Maximum Voltage Levels Not
    Restricted by VDD Pin Bias Supply Voltage
  • Operating Temperature Range of –40°C
    to 140°C
  • 5-Pin DBV Package (SOT-23)
  • Low-Cost, Gate-Driver Device Offering Superior
    Replacement of NPN and PNP Discrete Solutions
  • Pin-to-Pin Compatible With TI’s TPS2828 and
    TPS2829 devices
  • 4-A Peak Source and 4-A Peak Sink Symmetrical Drive
  • Fast Propagation Delays (17-ns Typical)
  • Fast Rise and Fall Times (8-ns and 7-ns Typical)
  • 4.5-V to 18-V Single Supply Range
  • Outputs Held Low During VDD UVLO (Ensures Glitch-
    Free Operation at Power Up and Power Down)
  • CMOS Input Logic Threshold (Function of Supply
    Voltage With Hysteresis)
  • Hysteretic Logic Thresholds for High Noise
    Immunity
  • EN Pin for Enable Function (Allowed to Be No
    Connect)
  • Output Held Low when Input Pins are Floating
  • Input Pin Absolute Maximum Voltage Levels Not
    Restricted by VDD Pin Bias Supply Voltage
  • Operating Temperature Range of –40°C
    to 140°C
  • 5-Pin DBV Package (SOT-23)

Description

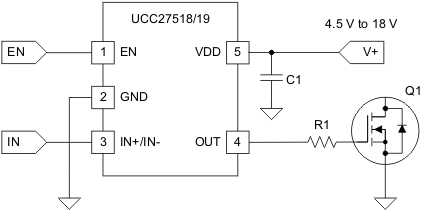
The UCC27518 and UCC27519 single-channel, high-speed, low-side gate driver device can effectively drive MOSFET and IGBT power switches. Using a design that inherently minimizes shoot-through current, UCC27518 and UCC27519 can source and sink high, peak-current pulses into capacitive loads offering rail-to-rail drive capability and extremely small propagation delay typically 17 ns.

The UCC27518 and UCC27519 provide 4-A source, 4-A sink (symmetrical drive) peak-drive current capability at VDD = 12 V.

The UCC27518 and UCC27519 are designed to operate over a wide VDD range of 4.5 V to 18 V and a wide temperature range of –40°C to 140°C. Internal under voltage lockout (UVLO) circuitry on the VDD pin holds output low outside VDD operating range. The capability to operate at low voltage levels such as below 5 V, along with best-in-class switching characteristics, is especially suited for driving emerging wide band-gap power switching devices such as GaN power semiconductor devices.

The input pin threshold of the UCC27518 and UCC27519 are based on CMOS logic where the threshold voltage is a function of the VDD supply voltage. Typically Input High Threshold (VIN-H) is 55% VDD and Input Low Threshold (VIN-L) is 39% VDD. Wide hysteresis (16% VDD typically) between the high and low thresholds offers excellent noise immunity and lets users introduce delays using RC circuits between the input PWM signal and the INx pin of the device.

The UCC27518 and UCC27519 also feature a floatable enable function on the EN pin. The EN pin can be left in a no connect condition, which allows pin-to-pin compatibility between the UCC27518, UCC27519 and the TPS2828, TPS2829, respectively. The thresholds of the EN pin is a fixed voltage threshold and does not vary based on VDD pin bias voltage. Typically, the Enable High Threshold (VEN-H) is 2.1 V and Enable Low Threshold (VEN-L) is 1.25 V.

The UCC27518 and UCC27519 single-channel, high-speed, low-side gate driver device can effectively drive MOSFET and IGBT power switches. Using a design that inherently minimizes shoot-through current, UCC27518 and UCC27519 can source and sink high, peak-current pulses into capacitive loads offering rail-to-rail drive capability and extremely small propagation delay typically 17 ns.

The UCC27518 and UCC27519 provide 4-A source, 4-A sink (symmetrical drive) peak-drive current capability at VDD = 12 V.

The UCC27518 and UCC27519 are designed to operate over a wide VDD range of 4.5 V to 18 V and a wide temperature range of –40°C to 140°C. Internal under voltage lockout (UVLO) circuitry on the VDD pin holds output low outside VDD operating range. The capability to operate at low voltage levels such as below 5 V, along with best-in-class switching characteristics, is especially suited for driving emerging wide band-gap power switching devices such as GaN power semiconductor devices.

The input pin threshold of the UCC27518 and UCC27519 are based on CMOS logic where the threshold voltage is a function of the VDD supply voltage. Typically Input High Threshold (VIN-H) is 55% VDD and Input Low Threshold (VIN-L) is 39% VDD. Wide hysteresis (16% VDD typically) between the high and low thresholds offers excellent noise immunity and lets users introduce delays using RC circuits between the input PWM signal and the INx pin of the device.

The UCC27518 and UCC27519 also feature a floatable enable function on the EN pin. The EN pin can be left in a no connect condition, which allows pin-to-pin compatibility between the UCC27518, UCC27519 and the TPS2828, TPS2829, respectively. The thresholds of the EN pin is a fixed voltage threshold and does not vary based on VDD pin bias voltage. Typically, the Enable High Threshold (VEN-H) is 2.1 V and Enable Low Threshold (VEN-L) is 1.25 V.

Subscribe to Welllinkchips !
Your Name
* Email
Submit a request