0
TUSS4470
  • TUSS4470
  • TUSS4470

TUSS4470

ACTIVE

Direct drive ultrasonic sensor IC with logarithmic amplifier

Texas Instruments TUSS4470 Product Info

1 April 2026 0

Parameters

Type

Analog front-end (AFE)

Features

Direct drive

Gain (min) (dB)

19

Gain (max) (dB)

113

Number of input channels

1

Supply voltage (min) (V)

5

Supply voltage (max) (V)

36

Operating temperature range (°C)

-25 to 105

Interface type

SPI

Rating

Catalog

Package

WQFN (RTJ)-20-16 mm² 4 x 4

Features

  • Integrated driver for directly driving transducers and receiver stage with analog output for ultrasound applications
  • 86-dB input dynamic range analog front-end
    • First stage low noise amplifier adjustable to 10, 12.5, 15 and 20 V/V
    • Configurable bandpass filter from 40 KHz to 500 KHz
    • Wide-band logarithmic amplifier
  • Supported transducer frequencies (controlled by external clock)
    • 40 KHz to 1 MHz
    • Pre-driver mode: 40 KHz to 440 KHz
  • For low-power applications
    • Standby mode: 1.7 mA (typical)
    • Sleep mode: 220 µA (typical)
  • Configurable drive stage:
    • Direct drive using internal H-Bridge for transducer excitation
    • Pre-driver configuration to use internal H-bridge to drive external Field Effect Transistors (FETs) for higher current drive
    • Configurable burst patterns using IO1 and IO2 pins
  • Outputs:
    • Voltage output of the demodulated echo envelope on VOUT
    • Input signal zero crossing comparator output on OUT3 pin
    • Programmable VOUT threshold crossing on OUT4 pin
  • Serial Peripheral Interface (SPI) for configuration by microcontroller (MCU)
  • Integrated driver for directly driving transducers and receiver stage with analog output for ultrasound applications
  • 86-dB input dynamic range analog front-end
    • First stage low noise amplifier adjustable to 10, 12.5, 15 and 20 V/V
    • Configurable bandpass filter from 40 KHz to 500 KHz
    • Wide-band logarithmic amplifier
  • Supported transducer frequencies (controlled by external clock)
    • 40 KHz to 1 MHz
    • Pre-driver mode: 40 KHz to 440 KHz
  • For low-power applications
    • Standby mode: 1.7 mA (typical)
    • Sleep mode: 220 µA (typical)
  • Configurable drive stage:
    • Direct drive using internal H-Bridge for transducer excitation
    • Pre-driver configuration to use internal H-bridge to drive external Field Effect Transistors (FETs) for higher current drive
    • Configurable burst patterns using IO1 and IO2 pins
  • Outputs:
    • Voltage output of the demodulated echo envelope on VOUT
    • Input signal zero crossing comparator output on OUT3 pin
    • Programmable VOUT threshold crossing on OUT4 pin
  • Serial Peripheral Interface (SPI) for configuration by microcontroller (MCU)

Description

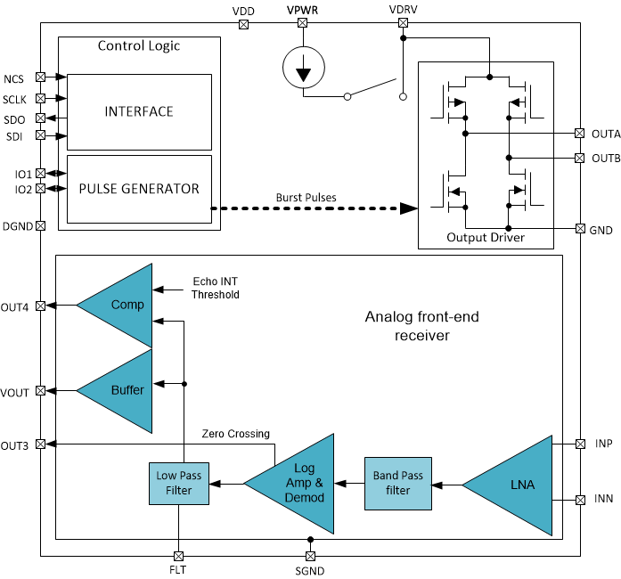
The TUSS4470 is a highly integrated direct drive analog front end for industrial ultrasonic applications. The transducer drive stage is an internal H-bridge that can be configured to drive the transducer in direct-drive mode to achieve maximum voltage across the transducer. The internal H-bridge can also be configured as a pre-driver for external FETs, enabling higher current and voltage drive for larger transducers.

The receive signal path includes a low-noise linear amplifier, a bandpass filter, followed by a logarithmic gain amplifier for input dependent amplification. The logarithmic amplifier allows for high sensitivity for weak echo signals and offers excellent input dynamic range over full range of reflected echoes.

The drivers can be controlled directly through the microcontroller for complete customization of the burst signal, or can be programmed through SPI with a customizable burst length. The TUSS4470 can support a single transducer to send and receive burst signals, or can set up two transducers to split the send and receive functions.

The TUSS4470 is a highly integrated direct drive analog front end for industrial ultrasonic applications. The transducer drive stage is an internal H-bridge that can be configured to drive the transducer in direct-drive mode to achieve maximum voltage across the transducer. The internal H-bridge can also be configured as a pre-driver for external FETs, enabling higher current and voltage drive for larger transducers.

The receive signal path includes a low-noise linear amplifier, a bandpass filter, followed by a logarithmic gain amplifier for input dependent amplification. The logarithmic amplifier allows for high sensitivity for weak echo signals and offers excellent input dynamic range over full range of reflected echoes.

The drivers can be controlled directly through the microcontroller for complete customization of the burst signal, or can be programmed through SPI with a customizable burst length. The TUSS4470 can support a single transducer to send and receive burst signals, or can set up two transducers to split the send and receive functions.

Subscribe to Welllinkchips !
Your Name
* Email
Submit a request