0
TUSB422
  • TUSB422
  • TUSB422

TUSB422

ACTIVE

USB PD TCPCi Port Controller

Texas Instruments TUSB422 Product Info

1 April 2026 0

Parameters

Function

Type-C

USB speed (Mbps)

10000

Type

PD controller

Supply voltage (V)

2.7, 5

Rating

Catalog

Operating temperature range (°C)

-40 to 85

Package

DSBGA (YFP)-9-1.68 mm² 1.4 x 1.2

Features

  • Supports USB Type-C™ 1.2 and Power Delivery (PD) Specifications
  • USB PD Phy with I2C Interface (TCPCi) Supporting:
    • 5 — 24 V Power Sourcing and Sinking
    • 2.5 Watt VCONN switch
    • Alt Mode Negotiations
  • Optimized for Portable Applications with Autonomous Dual Role Port (DRP) Support
  • Software Configurable as Dedicated Host, Dedicated Device, or Dual-Role
    • DFP, UFP and DRP
    • Attach/Detach of USB port
    • Cable Orientation Detection
    • Current Mode Advertisement and Detection
    • Debug and Audio Accessory Support
    • Active Cable Detection
    • VCONN for Active Cable
  • Dead Battery Support
  • Integrated over-temperature sensing diode (OTSD)
  • VBUS Detect and Discharge Control
  • VDD Supply Voltage: 2.7 V — 5.5 V
  • Low Current Consumption
  • Industrial Temperature Range of –40°C to 85°C
  • Supports USB Type-C™ 1.2 and Power Delivery (PD) Specifications
  • USB PD Phy with I2C Interface (TCPCi) Supporting:
    • 5 — 24 V Power Sourcing and Sinking
    • 2.5 Watt VCONN switch
    • Alt Mode Negotiations
  • Optimized for Portable Applications with Autonomous Dual Role Port (DRP) Support
  • Software Configurable as Dedicated Host, Dedicated Device, or Dual-Role
    • DFP, UFP and DRP
    • Attach/Detach of USB port
    • Cable Orientation Detection
    • Current Mode Advertisement and Detection
    • Debug and Audio Accessory Support
    • Active Cable Detection
    • VCONN for Active Cable
  • Dead Battery Support
  • Integrated over-temperature sensing diode (OTSD)
  • VBUS Detect and Discharge Control
  • VDD Supply Voltage: 2.7 V — 5.5 V
  • Low Current Consumption
  • Industrial Temperature Range of –40°C to 85°C

Description

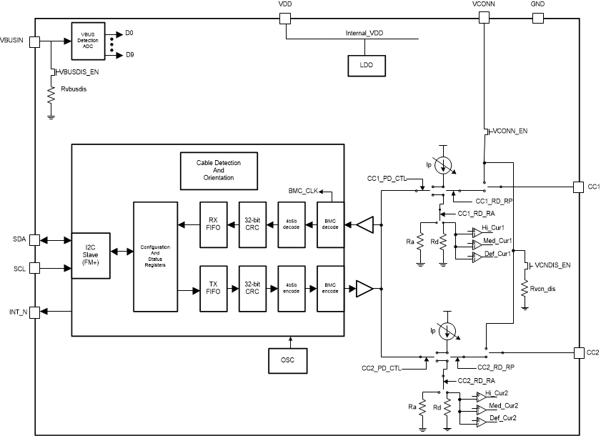
TUSB422 is a USB PD PHY that enables a USB
Type-C port with the Configuration Channel (CC) logic needed for USB Type-C ecosystems. It integrates the physical layer of the USB BMC power delivery (PD) protocol to allow up to 100-W of power and support for alternate mode interfaces. An external microprocessor, containing USB Type-C Port Manager (TCPM), communicates with the TUSB422 through an I2C interface.

Under control of the TCPM, TUSB422 uses the CC pins to determine port attach/detach, cable orientation, role detection, and port control for USB Type-C current mode. The TUSB422 can be configured as DFP, UFP, or DRP, depending on the application. The TUSB422 implements VBUS detection and discharge for the implementation of a compliant USB Type-C port.

The TUSB422 integrates 2.5 Watt switch to provide VCONN power for an active cable. The device also provides VCONN discharge function. The TUSB422 also supports USB Type-C optional features such as audio and debug accessory.

The device operates over a wide supply-range and has low power consumption. The TUSB422 is available in industrial temperature ranges.

TUSB422 is a USB PD PHY that enables a USB
Type-C port with the Configuration Channel (CC) logic needed for USB Type-C ecosystems. It integrates the physical layer of the USB BMC power delivery (PD) protocol to allow up to 100-W of power and support for alternate mode interfaces. An external microprocessor, containing USB Type-C Port Manager (TCPM), communicates with the TUSB422 through an I2C interface.

Under control of the TCPM, TUSB422 uses the CC pins to determine port attach/detach, cable orientation, role detection, and port control for USB Type-C current mode. The TUSB422 can be configured as DFP, UFP, or DRP, depending on the application. The TUSB422 implements VBUS detection and discharge for the implementation of a compliant USB Type-C port.

The TUSB422 integrates 2.5 Watt switch to provide VCONN power for an active cable. The device also provides VCONN discharge function. The TUSB422 also supports USB Type-C optional features such as audio and debug accessory.

The device operates over a wide supply-range and has low power consumption. The TUSB422 is available in industrial temperature ranges.

Subscribe to Welllinkchips !
Your Name
* Email
Submit a request