0
TPS24751
  • TPS24751
  • TPS24751

TPS24751

ACTIVE

2.5-V to 18-V, 3mΩ, 0.01-12A eFuse with driver for external blocking FET

Texas Instruments TPS24751 Product Info

1 April 2026 0

Parameters

Vabsmax_cont (V)

30

Vin (max) (V)

18

Vin (min) (V)

2.5

Current limit (max) (A)

12

Current limit (min) (A)

0.01

Features

Adjustable OVLO, Adjustable current limit, Adjustable soft start, Current monitoring, Fault output, Power good signal, Reverse current blocking when off, Short-circuit protection, Thermal shutdown, adjustable UVLO

Overcurrent response

Circuit breaker, Current limiting

Fault response

Auto-retry

Ron (typ) (mΩ)

3

Overvoltage response

Cut-off

Rating

Catalog

Soft start

Adjustable

Quiescent current (Iq) (typ) (A)

0.001

Quiescent current (Iq) (max) (A)

0.0014

Device type

eFuses and hot swap controllers

Operating temperature range (°C)

-40 to 85

Package

VQFN (RUV)-36-24.5 mm² 7 x 3.5

Features

  • 2.5 V to 18 V Bus Operation
  • Continuous Current up to 12 A
  • Integrated MOSFET with RDS(on) of 3 mΩ (Typical)
  • Programmable Current Limit
  • Programmable FET SOA Protection
  • High ILimit Accuracy from 10 mA to 12 A
  • Programmable Fault Timer
  • Fast Breaker for Short-Circuit Protection
  • Programmable VOUT Slew Rate, UV and OV
  • Power-Good and Fault Outputs
  • Analog Load Current Monitor
  • Thermal Shutdown
  • UL 2367 Recognized – File No. E339631
  • 2.5 V to 18 V Bus Operation
  • Continuous Current up to 12 A
  • Integrated MOSFET with RDS(on) of 3 mΩ (Typical)
  • Programmable Current Limit
  • Programmable FET SOA Protection
  • High ILimit Accuracy from 10 mA to 12 A
  • Programmable Fault Timer
  • Fast Breaker for Short-Circuit Protection
  • Programmable VOUT Slew Rate, UV and OV
  • Power-Good and Fault Outputs
  • Analog Load Current Monitor
  • Thermal Shutdown
  • UL 2367 Recognized – File No. E339631

Description

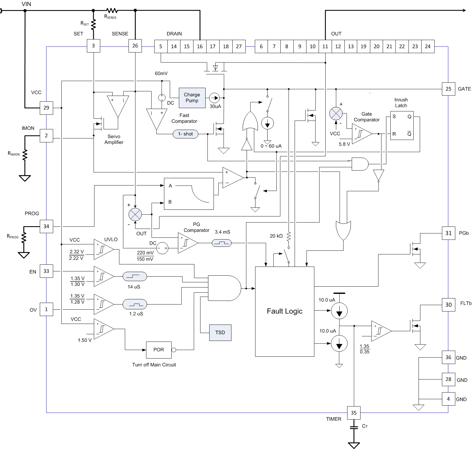
The TPS2475x provide highly integrated load protection for 2.5 V to 18 V applications. The devices integrate a hot swap controller and a power MOSFET in a single package for small form factor applications. These devices protect source, load and internal MOSFET from potentially damaging events. During startup, load current and MOSFET power dissipation are limited to user-selected values. After startup, currents above the user-selected limit will be allowed to flow until programmed timeout – except in extreme overload events when load is immediately disconnected from source.

Programmable FET SOA protection ensures the internal MOSFET operates within its safe operating area (SOA) at all times and the load starts up at a defined ramp rate. This enhances the internal MOSFET performance while improving system reliability. Power good, Fault, and current monitor outputs are provided for system status monitoring and downstream load control.

The devices are available in a 36-pin, 7-mm × 3.5-mm, QFN (RUV) package and fully specified over the –40°C to +125°C operating junction temperature.

The TPS2475x provide highly integrated load protection for 2.5 V to 18 V applications. The devices integrate a hot swap controller and a power MOSFET in a single package for small form factor applications. These devices protect source, load and internal MOSFET from potentially damaging events. During startup, load current and MOSFET power dissipation are limited to user-selected values. After startup, currents above the user-selected limit will be allowed to flow until programmed timeout – except in extreme overload events when load is immediately disconnected from source.

Programmable FET SOA protection ensures the internal MOSFET operates within its safe operating area (SOA) at all times and the load starts up at a defined ramp rate. This enhances the internal MOSFET performance while improving system reliability. Power good, Fault, and current monitor outputs are provided for system status monitoring and downstream load control.

The devices are available in a 36-pin, 7-mm × 3.5-mm, QFN (RUV) package and fully specified over the –40°C to +125°C operating junction temperature.

Subscribe to Welllinkchips !
Your Name
* Email
Submit a request