0
TPS65301-Q1
  • TPS65301-Q1
  • TPS65301-Q1

TPS65301-Q1

ACTIVE

Automotive 5.6V to 40V, 1.2A Buck Converter with 3 LDOs and Protected Sensor Supply

Texas Instruments TPS65301-Q1 Product Info

1 April 2026 0

Parameters

Processor supplier

Texas Instruments

Processor name

C2000, Hercules TMS570

Product type

Microcontrollers

Regulated outputs (#)

4

Step-down DC/DC converter

1

Step-up DC/DC converter

0

LDO

3

Vin (min) (V)

5.6

Vin (max) (V)

40

Vout (min) (V)

1.2

Vout (max) (V)

5.7

Iout (max) (A)

1.2

Features

Enable, Overcurrent protection, Thermal shutdown

Rating

Automotive

Operating temperature range (°C)

-40 to 125

Step-down DC/DC controller

0

Step-up DC/DC controller

0

Iq (typ) (mA)

5.57

Switching frequency (max) (kHz)

3000

Shutdown current (ISD) (typ) (µA)

2.2

Package

HTSSOP (PWP)-24-49.92 mm² 7.8 x 6.4

Features

  • Qualified for Automotive Applications
  • AEC-Q100 Qualified with the Following Results
    • Device Temperature Grade 1: –40°C to 125°C Ambient Operating Temperature Range
    • Device HBM ESD Classification Level H2
    • Device CDM ESD Classification Level C4B
  • Input VIN Range 5.6 V to 40 V, With Transients up to 45 V
  • 5.45-V Switch-Mode Regulator With Integrated High-Side Switch
    • Recommended Switch-Mode Frequency Range 2 MHz to 3 MHz
    • Overcurrent Protection and 1.2-A Peak Switch Current
  • One Linear Regulator 5 V ±2%
  • Two Linear Regulator Controllers With 3.3-V and 1.2 V ±2%
  • Status Indicator Output of IGN_EN Input
  • Soft Start on IGN_EN and EN
  • External Clock Input for Synchronization
  • Programmable Power-On-Reset Delay, Reset-Function Filter Timer for Fast Negative Transients
  • Voltage Supervisor for the Following Supplies
    • VREG, 3.3 V, 1.2 V
  • Thermally Enhanced 24-Pin HTSSOP or 24-Pin VQFN Package
  • Protected 5-V Sensor Supply Output, Which Tracks 3.3-V Supply

All trademarks are the property of their respective owners.

  • Qualified for Automotive Applications
  • AEC-Q100 Qualified with the Following Results
    • Device Temperature Grade 1: –40°C to 125°C Ambient Operating Temperature Range
    • Device HBM ESD Classification Level H2
    • Device CDM ESD Classification Level C4B
  • Input VIN Range 5.6 V to 40 V, With Transients up to 45 V
  • 5.45-V Switch-Mode Regulator With Integrated High-Side Switch
    • Recommended Switch-Mode Frequency Range 2 MHz to 3 MHz
    • Overcurrent Protection and 1.2-A Peak Switch Current
  • One Linear Regulator 5 V ±2%
  • Two Linear Regulator Controllers With 3.3-V and 1.2 V ±2%
  • Status Indicator Output of IGN_EN Input
  • Soft Start on IGN_EN and EN
  • External Clock Input for Synchronization
  • Programmable Power-On-Reset Delay, Reset-Function Filter Timer for Fast Negative Transients
  • Voltage Supervisor for the Following Supplies
    • VREG, 3.3 V, 1.2 V
  • Thermally Enhanced 24-Pin HTSSOP or 24-Pin VQFN Package
  • Protected 5-V Sensor Supply Output, Which Tracks 3.3-V Supply

All trademarks are the property of their respective owners.

Description

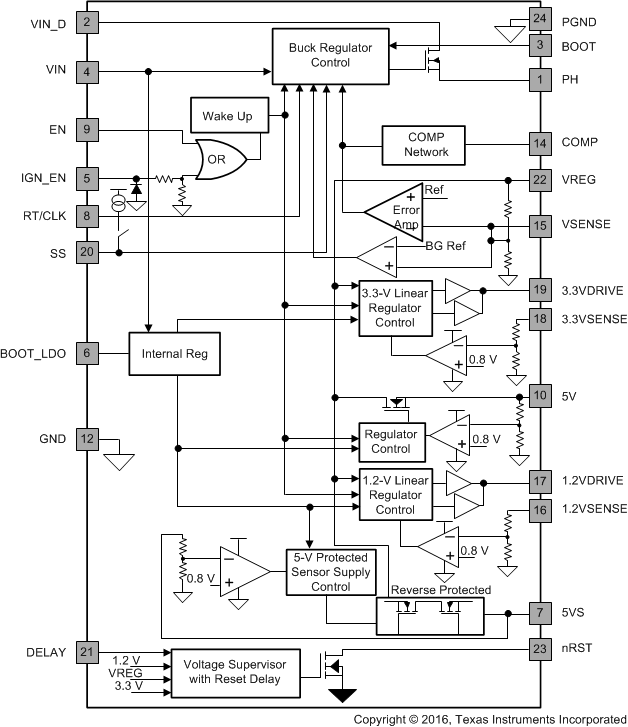
The TPS65301-Q1 power supply is a combination of a single switch-mode buck power supply and three linear regulators. This is a monolithic high-voltage switching regulator with an integrated 1.2-A peak current switch, 45-V power MOSFET, one low-voltage linear regulator, two voltage-regulator controllers and a protected sensor supply.

The device has a voltage supervisor which monitors the output of the switch-mode power supply, the 3.3-V linear regulator, and the 1.2-V linear regulator. An external timing capacitor is used to set the power-on delay and the release of the reset output nRST. This reset output is also used to indicate if the switch-mode supply, the 3.3-V linear regulator supply, or the 1.2-V linear regulator supply is outside the set limits. The protected sensor supply 5VS tracks the 3.3-V linear regulator within the specified limits.

The TPS65301-Q1 device has a switching frequency range from 2 MHz to 3 MHz, allowing the use of low-profile inductors and low-value input and output ceramic capacitors. External loop compensation gives the user the flexibility to optimize the converter response for the appropriate operating conditions.

This device has built-in protection features such as soft start on IGN_EN ON or enables cycle, pulse-by-pulse current limit, thermal sensing, and shutdown due to excessive power dissipation.

For all available packages, see the orderable addendum at the end of the data sheet.

The TPS65301-Q1 power supply is a combination of a single switch-mode buck power supply and three linear regulators. This is a monolithic high-voltage switching regulator with an integrated 1.2-A peak current switch, 45-V power MOSFET, one low-voltage linear regulator, two voltage-regulator controllers and a protected sensor supply.

The device has a voltage supervisor which monitors the output of the switch-mode power supply, the 3.3-V linear regulator, and the 1.2-V linear regulator. An external timing capacitor is used to set the power-on delay and the release of the reset output nRST. This reset output is also used to indicate if the switch-mode supply, the 3.3-V linear regulator supply, or the 1.2-V linear regulator supply is outside the set limits. The protected sensor supply 5VS tracks the 3.3-V linear regulator within the specified limits.

The TPS65301-Q1 device has a switching frequency range from 2 MHz to 3 MHz, allowing the use of low-profile inductors and low-value input and output ceramic capacitors. External loop compensation gives the user the flexibility to optimize the converter response for the appropriate operating conditions.

This device has built-in protection features such as soft start on IGN_EN ON or enables cycle, pulse-by-pulse current limit, thermal sensing, and shutdown due to excessive power dissipation.

For all available packages, see the orderable addendum at the end of the data sheet.

Subscribe to Welllinkchips !
Your Name
* Email
Submit a request