0
LM5036
  • LM5036
  • LM5036

LM5036

ACTIVE

Half-bridge PWM controller with integrated auxiliary bias supply and regulated pre-biased start-up

Texas Instruments LM5036 Product Info

1 April 2026 0

Parameters

Topology

Full bridge, Half bridge, Push pull

Control mode

Feedforward

Features

Current limiting, Frequency synchronization, High-voltage startup, Input line monitor, Integrated Switch, Leading edge blanking, Multi-topology, Pre-bias startup, Soft start, Synchronization pin, Thermal shutdown, Wide DC input

Duty cycle (max) (%)

50

Package

WQFN (RJB)-28-25 mm² 5 x 5

Features

  • High integration controller for small form factor, high-density DC-DC power converters
  • Integrated 100-V, 100-mA auxiliary bias supply
  • Fully regulated pre-biased start-up
  • Enhanced cycle-by-cycle current limiting with pulse matching for low and high primary FETs
  • Optimized maximum duty cycle for primary-side FETs
  • Voltage-mode control with input voltage feed-forward
  • 100-V high-voltage start-up regulator
  • Configurable latch, OVP operation
  • Integrated 100-V, 2-A MOSFET drivers for primary-side FETs
  • Programmable dead-time between primary-side and synchronous rectifier (SR) FETs
  • Create a custom design using the LM5036 with the Excel Calculator Tool or WEBENCH Power Designer
  • High integration controller for small form factor, high-density DC-DC power converters
  • Integrated 100-V, 100-mA auxiliary bias supply
  • Fully regulated pre-biased start-up
  • Enhanced cycle-by-cycle current limiting with pulse matching for low and high primary FETs
  • Optimized maximum duty cycle for primary-side FETs
  • Voltage-mode control with input voltage feed-forward
  • 100-V high-voltage start-up regulator
  • Configurable latch, OVP operation
  • Integrated 100-V, 2-A MOSFET drivers for primary-side FETs
  • Programmable dead-time between primary-side and synchronous rectifier (SR) FETs
  • Create a custom design using the LM5036 with the Excel Calculator Tool or WEBENCH Power Designer

Description

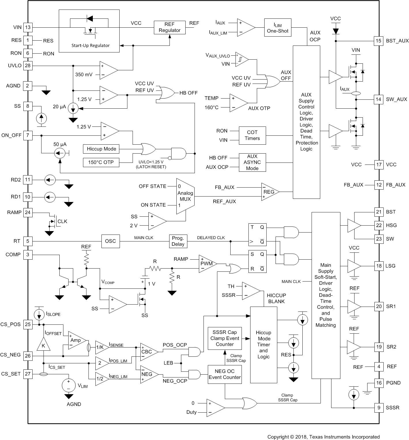
The LM5036 PWM controller, with integrated auxiliary bias supply, offers high power density for industrial isolated power applications. It contains all the features necessary to implement half-bridge power converters, using voltage-mode control, with input voltage feed-forward. This controller is intended to operate on the primary side of an isolated converter with DC input voltage up to 100 V. The controller includes features that improve power density and reliability while reducing system cost:

  • An integrated fly-buck converter as auxiliary bias supply. Provides bias power for both primary and secondary circuits, with a minimum of external components.
  • Fully regulated pre-bias start-up. Eliminates output voltage over-shoot or dips even when starting into a pre-charged output capacitor.
  • Enhanced cycle-by-cycle peak current limit with pulse matching. The controller limits both positive and negative current. Pulse matching ensures equal pulse width for low and high side devices, to avoid transformer saturation. Output current limit is approximately constant across the full range of input voltage.

The LM5036 PWM controller, with integrated auxiliary bias supply, offers high power density for industrial isolated power applications. It contains all the features necessary to implement half-bridge power converters, using voltage-mode control, with input voltage feed-forward. This controller is intended to operate on the primary side of an isolated converter with DC input voltage up to 100 V. The controller includes features that improve power density and reliability while reducing system cost:

  • An integrated fly-buck converter as auxiliary bias supply. Provides bias power for both primary and secondary circuits, with a minimum of external components.
  • Fully regulated pre-bias start-up. Eliminates output voltage over-shoot or dips even when starting into a pre-charged output capacitor.
  • Enhanced cycle-by-cycle peak current limit with pulse matching. The controller limits both positive and negative current. Pulse matching ensures equal pulse width for low and high side devices, to avoid transformer saturation. Output current limit is approximately constant across the full range of input voltage.

Subscribe to Welllinkchips !
Your Name
* Email
Submit a request