0
CSD17581Q3A
  • CSD17581Q3A
  • CSD17581Q3A

CSD17581Q3A

ACTIVE

30-V, N channel NexFET™ power MOSFET, single SON 3 mm x 3 mm, 4.7 mOhm

Texas Instruments CSD17581Q3A Product Info

1 April 2026 0

Parameters

VDS (V)

30

VGS (V)

20

Type

N-channel

Configuration

Single

Rds(on) at VGS=10 V (max) (mΩ)

3.8

Rds(on) at VGS=4.5 V (max) (mΩ)

4.7

VGSTH typ (typ) (V)

1.3

QG (typ) (nC)

20

QGD (typ) (nC)

4

QGS (typ) (nC)

6.9

ID - silicon limited at TC=25°C (A)

101

ID - package limited (A)

60

Logic level

Yes

Rating

Catalog

Operating temperature range (°C)

-55 to 150

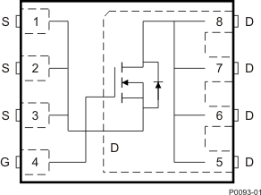
Package

VSONP (DNH)-8-10.89 mm² 3.3 x 3.3

Features

  • Low Qg and Qgd
  • Low RDS(on)
  • Low Thermal Resistance
  • Avalanche Rated
  • Lead-Free
  • RoHS Compliant
  • Halogen Free
  • SON 3.3-mm × 3.3-mm Plastic Package
  • Low Qg and Qgd
  • Low RDS(on)
  • Low Thermal Resistance
  • Avalanche Rated
  • Lead-Free
  • RoHS Compliant
  • Halogen Free
  • SON 3.3-mm × 3.3-mm Plastic Package

Description

This 30-V, 3.2-mΩ, SON 3.3-mm × 3.3-mm NexFET™ power MOSFET is designed to minimize losses in power conversion applications.

This 30-V, 3.2-mΩ, SON 3.3-mm × 3.3-mm NexFET™ power MOSFET is designed to minimize losses in power conversion applications.

Subscribe to Welllinkchips !
Your Name
* Email
Submit a request