0
TPS65142
  • TPS65142
  • TPS65142

TPS65142

ACTIVE

LCD Bias Solution For LCD Panels with 6ch WLED Driver

Texas Instruments TPS65142 Product Info

1 April 2026 0

Parameters

Display type

LCD unipolar

IC integration

LCD bias, LED backlight, VCOM

Vin (min) (V)

2.3

Vin (max) (V)

6

Applications

13 to 21 inches, 7 to 13 inches

Source driver voltage (min) (V)

7

Source driver voltage (max) (V)

16.5

Level shifter/scan driver (Ch)

0

Features

Backlight driver

Topology

Boost

Rating

Catalog

Operating temperature range (°C)

-40 to 85

Package

WQFN (RTG)-32-18 mm² 6 x 3

Features

  • Integrated Bias and Backlight Power
  • 2.3-V to 6-V Input Voltage Range for Bias
    • Up to 16.5 V Boost Converter with 1.8-A
      Switch Current
    • 1.2-MHz / 650-kHz Selectable Switching
      Frequency
    • Internal Compensation
    • Internal Soft-start at Power on
    • Reset Function (XAO Signal)
    • Regulated VGH
    • Regulated VGL
    • Gate Voltage Shaping
    • LCD Discharge Function
  • 150-mA Unity Gain VCOM Buffer
  • 4.5-V to 24-V WLED Backlight Input Range
    • Integrated 1.5-A / 40-V MOSFET
    • Boost Output Tracks WLED Voltage
    • Internal Compensation
    • External Current Setting Input
    • 6 Current-Sink Channels of 25 mA
    • Better than 3% Current Matching
    • Up to 1000:1 PWM Dimming Range
  • Overvoltage Protection
  • Thermal Shutdown
  • Undervoltage Lockout
  • 32-Pin 6 mm × 3 mm QFN Package
  • Integrated Bias and Backlight Power
  • 2.3-V to 6-V Input Voltage Range for Bias
    • Up to 16.5 V Boost Converter with 1.8-A
      Switch Current
    • 1.2-MHz / 650-kHz Selectable Switching
      Frequency
    • Internal Compensation
    • Internal Soft-start at Power on
    • Reset Function (XAO Signal)
    • Regulated VGH
    • Regulated VGL
    • Gate Voltage Shaping
    • LCD Discharge Function
  • 150-mA Unity Gain VCOM Buffer
  • 4.5-V to 24-V WLED Backlight Input Range
    • Integrated 1.5-A / 40-V MOSFET
    • Boost Output Tracks WLED Voltage
    • Internal Compensation
    • External Current Setting Input
    • 6 Current-Sink Channels of 25 mA
    • Better than 3% Current Matching
    • Up to 1000:1 PWM Dimming Range
  • Overvoltage Protection
  • Thermal Shutdown
  • Undervoltage Lockout
  • 32-Pin 6 mm × 3 mm QFN Package

Description

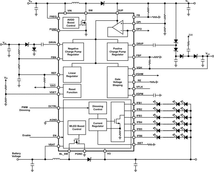
The TPS65142 provides a compact solution to the bias power and the WLED backlight in note-pc TFT-LCD panels. The device features a boost converter, a positive charge pump regulator, and a negative charge pump regulator to power the source drivers and the gate drivers. A 150 mA unity-gain high-speed buffer is offered to drive the VCOM plane. Gate voltage shaping and the LCD discharge function are offered to improve the image quality. A reset function allows a proper reset of the TCON at the power on. The TPS65142 also offers the complete solution to driver up to 6 chains of WLEDs with 1000:1 ratio PWM dimming.

All features are integrated in a compact 6 × 3 mm2 Thin QFN package.

The TPS65142 provides a compact solution to the bias power and the WLED backlight in note-pc TFT-LCD panels. The device features a boost converter, a positive charge pump regulator, and a negative charge pump regulator to power the source drivers and the gate drivers. A 150 mA unity-gain high-speed buffer is offered to drive the VCOM plane. Gate voltage shaping and the LCD discharge function are offered to improve the image quality. A reset function allows a proper reset of the TCON at the power on. The TPS65142 also offers the complete solution to driver up to 6 chains of WLEDs with 1000:1 ratio PWM dimming.

All features are integrated in a compact 6 × 3 mm2 Thin QFN package.

Subscribe to Welllinkchips !
Your Name
* Email
Submit a request