0
LMR23615-Q1
  • LMR23615-Q1
  • LMR23615-Q1

LMR23615-Q1

ACTIVE

SIMPLE SWITCHER® 36-V, 1.5-A Synchronous Step-Down Converter

Texas Instruments LMR23615-Q1 Product Info

1 April 2026 0

Parameters

Rating

Automotive

Topology

Buck

Iout (max) (A)

1.5

Vin (max) (V)

36

Vin (min) (V)

4

Vout (max) (V)

28

Vout (min) (V)

1

Features

Enable, Fixed soft start, Frequency synchronization, Light-load efficiency, Overcurrent protection, Pre-bias startup, Synchronous rectification, UVLO adjustable, Wettable flanks package

Control mode

current mode

Operating temperature range (°C)

-40 to 125

Iq (typ) (A)

0.000075

Duty cycle (max) (%)

97

Package

WSON (DRR)-12-9 mm² 3 x 3

Features

  • Qualified for Automotive Applications
  • AEC-Q100 Qualified With the Following Results:
    • Device Temperature Grade 1: –40°C to +125°C Ambient Operating Temperature
    • Device HBM ESD Classification Level H2
    • Device CDM ESD Classification Level C4A
  • 4-V to 36-V Input Range
  • 1.5-A Continuous Output Current
  • Integrated Synchronous Rectification
  • 60-ns Minimum Switch-On Time
  • Internal Compensation for Ease of Use
  • Adjustable Switching Frequency
  • PFM Mode at Light Load
  • Frequency Synchronization to External Clock
  • Soft Start into a Prebiased Load
  • High Duty-Cycle Operation Supported
  • Output Short-Circuit Protection With Hiccup Mode
  • 12-Pin WSON Wettable Flanks Package with PowerPAD™
  • Create a Custom Design Using the LMR23615-Q1 With the WEBENCH® Power Designer
  • Qualified for Automotive Applications
  • AEC-Q100 Qualified With the Following Results:
    • Device Temperature Grade 1: –40°C to +125°C Ambient Operating Temperature
    • Device HBM ESD Classification Level H2
    • Device CDM ESD Classification Level C4A
  • 4-V to 36-V Input Range
  • 1.5-A Continuous Output Current
  • Integrated Synchronous Rectification
  • 60-ns Minimum Switch-On Time
  • Internal Compensation for Ease of Use
  • Adjustable Switching Frequency
  • PFM Mode at Light Load
  • Frequency Synchronization to External Clock
  • Soft Start into a Prebiased Load
  • High Duty-Cycle Operation Supported
  • Output Short-Circuit Protection With Hiccup Mode
  • 12-Pin WSON Wettable Flanks Package with PowerPAD™
  • Create a Custom Design Using the LMR23615-Q1 With the WEBENCH® Power Designer

Description

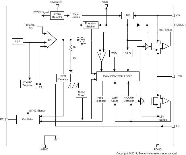
The LMR23615-Q1 SIMPLE SWITCHER® is an easy-to-use 36 V, 1.5 A synchronous step-down regulator. With a wide input range from 4 V to 36 V, the device is suitable for various applications from industrial to automotive for power conditioning from unregulated sources. Peak-current-mode control is employed to achieve simple control loop compensation and cycle-by-cycle current limiting. A quiescent current of 75 µA makes it suitable for battery-powered systems. An ultra-low 2-µA shutdown current can further prolong battery life. Internal loop compensation means that the user is free from the tedious task of loop compensation design. This also minimizes the external components.

An extended family is available in 2.5-A (LMR23625-Q1) and 3-A (LMR23630-Q1) load-current options in pin-to-pin compatible packages allowing simple, optimum PCB layout. A precision enable input allows simplification of regulator control and system power sequencing. Protection features include cycle-by-cycle current limit, hiccup-mode short-circuit protection, and thermal shutdown due to excessive power dissipation.

The LMR23615-Q1 SIMPLE SWITCHER® is an easy-to-use 36 V, 1.5 A synchronous step-down regulator. With a wide input range from 4 V to 36 V, the device is suitable for various applications from industrial to automotive for power conditioning from unregulated sources. Peak-current-mode control is employed to achieve simple control loop compensation and cycle-by-cycle current limiting. A quiescent current of 75 µA makes it suitable for battery-powered systems. An ultra-low 2-µA shutdown current can further prolong battery life. Internal loop compensation means that the user is free from the tedious task of loop compensation design. This also minimizes the external components.

An extended family is available in 2.5-A (LMR23625-Q1) and 3-A (LMR23630-Q1) load-current options in pin-to-pin compatible packages allowing simple, optimum PCB layout. A precision enable input allows simplification of regulator control and system power sequencing. Protection features include cycle-by-cycle current limit, hiccup-mode short-circuit protection, and thermal shutdown due to excessive power dissipation.

Subscribe to Welllinkchips !
Your Name
* Email
Submit a request