0
TPS61281D
  • TPS61281D
  • TPS61281D

TPS61281D

ACTIVE

2.3MHz 3A synchronous boost converter with pass-through mode

Texas Instruments TPS61281D Product Info

1 April 2026 0

Parameters

Rating

Catalog

Topology

Boost

Vin (max) (V)

4.85

Vin (min) (V)

2.3

Vout (max) (V)

4.4

Vout (min) (V)

3.15

Switch current limit (typ) (A)

3

Features

Pass-through mode, Synchronous rectification

Operating temperature range (°C)

-40 to 125

Iq (typ) (A)

0.000015

Duty cycle (max) (%)

90

Package

DSBGA (YFF)-16-3.24 mm² 1.8 x 1.8

Features

  • 95% efficiency at 2.3 MHz operation
  • 3-µA quiescent current in low I Q pass-through mode
  • Wide V IN range from 2.3 V To 4.8 V
  • I OUT ≥ 4-A (Peak) at V OUT = 3.35 V, V IN ≥ 2.65 V
  • Integrated pass-through mode (35 mΩ)
  • Programmable valley inductor current limit and output voltage
  • True pass-through mode during shutdown
  • Best-in-class line and load transient
  • Low-ripple light-load PFM mode
  • In-Situ customization with On-Chip E 2PROM (write protection)
  • Two interface options:
    • I 2C compatible I/F up to 3.4 Mbps (TPS61280D/E)
    • Simple I/O logic control interface
  • Thermal shutdown and overload protection
  • Total solution size < 20 mm 2, sub 1-mm profile
  • 95% efficiency at 2.3 MHz operation
  • 3-µA quiescent current in low I Q pass-through mode
  • Wide V IN range from 2.3 V To 4.8 V
  • I OUT ≥ 4-A (Peak) at V OUT = 3.35 V, V IN ≥ 2.65 V
  • Integrated pass-through mode (35 mΩ)
  • Programmable valley inductor current limit and output voltage
  • True pass-through mode during shutdown
  • Best-in-class line and load transient
  • Low-ripple light-load PFM mode
  • In-Situ customization with On-Chip E 2PROM (write protection)
  • Two interface options:
    • I 2C compatible I/F up to 3.4 Mbps (TPS61280D/E)
    • Simple I/O logic control interface
  • Thermal shutdown and overload protection
  • Total solution size < 20 mm 2, sub 1-mm profile

Description

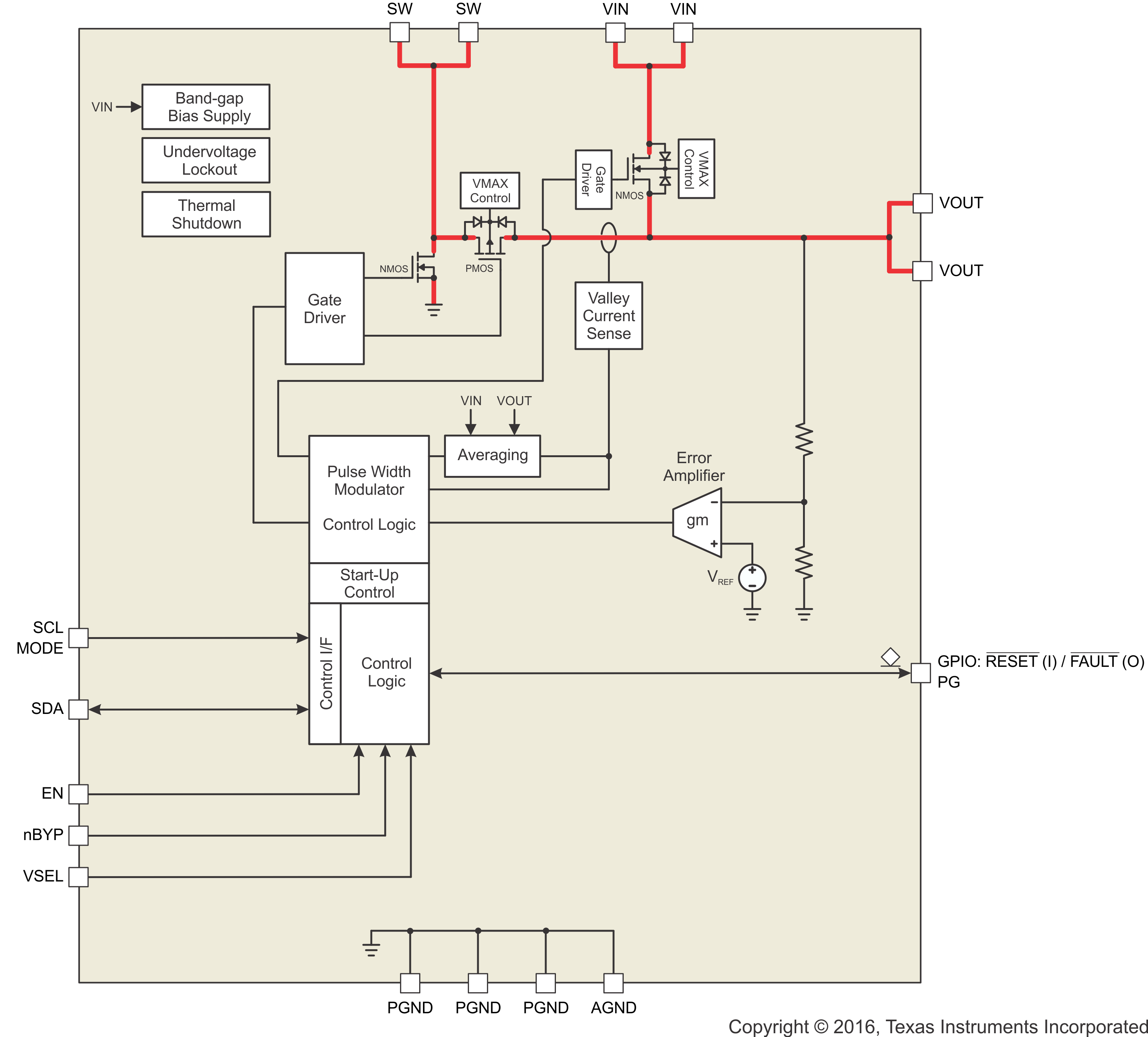
The TPS6128xD/E device provides a power supply solution for products powered by either by a Li-Ion, Nickel-Rich, Silicon Anode, Li-Ion or LiFePO4 battery. The voltage range is optimized for single-cell portable applications like in smart-phones or tablet PCs.

Used as a high-power pre-regulator, the TPS6128xD/E extends the battery run-time and overcomes input current- and voltage limitations of the powered system.

While in shutdown, the TPS6128xD/E operates in a true pass-through mode with only 3-µA quiescent consumption for longest battery shelf life.

During operation, when the battery is at a good state-of-charge, a low-ohmic, high-efficient integrated pass-through path connects the battery to the powered system.

If the battery gets to a lower state of charge and its voltage becomes lower than the desired minimum system voltage, the device seamlessly transits into boost mode to uses the full battery capacity.

The TPS6128xD/E device provides a power supply solution for products powered by either by a Li-Ion, Nickel-Rich, Silicon Anode, Li-Ion or LiFePO4 battery. The voltage range is optimized for single-cell portable applications like in smart-phones or tablet PCs.

Used as a high-power pre-regulator, the TPS6128xD/E extends the battery run-time and overcomes input current- and voltage limitations of the powered system.

While in shutdown, the TPS6128xD/E operates in a true pass-through mode with only 3-µA quiescent consumption for longest battery shelf life.

During operation, when the battery is at a good state-of-charge, a low-ohmic, high-efficient integrated pass-through path connects the battery to the powered system.

If the battery gets to a lower state of charge and its voltage becomes lower than the desired minimum system voltage, the device seamlessly transits into boost mode to uses the full battery capacity.

Subscribe to Welllinkchips !
Your Name
* Email
Submit a request