0
TPS563900
  • TPS563900
  • TPS563900

TPS563900

ACTIVE

18V Input, 3.5A/3.5A Dual Synchronous Step-down Regulator with Voltage Scaling

Texas Instruments TPS563900 Product Info

1 April 2026 0

Parameters

Rating

Catalog

Topology

Buck

Iout (max) (A)

3.5

Vin (max) (V)

18

Vin (min) (V)

4.5

Vout (max) (V)

15

Vout (min) (V)

0.6

Features

Enable, Light Load Efficiency, Pre-Bias Start-Up, Soft Start Adjustable, Synchronous Rectification

Control mode

current mode

Operating temperature range (°C)

-40 to 85

Iq (typ) (A)

0.0012

Duty cycle (max) (%)

100

Package

HTSSOP (DAP)-32-89.1 mm² 11 x 8.1

Features

  • 4.5-V to 18-V Wide Input Voltage Range
  • I2C Controlled 7-Bits VID Programmable Output Voltage from 0.68 V to 1.95 V with
    10-mV Steps for Each Buck; Output Voltage can also be Set by Resistor Divider
  • Programmable Slew-Rate Control for Output-Voltage Transition
  • Up to 3.5-A Maximum Continuous Output Current in Buck 1 and Buck 2
  • Buck 1 and Buck 2 can be Paralleled to Deliver up to 7-A Current
  • I2C Compatible Interface With Standard Mode (100 kHz) and Fast Mode (400 kHz)
  • I2C Read Back Power Good Status and Die Temperature Warning
  • Pulse-Skipping Mode to Achieve High Efficiency in Light Loads
  • Adjustable Switching Frequency
    200 kHz to 1.6 MHz Set by External Resistor
  • Dedicated Enable and Soft-Start for Each Buck
  • Peak Current-Mode Control With Simple Compensation Circuit
  • Cycle-by-Cycle Overcurrent Protection
  • 180° Out-of-Phase Operation to Reduce Input Filter and Power Supply Conduced Noise
  • Overtemperature Protection
  • Available in 32-Pin Thermally Enhanced HTSSOP (DAP) Package
  • 4.5-V to 18-V Wide Input Voltage Range
  • I2C Controlled 7-Bits VID Programmable Output Voltage from 0.68 V to 1.95 V with
    10-mV Steps for Each Buck; Output Voltage can also be Set by Resistor Divider
  • Programmable Slew-Rate Control for Output-Voltage Transition
  • Up to 3.5-A Maximum Continuous Output Current in Buck 1 and Buck 2
  • Buck 1 and Buck 2 can be Paralleled to Deliver up to 7-A Current
  • I2C Compatible Interface With Standard Mode (100 kHz) and Fast Mode (400 kHz)
  • I2C Read Back Power Good Status and Die Temperature Warning
  • Pulse-Skipping Mode to Achieve High Efficiency in Light Loads
  • Adjustable Switching Frequency
    200 kHz to 1.6 MHz Set by External Resistor
  • Dedicated Enable and Soft-Start for Each Buck
  • Peak Current-Mode Control With Simple Compensation Circuit
  • Cycle-by-Cycle Overcurrent Protection
  • 180° Out-of-Phase Operation to Reduce Input Filter and Power Supply Conduced Noise
  • Overtemperature Protection
  • Available in 32-Pin Thermally Enhanced HTSSOP (DAP) Package

Description

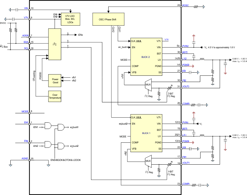
The TPS563900 device is a monolithic dual-synchronous buck converter with a wide 4.5-V to 18-V operating input-voltage range that can operate in
5-, 9-, 12-, or 15-V bus voltages and battery chemistries. Constant-frequency peak-current mode control simplifies the loop compensation and provides fast transient response.

External feedback resistors can be used to set the initial start-up voltage for each buck converter in the TPS563900 device. The feedback voltage reference for this start-up option is 0.6 V. When the voltage-identification (VID) DAC is updated through the I2C, the buck converter switches the feedback resistors from external to internal feedback resistors. The output voltage in each buck is programmable from 0.68 V to 1.95 V with 10-mV steps by I2C-controlled 7-bit VID.

Each buck converter in the TPS563900 device can also be I2C controlled for enabling and disabling the output voltage, reading the output voltage, setting the pulse skipping mode, and reading the power good status and the warning of die temperature.

The TPS563900 device features a dedicated enable pin when the I2C interface is not used. An independent soft-start pin provides flexibility in power-up programmability. Cycle-by-cycle overcurrent protection and hiccup-mode operation limit MOSFET power dissipation in short circuit or over-loading fault conditions. Low-side reverse overcurrent protection also prevents excessive sinking current from damaging the converter.

The TPS563900 device also features a light-load pulse-skipping mode (PSM) that can be controlled by the I2C or MODE pin configuration. The PSM mode allows a power loss reduction on the input power supplied to the system to achieve high efficiency at light loading.

The TPS563900 device is available in a 32-lead thermally-enhanced HTSSOP (DAP) package.

The TPS563900 device is a monolithic dual-synchronous buck converter with a wide 4.5-V to 18-V operating input-voltage range that can operate in
5-, 9-, 12-, or 15-V bus voltages and battery chemistries. Constant-frequency peak-current mode control simplifies the loop compensation and provides fast transient response.

External feedback resistors can be used to set the initial start-up voltage for each buck converter in the TPS563900 device. The feedback voltage reference for this start-up option is 0.6 V. When the voltage-identification (VID) DAC is updated through the I2C, the buck converter switches the feedback resistors from external to internal feedback resistors. The output voltage in each buck is programmable from 0.68 V to 1.95 V with 10-mV steps by I2C-controlled 7-bit VID.

Each buck converter in the TPS563900 device can also be I2C controlled for enabling and disabling the output voltage, reading the output voltage, setting the pulse skipping mode, and reading the power good status and the warning of die temperature.

The TPS563900 device features a dedicated enable pin when the I2C interface is not used. An independent soft-start pin provides flexibility in power-up programmability. Cycle-by-cycle overcurrent protection and hiccup-mode operation limit MOSFET power dissipation in short circuit or over-loading fault conditions. Low-side reverse overcurrent protection also prevents excessive sinking current from damaging the converter.

The TPS563900 device also features a light-load pulse-skipping mode (PSM) that can be controlled by the I2C or MODE pin configuration. The PSM mode allows a power loss reduction on the input power supplied to the system to achieve high efficiency at light loading.

The TPS563900 device is available in a 32-lead thermally-enhanced HTSSOP (DAP) package.

Subscribe to Welllinkchips !
Your Name
* Email
Submit a request