0
SN74LV393A
  • SN74LV393A
  • SN74LV393A
  • SN74LV393A
  • SN74LV393A
  • SN74LV393A
  • SN74LV393A
  • SN74LV393A
  • SN74LV393A

SN74LV393A

ACTIVE

Dual 4-Bit Binary Counters

Texas Instruments SN74LV393A Product Info

1 April 2026 0

Parameters

Function

Counter

Bits (#)

4

Technology family

LV-A

Supply voltage (min) (V)

2

Supply voltage (max) (V)

5.5

Input type

Standard CMOS

Output type

Push-Pull

Features

Balanced outputs, Over-voltage tolerant inputs, Partial power down (Ioff), Very high speed (tpd 5-10ns)

Operating temperature range (°C)

-40 to 85

Rating

Catalog

Package

SOIC (D)-14-51.9 mm² 8.65 x 6

Features

  • VCC operation of 2 V to 5.5 V
  • Max tpd of 10 ns at 5 V
  • Typical VOLP (Output Ground Bounce) <0.8 V at VCC = 3.3 V, TA = 25°C
  • Typical VOHV (Output VOH Undershoot) > 2.3 V at VCC = 3.3 V, TA = 25°C
  • Ioff supports Partial-Power-Down-Mode operation
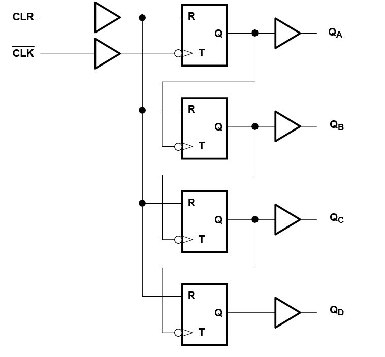
  • Dual 4-bit binary counters with individual clocks
  • Direct clear for each 4-bit counter
  • Can significantly improve system densities by reducing counter package count by 50 percent
  • Latch-Up performance exceeds 100 mA per JESD 78, Class II
  • VCC operation of 2 V to 5.5 V
  • Max tpd of 10 ns at 5 V
  • Typical VOLP (Output Ground Bounce) <0.8 V at VCC = 3.3 V, TA = 25°C
  • Typical VOHV (Output VOH Undershoot) > 2.3 V at VCC = 3.3 V, TA = 25°C
  • Ioff supports Partial-Power-Down-Mode operation
  • Dual 4-bit binary counters with individual clocks
  • Direct clear for each 4-bit counter
  • Can significantly improve system densities by reducing counter package count by 50 percent
  • Latch-Up performance exceeds 100 mA per JESD 78, Class II

Description

The ’LV393A devices contain eight flip-flops and additional gating to implement two individual 4-bit counters in a single package. These devices are designed for 2 V to 5.5 V VCC operation.

The ’LV393A devices contain eight flip-flops and additional gating to implement two individual 4-bit counters in a single package. These devices are designed for 2 V to 5.5 V VCC operation.

Subscribe to Welllinkchips !
Your Name
* Email
Submit a request