0
TPS53353
  • TPS53353
  • TPS53353

TPS53353

ACTIVE

High-efficiency 1.5-V to 15-V, 20-A synchronous SWIFT™ buck converter with eco-mode

Texas Instruments TPS53353 Product Info

1 April 2026 0

Parameters

Rating

Catalog

Topology

Buck

Iout (max) (A)

20

Vin (max) (V)

15

Vin (min) (V)

1.5

Vout (max) (V)

5.5

Vout (min) (V)

0.6

Features

Adjustable current limit, Enable, Forced PWM, Light-load efficiency, Overcurrent protection, Power good, Prebias startup, Soft-start adjustable, Synchronous rectification, UVLO Fixed

Control mode

D-CAP

Operating temperature range (°C)

-40 to 125

Iq (typ) (A)

0.00032

Duty cycle (max) (%)

90

Package

LSON-CLIP (DQP)-22-30 mm² 6 x 5

Features

  • New product available: TPS548B28 16-V, 20-A synchronous-buck converter with remote sense
  • Conversion input voltage range: 1.5 V to 15 V
  • VDD input voltage range: 4.5 V to 25 V
  • 92% efficiency from 12 V to 1.5 V at 20 A
  • Output voltage range: 0.6 V to 5.5 V
  • 5-V LDO output
  • Supports single-rail input
  • Integrated power MOSFETs with 20 A of continuous output current
  • Auto-skip Eco-mode™ for light-load efficiency
  • < 10-µA shutdown current
  • D-CAP™ mode with fast transient response
  • Selectable switching frequency from 250 kHz to 1 MHz with external resistor
  • Selectable auto-skip or PWM-only operation
  • Built-in 1% 0.6-V reference
  • 0.7-ms, 1.4-ms, 2.8-ms, and 5.6-ms selectable internal voltage servo soft start
  • Integrated boost switch
  • Precharged start-up capability
  • Adjustable overcurrent limit with thermal compensation
  • Overvoltage, undervoltage, UVLO, and overtemperature protection
  • Supports all ceramic output capacitors
  • Open-drain power-good indication
  • Incorporates NexFET™ power block technology
  • 22-pin QFN package with PowerPAD™
  • For SWIFT™ power products documentation, see http://www.ti.com/swift
  • New product available: TPS548B28 16-V, 20-A synchronous-buck converter with remote sense
  • Conversion input voltage range: 1.5 V to 15 V
  • VDD input voltage range: 4.5 V to 25 V
  • 92% efficiency from 12 V to 1.5 V at 20 A
  • Output voltage range: 0.6 V to 5.5 V
  • 5-V LDO output
  • Supports single-rail input
  • Integrated power MOSFETs with 20 A of continuous output current
  • Auto-skip Eco-mode™ for light-load efficiency
  • < 10-µA shutdown current
  • D-CAP™ mode with fast transient response
  • Selectable switching frequency from 250 kHz to 1 MHz with external resistor
  • Selectable auto-skip or PWM-only operation
  • Built-in 1% 0.6-V reference
  • 0.7-ms, 1.4-ms, 2.8-ms, and 5.6-ms selectable internal voltage servo soft start
  • Integrated boost switch
  • Precharged start-up capability
  • Adjustable overcurrent limit with thermal compensation
  • Overvoltage, undervoltage, UVLO, and overtemperature protection
  • Supports all ceramic output capacitors
  • Open-drain power-good indication
  • Incorporates NexFET™ power block technology
  • 22-pin QFN package with PowerPAD™
  • For SWIFT™ power products documentation, see http://www.ti.com/swift

Description

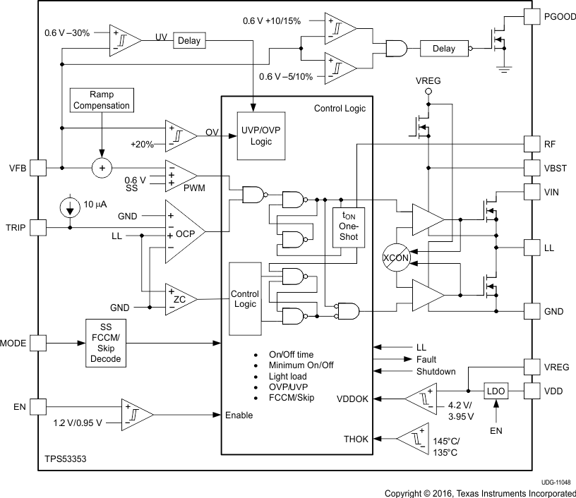
TPS53353 is a D-CAP™ mode, 20-A synchronous switcher with integrated MOSFETs. It is designed for ease of use, low external component count, and space-conscious power systems.

This device features 5.5-mΩ / 2.2-mΩ integrated MOSFETs, accurate 1%, 0.6-V reference, and integrated boost switch. A sample of competitive features include: a conversion input voltage range from 1.5 V to 15 V, very low external component count, D-CAP™ mode control for super fast transient, auto-skip mode operation, internal soft-start control, selectable frequency, and no need for compensation.

The conversion input voltage ranges from 1.5 V to 15 V, the supply voltage range is from 4.5 V to 25 V, and the output voltage range is from 0.6 V to 5.5 V.

The device is available in 5-mm × 6-mm, 22-pin QFN package and is specified from –40°C to 85°C.

The TPS548B28 is a newer 20A device designed for data center applications with a smaller, Pb-free package.

TPS53353 is a D-CAP™ mode, 20-A synchronous switcher with integrated MOSFETs. It is designed for ease of use, low external component count, and space-conscious power systems.

This device features 5.5-mΩ / 2.2-mΩ integrated MOSFETs, accurate 1%, 0.6-V reference, and integrated boost switch. A sample of competitive features include: a conversion input voltage range from 1.5 V to 15 V, very low external component count, D-CAP™ mode control for super fast transient, auto-skip mode operation, internal soft-start control, selectable frequency, and no need for compensation.

The conversion input voltage ranges from 1.5 V to 15 V, the supply voltage range is from 4.5 V to 25 V, and the output voltage range is from 0.6 V to 5.5 V.

The device is available in 5-mm × 6-mm, 22-pin QFN package and is specified from –40°C to 85°C.

The TPS548B28 is a newer 20A device designed for data center applications with a smaller, Pb-free package.

Subscribe to Welllinkchips !
Your Name
* Email
Submit a request