0
CD74HCT74
  • CD74HCT74
  • CD74HCT74
  • CD74HCT74

CD74HCT74

ACTIVE

High Speed CMOS Logic Dual Positive-Edge-Triggered D Flip-Flops with Set and Reset

Texas Instruments CD74HCT74 Product Info

1 April 2026 0

Parameters

Number of channels

2

Technology family

HCT

Supply voltage (min) (V)

4.5

Supply voltage (max) (V)

5.5

Input type

TTL-Compatible CMOS

Output type

Push-Pull

Clock frequency (max) (MHz)

25

IOL (max) (mA)

4

IOH (max) (mA)

-4

Supply current (max) (µA)

40

Features

Balanced outputs, High speed (tpd 10-50ns), Positive input clamp diode

Operating temperature range (°C)

-55 to 125

Rating

Catalog

Package

PDIP (N)-14-181.42 mm² 19.3 x 9.4

Features

  • LSTTL input logic compatible
    • VIL(max) = 0.8 V, VIH(min) = 2 V
  • CMOS input logic compatible
    • II ≤ 1 µA at VOL, VOH
  • Buffered inputs
  • 4.5 V to 5.5 V operation
  • Wide operating temperature range: -55°C to +125°C
  • Supports fanout up to 10 LSTTL loads
  • Significant power reduction compared to LSTTL logic ICs
  • LSTTL input logic compatible
    • VIL(max) = 0.8 V, VIH(min) = 2 V
  • CMOS input logic compatible
    • II ≤ 1 µA at VOL, VOH
  • Buffered inputs
  • 4.5 V to 5.5 V operation
  • Wide operating temperature range: -55°C to +125°C
  • Supports fanout up to 10 LSTTL loads
  • Significant power reduction compared to LSTTL logic ICs

Description

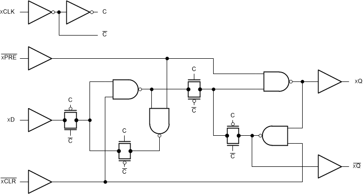
The CDx4HCT74-Q1 devices contain two independent D-type positive-edge-triggered flip-flops with asynchronous preset and clear pins for each.

The CDx4HCT74-Q1 devices contain two independent D-type positive-edge-triggered flip-flops with asynchronous preset and clear pins for each.

Subscribe to Welllinkchips !
Your Name
* Email
Submit a request