0
SN65HVD33-EP
  • SN65HVD33-EP
  • SN65HVD33-EP
  • SN65HVD33-EP

SN65HVD33-EP

ACTIVE

Enhanced Product 3.3-V Full-Duplex Rs-485 Drivers And Receivers

Texas Instruments SN65HVD33-EP Product Info

1 April 2026 1

Parameters

Number of receivers

1

Number of transmitters

1

Duplex

Full

Supply voltage (nom) (V)

3.3

Signaling rate (max) (Mbps)

25

Fault protection (V)

-9 to 14

Common-mode range (V)

-7 to 12

Number of nodes

64

Isolated

No

Supply current (max) (µA)

2000

Rating

HiRel Enhanced Product

Operating temperature range (°C)

-55 to 125

Package

SOIC (D)-14-51.9 mm² 8.65 x 6

Features

  • 1/8 Unit-load option available (up to 256 nodes on the bus)
  • Bus-pin ESD protection exceeds 15kV HBM
  • Optional driver output transition times for signaling rates(1) of 1Mbps, 5Mbps, and 25Mbps
  • Low-current standby mode: <1µA
  • Glitch-free power-up and power-down protection for hot-plugging applications
  • 5V Tolerant inputs
  • Bus idle, open, and short-circuit fail safe
  • Driver current limiting and thermal shutdown
  • Meet or exceed the requirements of ANSI TIA/EIA-485-A and RS-422 compatible

(1)The signaling rate of a line is the number of voltage transitions that are made per second expressed in the units bps (bits per second).

  • 1/8 Unit-load option available (up to 256 nodes on the bus)
  • Bus-pin ESD protection exceeds 15kV HBM
  • Optional driver output transition times for signaling rates(1) of 1Mbps, 5Mbps, and 25Mbps
  • Low-current standby mode: <1µA
  • Glitch-free power-up and power-down protection for hot-plugging applications
  • 5V Tolerant inputs
  • Bus idle, open, and short-circuit fail safe
  • Driver current limiting and thermal shutdown
  • Meet or exceed the requirements of ANSI TIA/EIA-485-A and RS-422 compatible

(1)The signaling rate of a line is the number of voltage transitions that are made per second expressed in the units bps (bits per second).

Description

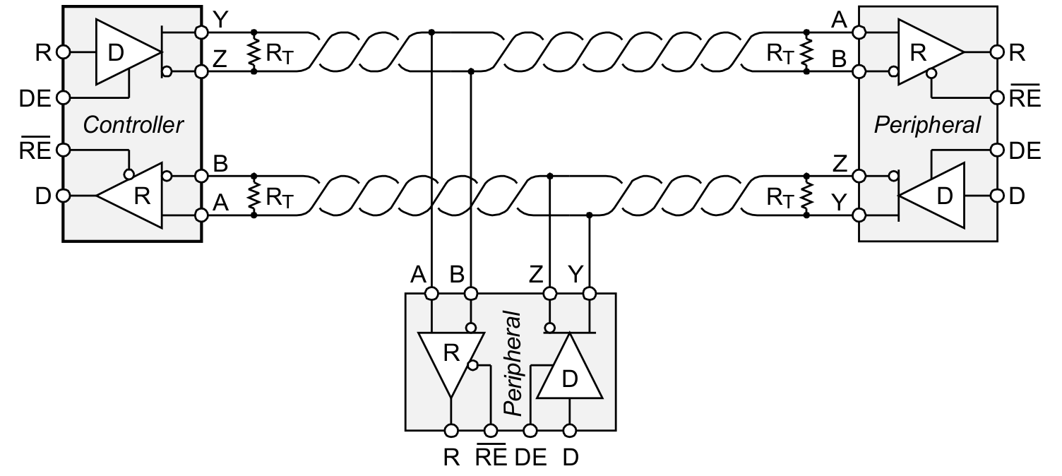
The SN65HVD3x-EP devices are 3-state differential line drivers and differential-input line receivers that operate with 3V power supply.

Each driver and receiver has separate input and output pins for full-duplex bus communication designs. They are designed for balanced transmission lines and interoperation with ANSI TIA/EIA-485A, TIA/EIA-422-B, ITU-T v.11, and ISO 8482:1993 standard-compliant devices.

The SN65HVD30 is fully enabled with no external enabling pins.

The SN65HVD33 has active-high driver enables and active-low receiver enables. A low (less than 1µA) standby current is achieved by disabling both the driver and receiver.

All devices are characterized for operation from –55°C to 125°C.

The SN65HVD3x-EP devices are 3-state differential line drivers and differential-input line receivers that operate with 3V power supply.

Each driver and receiver has separate input and output pins for full-duplex bus communication designs. They are designed for balanced transmission lines and interoperation with ANSI TIA/EIA-485A, TIA/EIA-422-B, ITU-T v.11, and ISO 8482:1993 standard-compliant devices.

The SN65HVD30 is fully enabled with no external enabling pins.

The SN65HVD33 has active-high driver enables and active-low receiver enables. A low (less than 1µA) standby current is achieved by disabling both the driver and receiver.

All devices are characterized for operation from –55°C to 125°C.

Subscribe to Welllinkchips !
Your Name
* Email
Submit a request