0
TPS3701
  • TPS3701
  • TPS3701

TPS3701

ACTIVE

High-voltage (36-V) window voltage detector with internal reference for OV & UV monitoring

Texas Instruments TPS3701 Product Info

1 April 2026 0

Parameters

Rating

Catalog

Number of supplies monitored

1, 2

Threshold voltage 1 (typ) (V)

0.4

Features

Separate VDD & sense, Undervoltage and overvoltage monitor, Wide input voltage

Reset threshold accuracy (%)

0.75

Iq (typ) (mA)

0.007

Output driver type/reset output

Active-low, Open-drain

Time delay (ms)

0

Watchdog timer WDI (s)

None

Supply voltage (min) (V)

1.8

Supply voltage (max) (V)

36

Operating temperature range (°C)

-40 to 125

Package

SOT-23-THN (DDC)-6-8.12 mm² 2.9 x 2.8

Features

  • Wide supply voltage range: 1.8 V to 36 V
  • Adjustable threshold: down to 400 mV
  • Open-drain outputs for over- and undervoltage detection
  • Low quiescent current: 7 µA (Typical)
  • High threshold accuracy:
    • 0.75% Over temperature
    • 0.25% (Typical)
  • Internal hysteresis: 5.5 mV (typical)
  • Temperature range: –40°C to 125°C
  • Package:
    • SOT-6
  • Wide supply voltage range: 1.8 V to 36 V
  • Adjustable threshold: down to 400 mV
  • Open-drain outputs for over- and undervoltage detection
  • Low quiescent current: 7 µA (Typical)
  • High threshold accuracy:
    • 0.75% Over temperature
    • 0.25% (Typical)
  • Internal hysteresis: 5.5 mV (typical)
  • Temperature range: –40°C to 125°C
  • Package:
    • SOT-6

Description

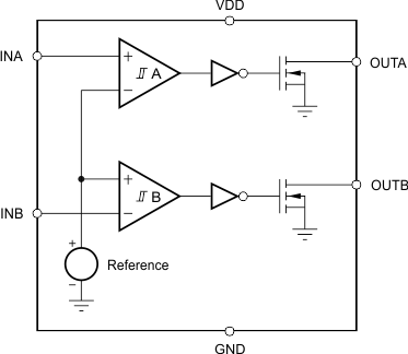
The TPS3701 wide-supply voltage window detector operates over a 1.8-V to 36-V range. The device has two precision comparators with an internal 400-mV reference and two open-drain outputs (OUTA and OUTB) rated to 25 V for over- and undervoltage detection. Use the TPS3701 as a window voltage detector or as two independent voltage monitors; set the monitored voltage with the use of external resistors.

OUTA is driven low when the voltage at the INA pin drops below the negative threshold, and goes high when the voltage returns above the positive threshold. OUTB is driven low when the voltage at the INB pin rises above the positive threshold, and goes high when the voltage drops below the negative threshold. Both comparators in the TPS3701 include built-in hysteresis for noise rejection, thereby ensuring stable output operation without false triggering.

The TPS3701 is available in a SOT-6 package and is specified over the junction temperature range of –40°C to 125°C.

 

The TPS3701 wide-supply voltage window detector operates over a 1.8-V to 36-V range. The device has two precision comparators with an internal 400-mV reference and two open-drain outputs (OUTA and OUTB) rated to 25 V for over- and undervoltage detection. Use the TPS3701 as a window voltage detector or as two independent voltage monitors; set the monitored voltage with the use of external resistors.

OUTA is driven low when the voltage at the INA pin drops below the negative threshold, and goes high when the voltage returns above the positive threshold. OUTB is driven low when the voltage at the INB pin rises above the positive threshold, and goes high when the voltage drops below the negative threshold. Both comparators in the TPS3701 include built-in hysteresis for noise rejection, thereby ensuring stable output operation without false triggering.

The TPS3701 is available in a SOT-6 package and is specified over the junction temperature range of –40°C to 125°C.

 

Subscribe to Welllinkchips !
Your Name
* Email
Submit a request