0
INA122
  • INA122
  • INA122
  • INA122

INA122

ACTIVE

Single Supply, MicroPower Instrumentation Amplifier

Texas Instruments INA122 Product Info

1 April 2026 0

Parameters

Number of channels

1

Vs (max) (V)

36

Vs (min) (V)

2.2

Input offset (±) (max) (µV)

250

Voltage gain (min) (V/V)

5

Voltage gain (max) (V/V)

10000

Noise at 1 kHz (typ) (nV√Hz)

60

Features

Low power

CMRR (min) (dB)

83

Input offset drift (±) (max) (µV/°C)

3

Input bias current (±) (max) (nA)

25

Iq (typ) (mA)

0.06

Bandwidth at min gain (typ) (MHz)

0.12

Gain error (±) (max) (%)

0.5

Operating temperature range (°C)

-40 to 85

Rating

Catalog

Type

Resistor

Gain nonlinearity (±) (max) (%)

0.002

Output swing headroom (to negative supply) (typ) (V)

0.1

Output swing headroom (to positive supply) (typ) (V)

-0.05

Input common mode headroom (to negative supply) (typ) (V)

0

Input common mode headroom (to positive supply) (typ) (V)

-1.6

Noise at 0.1 Hz to 10 Hz (typ) (µVPP)

2

Package

PDIP (P)-8-92.5083 mm² 9.81 x 9.43

Features

  • Low quiescent current: 60µA
  • Wide power supply range: 2.2V to 36V
  • Rail-to-rail output swing
  • Low offset voltage: 250µV maximum
  • Low offset drift: 3µV/°C maximum
  • Low noise: 60nV/√Hz
  • Low input bias current: 25nA maximum
  • Packages
    • 4.9mm × 6mm SOIC
    • 9.81mm × 9.43mm PDIP
  • Low quiescent current: 60µA
  • Wide power supply range: 2.2V to 36V
  • Rail-to-rail output swing
  • Low offset voltage: 250µV maximum
  • Low offset drift: 3µV/°C maximum
  • Low noise: 60nV/√Hz
  • Low input bias current: 25nA maximum
  • Packages
    • 4.9mm × 6mm SOIC
    • 9.81mm × 9.43mm PDIP

Description

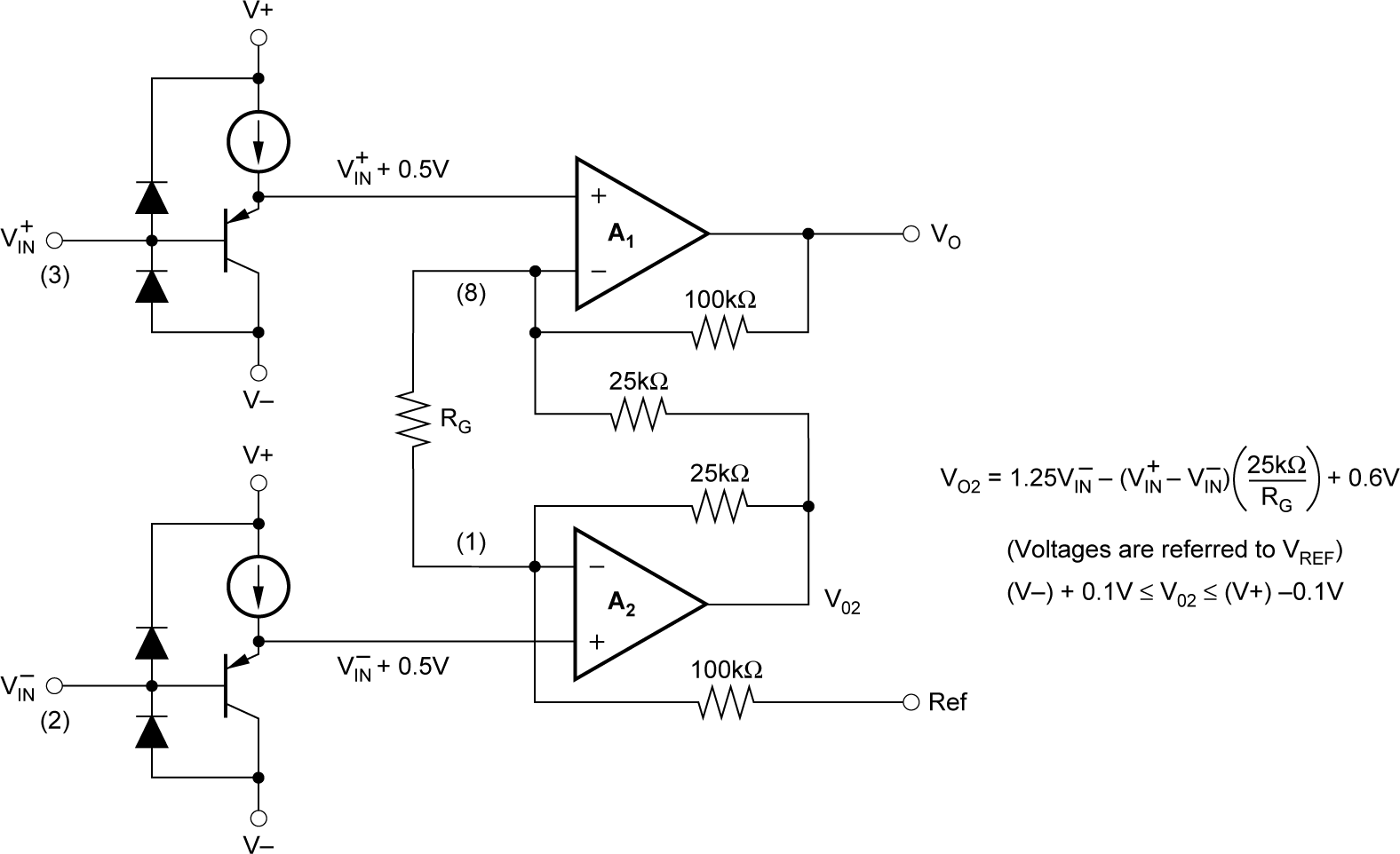
The INA122 is a precision instrumentation amplifier for accurate, low-noise differential signal acquisition. The two-op-amp design provides excellent performance with very low quiescent current (60µA), and is designed for portable instrumentation and data acquisition systems. The INA122 can be operated with single or dual power supplies from 2.2V to 36V.

A single external resistor sets gain from 5V/V to 10000V/V. Laser trimming provides very low offset voltage (250µV maximum), offset voltage drift (3µV/°C maximum) and excellent common-mode rejection.

Package options include 8-pin plastic DIP and SOIC surface-mount packages. Both packages are specified for the −40°C to +85°C temperature range.

The INA122 is a precision instrumentation amplifier for accurate, low-noise differential signal acquisition. The two-op-amp design provides excellent performance with very low quiescent current (60µA), and is designed for portable instrumentation and data acquisition systems. The INA122 can be operated with single or dual power supplies from 2.2V to 36V.

A single external resistor sets gain from 5V/V to 10000V/V. Laser trimming provides very low offset voltage (250µV maximum), offset voltage drift (3µV/°C maximum) and excellent common-mode rejection.

Package options include 8-pin plastic DIP and SOIC surface-mount packages. Both packages are specified for the −40°C to +85°C temperature range.

Subscribe to Welllinkchips !
Your Name
* Email
Submit a request