0
TPS25946
  • TPS25946
  • TPS25946
  • TPS25946
  • TPS25946

TPS25946

ACTIVE

2.7-V to 23-V, 5.5-A, 28-mΩ eFuse with bi-directional current support

Texas Instruments TPS25946 Product Info

1 April 2026 0

Parameters

Vabsmax_cont (V)

28

Vin (max) (V)

23

Vin (min) (V)

2.7

Current limit (max) (A)

6

Current limit (min) (A)

0.5

Features

Adjustable OVLO, Adjustable current limit, Adjustable soft start, Current monitoring, Fault output, Overcurrent protection, Overvoltage protection, Power good signal, Reverse current blocking when off, Thermal shutdown, adjustable UVLO

UL recognition

IEC62368, UL2367

Overcurrent response

Current limiting

Fault response

Auto-retry, Latch-off

Ron (typ) (mΩ)

28.3

Overvoltage response

Cut-off

Rating

Catalog

Soft start

Adjustable

Quiescent current (Iq) (typ) (A)

0.000428

Quiescent current (Iq) (max) (A)

0.00061

Device type

eFuses and hot swap controllers

Operating temperature range (°C)

-40 to 125

Package

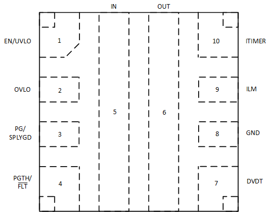
VQFN-HR (RPW)-10-4 mm² 2 x 2

Features

  • Wide operating input voltage range: 2.7 V to 23 V
    • 28-V absolute maximum
  • Integrated back-to-back FETs with low on-resistance: RON = 28.3 mΩ (typ.)
    • Bi-directional current flow during ON state
    • Reverse current blocking during OFF state
  • Fast overvoltage protection
    • Adjustable Overvoltage Lockout (OVLO) with 1.2-µs (typ.) response time
  • Overcurrent protection in forward direction with load current monitor output (ILM)
    • Active current limit response
    • Adjustable threshold (ILIM): 0.5 A to 6 A
      • ±10% accuracy for ILIM > 1 A
    • Adjustable transient blanking timer (ITIMER) to allow peak currents up to 2 × ILIM
    • Output load current monitor accuracy: ±6% (IOUT ≥ 1 A)
  • Fast-trip response for short-circuit protection on OUT pin
    • 500-ns (typ.) response time
    • Adjustable (2 × ILIM) and fixed thresholds
  • Active high enable input with adjustable Undervoltage Lockout threshold (UVLO)
  • Adjustable output slew rate control (dVdt)
  • Overtemperature protection
  • Digital indication options:
    • Power Good indication (PG) with adjustable threshold (PGTH) or
    • Supply Good (SPLYGD) and Fault (FLT) indications
  • UL 2367 recognition
    • File No. E339631
    • RILM ≥ 549 Ω

  • IEC 62368-1 CB certified
  • Small footprint: QFN 2 mm × 2 mm, 0.45-mm pitch
  • Wide operating input voltage range: 2.7 V to 23 V
    • 28-V absolute maximum
  • Integrated back-to-back FETs with low on-resistance: RON = 28.3 mΩ (typ.)
    • Bi-directional current flow during ON state
    • Reverse current blocking during OFF state
  • Fast overvoltage protection
    • Adjustable Overvoltage Lockout (OVLO) with 1.2-µs (typ.) response time
  • Overcurrent protection in forward direction with load current monitor output (ILM)
    • Active current limit response
    • Adjustable threshold (ILIM): 0.5 A to 6 A
      • ±10% accuracy for ILIM > 1 A
    • Adjustable transient blanking timer (ITIMER) to allow peak currents up to 2 × ILIM
    • Output load current monitor accuracy: ±6% (IOUT ≥ 1 A)
  • Fast-trip response for short-circuit protection on OUT pin
    • 500-ns (typ.) response time
    • Adjustable (2 × ILIM) and fixed thresholds
  • Active high enable input with adjustable Undervoltage Lockout threshold (UVLO)
  • Adjustable output slew rate control (dVdt)
  • Overtemperature protection
  • Digital indication options:
    • Power Good indication (PG) with adjustable threshold (PGTH) or
    • Supply Good (SPLYGD) and Fault (FLT) indications
  • UL 2367 recognition
    • File No. E339631
    • RILM ≥ 549 Ω

  • IEC 62368-1 CB certified
  • Small footprint: QFN 2 mm × 2 mm, 0.45-mm pitch

Description

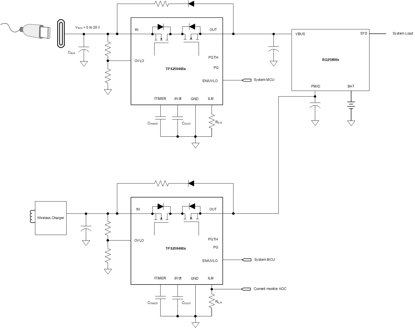
The TPS25946xx family of eFuses is a highly integrated circuit protection and power management solution in a small package. The devices provide multiple protection modes using very few external components and are a robust defense against overloads, short-circuits, voltage surges and excessive inrush current. With integrated back-to-back FETs, the device allows bi-directional current flow during ON state, while blocking current flow in both directions during OFF state, making it well suited for USB OTG (On-The-Go) applications.

Output slew rate and inrush current can be adjusted using a single external capacitor. Loads are protected from input overvoltage conditions by cutting off the output if input exceeds an adjustable overvoltage threshold. The devices respond to output overload by actively limiting the current. The output current limit threshold as well as the transient overcurrent blanking timer are user adjustable. The current limit control pin also functions as an analog load current monitor.

The devices are available in a 2-mm × 2-mm, 10-pin HotRod QFN package for improved thermal performance and reduced system footprint.

The devices are characterized for operation over a junction temperature range of –40°C to +125°C.

The TPS25946xx family of eFuses is a highly integrated circuit protection and power management solution in a small package. The devices provide multiple protection modes using very few external components and are a robust defense against overloads, short-circuits, voltage surges and excessive inrush current. With integrated back-to-back FETs, the device allows bi-directional current flow during ON state, while blocking current flow in both directions during OFF state, making it well suited for USB OTG (On-The-Go) applications.

Output slew rate and inrush current can be adjusted using a single external capacitor. Loads are protected from input overvoltage conditions by cutting off the output if input exceeds an adjustable overvoltage threshold. The devices respond to output overload by actively limiting the current. The output current limit threshold as well as the transient overcurrent blanking timer are user adjustable. The current limit control pin also functions as an analog load current monitor.

The devices are available in a 2-mm × 2-mm, 10-pin HotRod QFN package for improved thermal performance and reduced system footprint.

The devices are characterized for operation over a junction temperature range of –40°C to +125°C.

Subscribe to Welllinkchips !
Your Name
* Email
Submit a request