0
SN74LVC7032A
  • SN74LVC7032A
  • SN74LVC7032A
  • SN74LVC7032A
  • SN74LVC7032A
  • SN74LVC7032A

SN74LVC7032A

ACTIVE

Four-channel two-input 1.2V to 3.6V OR gates with Schmitt-trigger inputs

Texas Instruments SN74LVC7032A Product Info

1 April 2026 1

Parameters

Technology family

LVC

Supply voltage (min) (V)

1.1

Supply voltage (max) (V)

3.6

Number of channels

4

Inputs per channel

2

IOL (max) (mA)

24

IOH (max) (mA)

-24

Input type

Schmitt-Trigger

Output type

Push-Pull

Features

Over-voltage tolerant inputs, Partial power down (Ioff), Ultra high speed (tpd <5ns)

Data rate (max) (Mbps)

100

Rating

Catalog

Operating temperature range (°C)

-40 to 125

Package

TSSOP (PW)-14-32 mm² 5 x 6.4

Features

  • Operating range from 1.1V to 3.6V
  • 5.5V tolerant input pins
  • Supports standard pinouts
  • Latch-up performance exceeds 250mAper JESD 17
  • ESD protection exceeds JESD 22
    • 2000V Human-Body Model (A114-A)
    • 1000V Charged-Device Model (C101)
  • Operating range from 1.1V to 3.6V
  • 5.5V tolerant input pins
  • Supports standard pinouts
  • Latch-up performance exceeds 250mAper JESD 17
  • ESD protection exceeds JESD 22
    • 2000V Human-Body Model (A114-A)
    • 1000V Charged-Device Model (C101)

Description

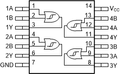
This device contains four independent 2-input OR Gates with Schmitt-trigger inputs. Each gate performs the Boolean function Y = A + B in positive logic.

This device contains four independent 2-input OR Gates with Schmitt-trigger inputs. Each gate performs the Boolean function Y = A + B in positive logic.

Subscribe to Welllinkchips !
Your Name
* Email
Submit a request