0
DS8921
  • DS8921
  • DS8921
  • DS8921
  • DS8921

DS8921

ACTIVE

Differential Line Drivers and Receiver Pair

Texas Instruments DS8921 Product Info

1 April 2026 1

Parameters

Number of receivers

1

Number of transmitters

1

Duplex

Full

Supply voltage (nom) (V)

5

Signaling rate (max) (Mbps)

10

IEC 61000-4-2 contact (±V)

None

Fault protection (V)

-12 to 12

Common-mode range (V)

-7 to 7

Number of nodes

32

Isolated

No

Supply current (max) (µA)

35000

Rating

Catalog

Operating temperature range (°C)

-40 to 85

Package

SOIC (D)-8-29.4 mm² 4.9 x 6

Features

  • 12-ns Typical Propagation Delay
  • Output Skew: 0.5 ns Typical
  • Meets the Requirements of EIA Standard RS-422
  • Complementary Driver Outputs
  • High Differential or Common-Mode Input Voltage
    Ranges of ±7 V
  • ±0.2 V Receiver Sensitivity Over the
    Input Voltage Range
  • Receiver Input Hysteresis: 70 mV Typical
  • DS8921AT Industrial Temperature Operation:
    (–40°C to +85°C)
  • 12-ns Typical Propagation Delay
  • Output Skew: 0.5 ns Typical
  • Meets the Requirements of EIA Standard RS-422
  • Complementary Driver Outputs
  • High Differential or Common-Mode Input Voltage
    Ranges of ±7 V
  • ±0.2 V Receiver Sensitivity Over the
    Input Voltage Range
  • Receiver Input Hysteresis: 70 mV Typical
  • DS8921AT Industrial Temperature Operation:
    (–40°C to +85°C)

Description

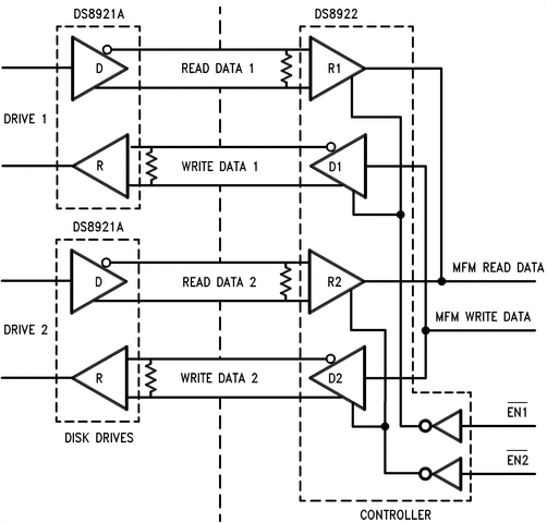
The DS8921, DS8921A, and DS8921AT devices are differential line driver and receiver pairs designed specifically for applications meeting the ST506, ST412, and ESDI disk drive standards. In addition, these devices meet the requirements of the EIA standard RS-422.

The DS8921x receivers offer an input sensitivity of 200 mV over a &plsumn;7 V common mode operating range. Hysteresis is incorporated (typically 70 mV) to improve noise margin for slowly changing input waveforms.

The DS8921x drivers are designed to provide unipolar differential drive to twisted-pair or parallel wire transmission lines. Complementary outputs are logically ANDed and provide an output skew of 0.5 ns (typical) with propagation delays of 12 ns.

The DS8921x devices are designed to be compatible with TTL and CMOS.

The DS8921, DS8921A, and DS8921AT devices are differential line driver and receiver pairs designed specifically for applications meeting the ST506, ST412, and ESDI disk drive standards. In addition, these devices meet the requirements of the EIA standard RS-422.

The DS8921x receivers offer an input sensitivity of 200 mV over a &plsumn;7 V common mode operating range. Hysteresis is incorporated (typically 70 mV) to improve noise margin for slowly changing input waveforms.

The DS8921x drivers are designed to provide unipolar differential drive to twisted-pair or parallel wire transmission lines. Complementary outputs are logically ANDed and provide an output skew of 0.5 ns (typical) with propagation delays of 12 ns.

The DS8921x devices are designed to be compatible with TTL and CMOS.

Subscribe to Welllinkchips !
Your Name
* Email
Submit a request