0
TPS23751
  • TPS23751
  • TPS23751
  • TPS23751

TPS23751

ACTIVE

IEEE 802.3at PoE interface with flyback DC-DC controller

Texas Instruments TPS23751 Product Info

1 April 2026 0

Parameters

PoE standards supported

802.3at Type 1 (802.3af), 802.3at Type 2

PD power level

13W, 25W

DC/DC control

PD and DC/DC

Vin (max) (V)

57

Vin (min) (V)

9.2

PoE current limit (min) (mA)

850

PoE inrush limit (mA) (typ) (A)

0.14

rDS(on) per FET (typ) (mΩ)

450

Features

Primary-side adapter priority, Thermal shutdown, VFO

Fault response

Auto Retry

Operating temperature range (°C)

-40 to 85

Rating

Catalog

Package

HTSSOP (PWP)-16-32 mm² 5 x 6.4

Features

  • IEEE 802.3at Classification With Status Flag
  • High Efficiency Solutions Over Wide Load Range
  • Powers Up to 25.5 W PDs
  • Robust 100 V, 0.5 Ω Hotswap MOSFET
  • Synchronous Rectifier Disable Signal
  • PowerPAD™ TSSOP Packages
  • Complete PoE Interface Plus DC-DC Controller
  • Adapter ORing Support
  • Programmable Frequency
  • TPS23752 Supports Ultra-Low Power Sleep Modes
  • –40°C to 125°C Junction Temperature Range
  • IEEE 802.3at Classification With Status Flag
  • High Efficiency Solutions Over Wide Load Range
  • Powers Up to 25.5 W PDs
  • Robust 100 V, 0.5 Ω Hotswap MOSFET
  • Synchronous Rectifier Disable Signal
  • PowerPAD™ TSSOP Packages
  • Complete PoE Interface Plus DC-DC Controller
  • Adapter ORing Support
  • Programmable Frequency
  • TPS23752 Supports Ultra-Low Power Sleep Modes
  • –40°C to 125°C Junction Temperature Range

Description

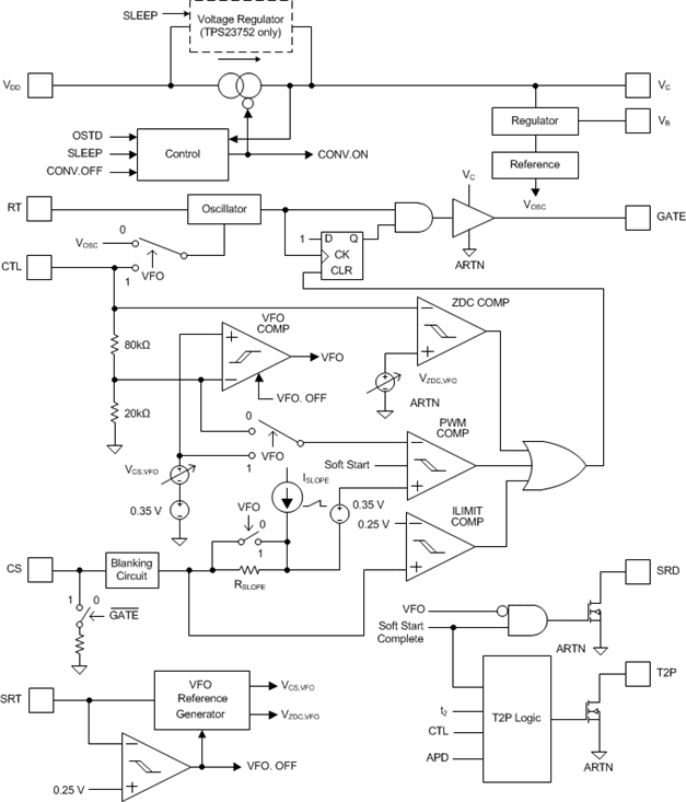
The TPS23751 is a 16-pin integrated circuit that combines a Power-over-Ethernet (PoE) powered device (PD) interface and a current-mode DC-DC controller optimized specifically for applications requiring high efficiency over a wide load range.

The PoE interface implements type-2 hardware classification per IEEE 802.3at. It also includes an auxiliary power detect (APD) input and a disable function (DEN). A 0.5-Ω, 100-V pass MOSFET minimizes heat dissipation and maximizes power utilization.

The DC-DC controller features internal soft-start, a bootstrap startup current source, current-mode control with slope compensation, blanking, and current limiting. Efficiency is enhanced at light loads by disabling synchronous rectification and entering variable frequency operation (VFO).

The TPS23752 is a 20-pin extended version of the TPS23751 with the addition of a Sleep Mode feature. Sleep Mode disables the converter to minimize power consumption while still generating the Maintain Power Signature (MPS) required by IEEE802.3at.

The TPS23751 is a 16-pin integrated circuit that combines a Power-over-Ethernet (PoE) powered device (PD) interface and a current-mode DC-DC controller optimized specifically for applications requiring high efficiency over a wide load range.

The PoE interface implements type-2 hardware classification per IEEE 802.3at. It also includes an auxiliary power detect (APD) input and a disable function (DEN). A 0.5-Ω, 100-V pass MOSFET minimizes heat dissipation and maximizes power utilization.

The DC-DC controller features internal soft-start, a bootstrap startup current source, current-mode control with slope compensation, blanking, and current limiting. Efficiency is enhanced at light loads by disabling synchronous rectification and entering variable frequency operation (VFO).

The TPS23752 is a 20-pin extended version of the TPS23751 with the addition of a Sleep Mode feature. Sleep Mode disables the converter to minimize power consumption while still generating the Maintain Power Signature (MPS) required by IEEE802.3at.

Subscribe to Welllinkchips !
Your Name
* Email
Submit a request