0
TPS2660
  • TPS2660
  • TPS2660
  • TPS2660

TPS2660

ACTIVE

4.2-V to 60-V, 150mΩ, 0.1-2.23A eFuse with integrated input reverse polarity protection

Texas Instruments TPS2660 Product Info

1 April 2026 1

Parameters

Vabsmax_cont (V)

62

Vin (max) (V)

60

Vin (min) (V)

4.2

Current limit (max) (A)

2.23

Current limit (min) (A)

0.1

Features

Adjustable OVLO, Adjustable current limit, Adjustable soft start, Current monitoring, Fault output, Power good signal, Reverse current blocking when off, Short-circuit protection, Thermal shutdown, adjustable UVLO

UL recognition

IEC62368, UL2367

Overcurrent response

Circuit breaker, Current limiting

Fault response

Auto-retry, Latch-off

Ron (typ) (mΩ)

150

Overvoltage response

Clamp, Cut-off

Rating

Catalog

Soft start

Adjustable

Quiescent current (Iq) (typ) (A)

0.0003

Quiescent current (Iq) (max) (A)

0.00039

Device type

eFuses and hot swap controllers

TI functional safety category

Functional Safety-Capable

Operating temperature range (°C)

-40 to 125

Package

HTSSOP (PWP)-16-32 mm² 5 x 6.4

Features

  • 4.2-V to 60-V Operating voltage, 62-V absolute maximum
  • Integrated reverse input polarity protection down to –60 V
    • Zero additional components required
  • Integrated back to back MOSFETs with 150-mΩ total RON
  • 0.1-A to 2.23-A Adjustable current limit
    (±5% accuracy at 1 A)
  • Functional safety capable
    • Documentation available to aid functional safety system design
  • Load protection during Surge (IEC 61000-4-5) with minimum external components
  • IMON current indicator output (±8.5% accuracy)
  • Low quiescent current, 300-µA in operating, 20-µA in shutdown
  • Adjustable UVLO, OVP cut off, output slew rate control
  • Reverse current blocking
  • Fixed 38-V overvoltage clamp (TPS26602 only)
  • Available in easy-to-use 16-Pin HTSSOP and 24-Pin VQFN packages
  • Selectable current-limiting fault response options (Auto-Retry, Latch Off, Circuit Breaker Modes)
  • UL 2367 Recognized
    • File No. 169910
    • RILIM ≥ 5.36 kΩ (2.35-A maximum)
  • UL60950 - Safe during single point failure test
    • Open/Short ILIM detection
  • 4.2-V to 60-V Operating voltage, 62-V absolute maximum
  • Integrated reverse input polarity protection down to –60 V
    • Zero additional components required
  • Integrated back to back MOSFETs with 150-mΩ total RON
  • 0.1-A to 2.23-A Adjustable current limit
    (±5% accuracy at 1 A)
  • Functional safety capable
    • Documentation available to aid functional safety system design
  • Load protection during Surge (IEC 61000-4-5) with minimum external components
  • IMON current indicator output (±8.5% accuracy)
  • Low quiescent current, 300-µA in operating, 20-µA in shutdown
  • Adjustable UVLO, OVP cut off, output slew rate control
  • Reverse current blocking
  • Fixed 38-V overvoltage clamp (TPS26602 only)
  • Available in easy-to-use 16-Pin HTSSOP and 24-Pin VQFN packages
  • Selectable current-limiting fault response options (Auto-Retry, Latch Off, Circuit Breaker Modes)
  • UL 2367 Recognized
    • File No. 169910
    • RILIM ≥ 5.36 kΩ (2.35-A maximum)
  • UL60950 - Safe during single point failure test
    • Open/Short ILIM detection

Description

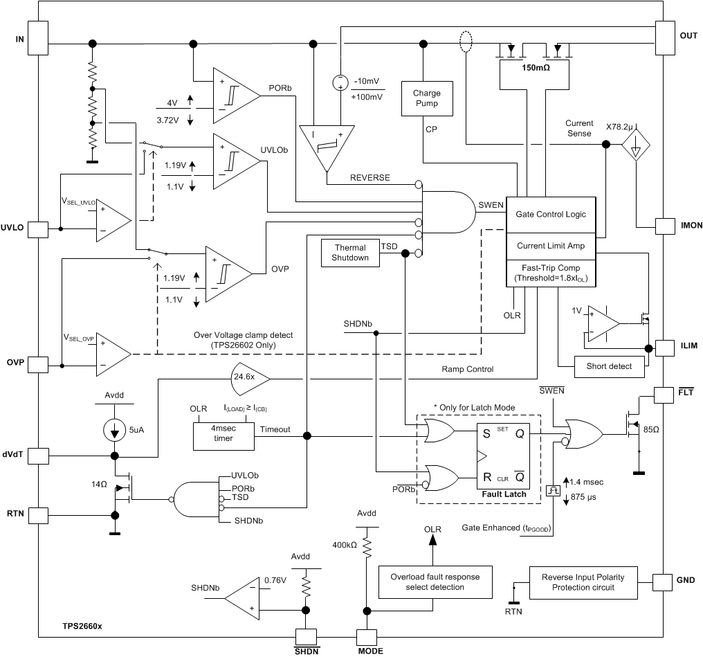
The TPS2660x devices are compact, feature rich high voltage eFuses with a full suite of protection features. The wide supply input range of 4.2 to 60 V allows control of many popular DC bus voltages. The device can withstand and protect the loads from positive and negative supply voltages up to ±60 V. Integrated back to back FETs provide reverse current blocking feature making the device suitable for systems with output voltage holdup requirements during power fail and brownout conditions. Load, source and device protection are provided with many adjustable features including overcurrent, output slew rate and overvoltage, undervoltage thresholds. The internal robust protection control blocks along with the high voltage rating of the TPS2660x helps to simplify the system designs for Surge protection.

A shutdown pin provides external control for enabling and disabling the internal FETs as well as placing the device in a low current shutdown mode. For system status monitoring and downstream load control, the device provides fault and precise current monitor output. The MODE pin allows flexibility to configure the device between the three current-limiting fault responses (circuit breaker, latch off, and Auto-retry modes).

The devices are available in a 5-mm × 4.4-mm 16-pin HTSSOP as well as 5-mm x 4-mm 24-pin VQFN package and are specified over a –40°C to +125°C temperature range.

The TPS2660x devices are compact, feature rich high voltage eFuses with a full suite of protection features. The wide supply input range of 4.2 to 60 V allows control of many popular DC bus voltages. The device can withstand and protect the loads from positive and negative supply voltages up to ±60 V. Integrated back to back FETs provide reverse current blocking feature making the device suitable for systems with output voltage holdup requirements during power fail and brownout conditions. Load, source and device protection are provided with many adjustable features including overcurrent, output slew rate and overvoltage, undervoltage thresholds. The internal robust protection control blocks along with the high voltage rating of the TPS2660x helps to simplify the system designs for Surge protection.

A shutdown pin provides external control for enabling and disabling the internal FETs as well as placing the device in a low current shutdown mode. For system status monitoring and downstream load control, the device provides fault and precise current monitor output. The MODE pin allows flexibility to configure the device between the three current-limiting fault responses (circuit breaker, latch off, and Auto-retry modes).

The devices are available in a 5-mm × 4.4-mm 16-pin HTSSOP as well as 5-mm x 4-mm 24-pin VQFN package and are specified over a –40°C to +125°C temperature range.

Subscribe to Welllinkchips !
Your Name
* Email
Submit a request