0
TPSM8A29
  • TPSM8A29
  • TPSM8A29

TPSM8A29

ACTIVE

2.7-V to 16-V input, 15-A buck power module with differential remote sense

Texas Instruments TPSM8A29 Product Info

1 April 2026 1

Parameters

Rating

Catalog

Topology

Buck

Iout (max) (A)

15

Vin (max) (V)

16

Vin (min) (V)

2.7

Vout (max) (V)

5.5

Vout (min) (V)

0.5

Features

Enable, Light-load efficiency, Overcurrent protection, Power good, Remote Sense

Operating temperature range (°C)

-40 to 125

Type

Module

Duty cycle (max) (%)

87

Control mode

D-CAP3

Switching frequency (min) (kHz)

600

Switching frequency (max) (kHz)

1000

Package

B3QFN (RDG)-25-48.75 mm² 7.5 x 6.5

Features

  • TPSM8A28: 3-V to 16-V input range up to 12 A
  • TPSM8A29: 4-V to 16-V input range up to 15 A
  • 2.7-V to 16-V input range with external bias ranging from 4.75 V to 5.3 V
  • Output voltage range: 0.6 V to 5.5 V
  • Integrated MOSFET, inductor, and basic passives
  • D-CAP3™ control mode with fast load-step response
  • Supports all ceramic output capacitors
  • 0.6-V reference voltage has ±1% tolerance from –40°C to +125°C junction temperature
  • Selectable FCCM or auto-skip Eco-mode™ for high light-load efficiency
  • Programmable current limit with RTRIP
  • Pin-selectable switching frequency: 600 kHz, 800 kHz, 1 MHz
  • Differential remote sense for high output accuracy
  • Programmable soft-start time
  • External reference input for tracking
  • Prebiased start-up capability
  • Open-drain power-good output
  • Hiccup for OC and UV faults, latch-off for OV faults
  • 6.5-mm × 7.5-mm × 4.0-mm, RDG package
  • Fully RoHS compliant without exemption
  • TPSM8A28: 3-V to 16-V input range up to 12 A
  • TPSM8A29: 4-V to 16-V input range up to 15 A
  • 2.7-V to 16-V input range with external bias ranging from 4.75 V to 5.3 V
  • Output voltage range: 0.6 V to 5.5 V
  • Integrated MOSFET, inductor, and basic passives
  • D-CAP3™ control mode with fast load-step response
  • Supports all ceramic output capacitors
  • 0.6-V reference voltage has ±1% tolerance from –40°C to +125°C junction temperature
  • Selectable FCCM or auto-skip Eco-mode™ for high light-load efficiency
  • Programmable current limit with RTRIP
  • Pin-selectable switching frequency: 600 kHz, 800 kHz, 1 MHz
  • Differential remote sense for high output accuracy
  • Programmable soft-start time
  • External reference input for tracking
  • Prebiased start-up capability
  • Open-drain power-good output
  • Hiccup for OC and UV faults, latch-off for OV faults
  • 6.5-mm × 7.5-mm × 4.0-mm, RDG package
  • Fully RoHS compliant without exemption

Description

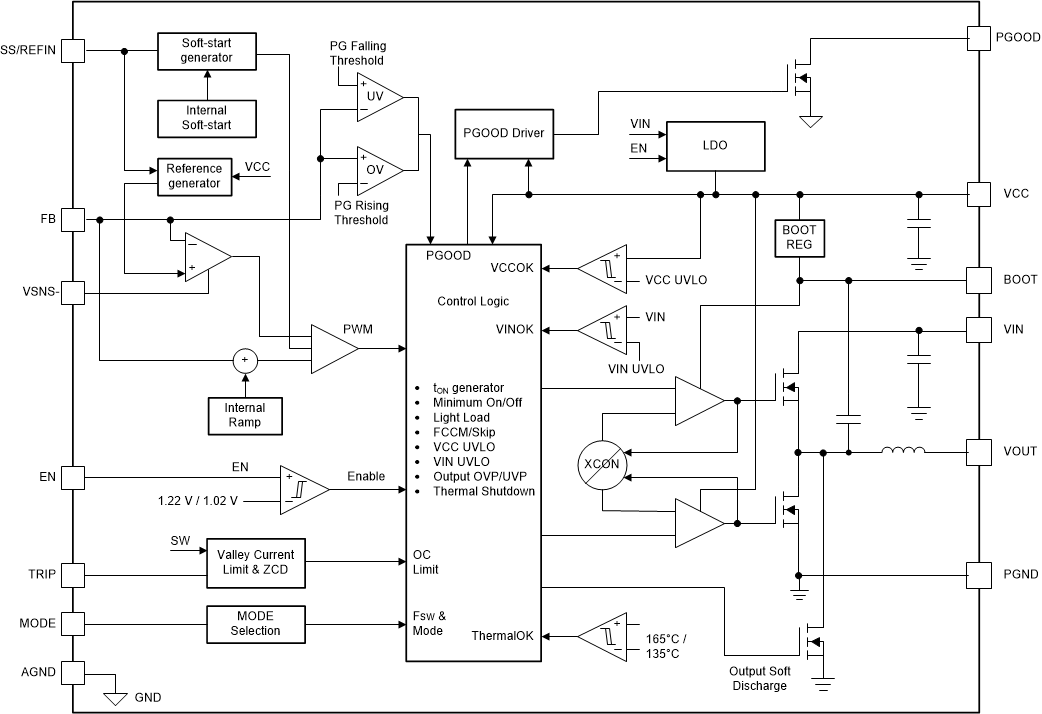
The TPSM8A28 and TPSM8A29 buck power modules are small and highly efficient. This module family contains integrates inductor and basic passives, and does not require external compensation, minimizing solution size.

Features include differential remote sense, high-performance integrated MOSFETs, and an accurate 0.6-V reference, D-CAP3™ control mode,selectable Skip-mode and programmable soft-start.

TPSM8A28 and TPSM8A29 are lead-free, and fully RoHS compliant without exemption.

The TPSM8A28 and TPSM8A29 buck power modules are small and highly efficient. This module family contains integrates inductor and basic passives, and does not require external compensation, minimizing solution size.

Features include differential remote sense, high-performance integrated MOSFETs, and an accurate 0.6-V reference, D-CAP3™ control mode,selectable Skip-mode and programmable soft-start.

TPSM8A28 and TPSM8A29 are lead-free, and fully RoHS compliant without exemption.

Subscribe to Welllinkchips !
Your Name
* Email
Submit a request