0
TMS320DM355
  • TMS320DM355
  • TMS320DM355

TMS320DM355

ACTIVE

Digital Media System-on-Chip (DMSoC)

Texas Instruments TMS320DM355 Product Info

1 April 2026 0

Parameters

Operating system

INTEGRITY, Linux, Neutrino, PrOS, Windows Embedded CE

Rating

Catalog

Operating temperature range (°C)

-40 to 100

Package

NFBGA (ZCE)-337-169 mm² 13 x 13

Features

  • Get started today with production-ready, easy-to-use audio and video codecs for digital media processors based on DaVinci™ technology. Also available are various O/S Board Support Packages and software updates. All codecs are available for FREE evaluation. REQUEST FREE SOFTWARE!
  • High-Performance Digital Media System-on-Chip (DMSoC)
  • Up to 270-MHz ARM926EJ-S™ Clock Rate
  • MPEG4/JPEG Coprocessor Supports
    • Up to 720p MPEG4 SP
    • Up to 50M Pixels per Second JPEG
  • Video Processing Subsystem
    • Hardware IPIPE for Real-Time Image Processing
    • Up to 14-bit CCD/CMOS Digital Interface
    • Histogram Module
    • Resize Image 1/16x to 8x
    • Hardware On-Screen Display
    • Supports digital HDTV (720p/1080i) output for connection to external encoder
  • Peripherals include DDR and mDDR SDRAM, 2 MMC/SD/SDIO and SmartMedia Flash Card Interfaces, USB 2.0, 3 UARTs and 3 SPIs
  • Configurable Power-Saving Modes
  • On-Chip ARM ROM Bootloader (RBL) to Boot From NAND Flash, MMC/SD, or UART
  • Extended Temperature 135- and 216-MHz Devices are Available
  • 3.3-V and 1.8-V I/O, 1.3-V Core
  • Debug Interface Support
  • 337-Pin Ball Grid Array at 65 nm Process Technology
  • High-Performance Digital Media System-on-Chip
    • 135-, 216-, and 270-MHz ARM926EJ-S Clock Rate
    • Fully Software-Compatible With ARM9
    • Extended Temperature support for 135- and 216-Mhz Devices are Available
  • ARM926EJ-S Core
    • Support for 32-Bit and 16-Bit (Thumb Mode) Instruction Sets
    • DSP Instruction Extensions and Single Cycle MAC
    • ARM® Jazelle® Technology
    • EmbeddedICE-RT™ Logic for Real-Time Debug
  • ARM9 Memory Architecture
    • 16K-Byte Instruction Cache
    • 8K-Byte Data Cache
    • 32K-Byte RAM
    • 8K-Byte ROM
    • Little Endian
  • MPEG4/JPEG Coprocessor
    • Fixed Function Coprocessor Supports:
      • MPEG4 SP Codec at HD (720p), D1, VGA, SIF
      • JPEG Codec up to 50M Pixels per Second
  • Video Processing Subsystem
    • Front End Provides:
      • Hardware IPIPE for Real-Time Processing
      • up to 14-bit CCD/CMOS Digital Interface
      • 16-/8-bit Generic YcBcR-4:2 Interface (BT.601)
      • 10-/8-bit CCIR6565/BT655 Interface
      • Up to 75-MHz Pixel Clock
      • Histogram Module
      • Resize Engine
        • Resize Images From 1/16x to 8x
        • Separate Horizontal/Vertical Control
        • Two Simultaneous Output Paths
    • Back End Provides:
      • Hardware On-Screen Display (OSD)
      • Composite NTSC/PAL video encoder output
      • 8-/16-bit YCC and Up to 18-Bit RGB666 Digital Output
      • BT.601/BT.656 Digital YCbCr 4:2:2 (8-/16-Bit) Interface
      • Supports digital HDTV (720p/1080i) output for connection to external encoder
  • External Memory Interfaces (EMIFs)
    • DDR2 and mDDR SDRAM 16-bit wide EMIF With 256 MByte Address Space (1.8-V I/O)
    • Asynchronous16-/8-bit Wide EMIF (AEMIF)
      • Flash Memory Interfaces
        • NAND (8-/16-bit Wide Data)
        • OneNAND(16-bit Wide Data)
  • Flash Card Interfaces
    • Two Multimedia Card (MMC) / Secure Digital (SD/SDIO)
    • SmartMedia
  • Enhanced Direct-Memory-Access (EDMA) Controller (64 Independent Channels)
  • USB Port with Integrated 2.0 High-Speed PHY that Supports
    • USB 2.0 Full and High-Speed Device
    • USB 2.0 Low, Full, and High-Speed Host
  • Three 64-Bit General-Purpose Timers (each configurable as two 32-bit timers)
  • One 64-Bit Watch Dog Timer
  • Three UARTs (One fast UART with RTS and CTS Flow Control)
  • Three Serial Port Interfaces (SPI) each with two Chip-Selects
  • One Master/Slave Inter-Integrated Circuit (I2C) Bus®
  • Two Audio Serial Port (ASP)
    • I2S and TDM I2S
    • AC97 Audio Codec Interface
    • S/PDIF via Software
    • Standard Voice Codec Interface (AIC12)
    • SPI Protocol (Master Mode Only)
  • Four Pulse Width Modulator (PWM) Outputs
  • Four RTO (Real Time Out) Outputs
  • Up to 104 General-Purpose I/O (GPIO) Pins (Multiplexed with Other Device Functions)
  • On-Chip ARM ROM Bootloader (RBL) to Boot From NAND Flash, MMC/SD, or UART
  • Configurable Power-Saving Modes
  • Crystal or External Clock Input (typically 24 MHz or 36 MHz)
  • Flexible PLL Clock Generators
  • Debug Interface Support
    • IEEE-1149.1 (JTAG) Boundary-Scan-Compatible
    • ETB (Embedded Trace Buffer) with 4K-Bytes Trace Buffer memory
    • Device Revision ID Readable by ARM
  • 337-Pin Ball Grid Array (BGA) Package (ZCE Suffix), 0.65-mm Ball Pitch
  • 90nm Process Technology
  • 3.3-V and 1.8-V I/O, 1.3-V Internal

Windows is a trademark of Microsoft.
All other trademarks are the property of their respective owners.

  • Get started today with production-ready, easy-to-use audio and video codecs for digital media processors based on DaVinci™ technology. Also available are various O/S Board Support Packages and software updates. All codecs are available for FREE evaluation. REQUEST FREE SOFTWARE!
  • High-Performance Digital Media System-on-Chip (DMSoC)
  • Up to 270-MHz ARM926EJ-S™ Clock Rate
  • MPEG4/JPEG Coprocessor Supports
    • Up to 720p MPEG4 SP
    • Up to 50M Pixels per Second JPEG
  • Video Processing Subsystem
    • Hardware IPIPE for Real-Time Image Processing
    • Up to 14-bit CCD/CMOS Digital Interface
    • Histogram Module
    • Resize Image 1/16x to 8x
    • Hardware On-Screen Display
    • Supports digital HDTV (720p/1080i) output for connection to external encoder
  • Peripherals include DDR and mDDR SDRAM, 2 MMC/SD/SDIO and SmartMedia Flash Card Interfaces, USB 2.0, 3 UARTs and 3 SPIs
  • Configurable Power-Saving Modes
  • On-Chip ARM ROM Bootloader (RBL) to Boot From NAND Flash, MMC/SD, or UART
  • Extended Temperature 135- and 216-MHz Devices are Available
  • 3.3-V and 1.8-V I/O, 1.3-V Core
  • Debug Interface Support
  • 337-Pin Ball Grid Array at 65 nm Process Technology
  • High-Performance Digital Media System-on-Chip
    • 135-, 216-, and 270-MHz ARM926EJ-S Clock Rate
    • Fully Software-Compatible With ARM9
    • Extended Temperature support for 135- and 216-Mhz Devices are Available
  • ARM926EJ-S Core
    • Support for 32-Bit and 16-Bit (Thumb Mode) Instruction Sets
    • DSP Instruction Extensions and Single Cycle MAC
    • ARM® Jazelle® Technology
    • EmbeddedICE-RT™ Logic for Real-Time Debug
  • ARM9 Memory Architecture
    • 16K-Byte Instruction Cache
    • 8K-Byte Data Cache
    • 32K-Byte RAM
    • 8K-Byte ROM
    • Little Endian
  • MPEG4/JPEG Coprocessor
    • Fixed Function Coprocessor Supports:
      • MPEG4 SP Codec at HD (720p), D1, VGA, SIF
      • JPEG Codec up to 50M Pixels per Second
  • Video Processing Subsystem
    • Front End Provides:
      • Hardware IPIPE for Real-Time Processing
      • up to 14-bit CCD/CMOS Digital Interface
      • 16-/8-bit Generic YcBcR-4:2 Interface (BT.601)
      • 10-/8-bit CCIR6565/BT655 Interface
      • Up to 75-MHz Pixel Clock
      • Histogram Module
      • Resize Engine
        • Resize Images From 1/16x to 8x
        • Separate Horizontal/Vertical Control
        • Two Simultaneous Output Paths
    • Back End Provides:
      • Hardware On-Screen Display (OSD)
      • Composite NTSC/PAL video encoder output
      • 8-/16-bit YCC and Up to 18-Bit RGB666 Digital Output
      • BT.601/BT.656 Digital YCbCr 4:2:2 (8-/16-Bit) Interface
      • Supports digital HDTV (720p/1080i) output for connection to external encoder
  • External Memory Interfaces (EMIFs)
    • DDR2 and mDDR SDRAM 16-bit wide EMIF With 256 MByte Address Space (1.8-V I/O)
    • Asynchronous16-/8-bit Wide EMIF (AEMIF)
      • Flash Memory Interfaces
        • NAND (8-/16-bit Wide Data)
        • OneNAND(16-bit Wide Data)
  • Flash Card Interfaces
    • Two Multimedia Card (MMC) / Secure Digital (SD/SDIO)
    • SmartMedia
  • Enhanced Direct-Memory-Access (EDMA) Controller (64 Independent Channels)
  • USB Port with Integrated 2.0 High-Speed PHY that Supports
    • USB 2.0 Full and High-Speed Device
    • USB 2.0 Low, Full, and High-Speed Host
  • Three 64-Bit General-Purpose Timers (each configurable as two 32-bit timers)
  • One 64-Bit Watch Dog Timer
  • Three UARTs (One fast UART with RTS and CTS Flow Control)
  • Three Serial Port Interfaces (SPI) each with two Chip-Selects
  • One Master/Slave Inter-Integrated Circuit (I2C) Bus®
  • Two Audio Serial Port (ASP)
    • I2S and TDM I2S
    • AC97 Audio Codec Interface
    • S/PDIF via Software
    • Standard Voice Codec Interface (AIC12)
    • SPI Protocol (Master Mode Only)
  • Four Pulse Width Modulator (PWM) Outputs
  • Four RTO (Real Time Out) Outputs
  • Up to 104 General-Purpose I/O (GPIO) Pins (Multiplexed with Other Device Functions)
  • On-Chip ARM ROM Bootloader (RBL) to Boot From NAND Flash, MMC/SD, or UART
  • Configurable Power-Saving Modes
  • Crystal or External Clock Input (typically 24 MHz or 36 MHz)
  • Flexible PLL Clock Generators
  • Debug Interface Support
    • IEEE-1149.1 (JTAG) Boundary-Scan-Compatible
    • ETB (Embedded Trace Buffer) with 4K-Bytes Trace Buffer memory
    • Device Revision ID Readable by ARM
  • 337-Pin Ball Grid Array (BGA) Package (ZCE Suffix), 0.65-mm Ball Pitch
  • 90nm Process Technology
  • 3.3-V and 1.8-V I/O, 1.3-V Internal

Windows is a trademark of Microsoft.
All other trademarks are the property of their respective owners.

Description

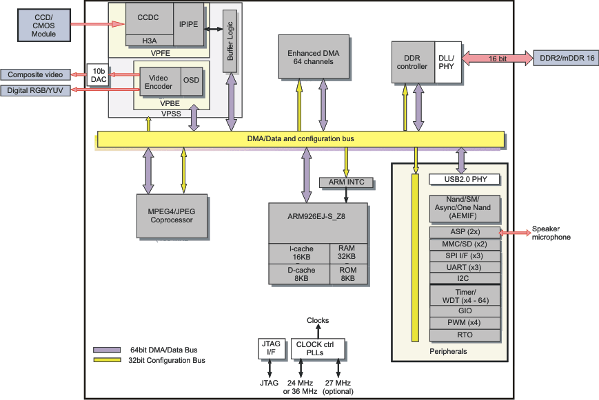
The DM355 is a highly integrated, programmable platform for digital still camera, digital photo frames, IP security cameras, 4-channel digital video recorders, video door bell application, and other low cost portable digital video applications. Designed to offer portable video designers and manufacturers the ability to produce affordable portable digital video solutions with high picture quality, the DM355 combines high performance MPEG4 HD (720p) codecs and JPEG codecs up to 50M pixels per second, high quality, and low power consumption at a very low price point. The DM355 also enables seamless interface to most additional external devices required for a complete digital camera implementation. The interface is flexible enough to support various types of CCD and CMOS sensors, signal conditioning circuits, power management, DDR/mDDR memory, SRAM, NAND, shutter, Iris and auto-focus motor controls, etc.

The DM355 processor core is an ARM926EJ-S RISC processor. The ARM926EJ-S is a 32-bit processor core that performs 32-bit and 16-bit instructions and processes 32-bit, 16-bit, and 8-bit data. The core uses pipelining so that all parts of the processor and memory system can operate continuously. The ARM core incorporates:

  • A coprocessor 15 (CP15) and protection module
  • Data and program Memory Management Units (MMUs) with table look-aside buffers.
  • Separate 16K-byte instruction and 8K-byte data caches. Both are four-way associative with virtual index virtual tag (VIVT).

DM355 performance is enhanced by its MPEG4/JPEG coprocessor. The MPEG4/JPEG coprocessor performs the computational operations required for image processing; JPEG compression and MPEG4 video and imaging standard. The MPEG4/JPEG coprocessor supports MPEG4 SP at HD (720p), D1, VGA, SIF encode/decode resolutions and JPEG encode/decode up to 50M pixels per second.

The DM355 device has a Video Processing Subsystem (VPSS) with two configurable video/imaging peripherals:

  • A Video Processing Front-End (VPFE)
  • A Video Processing Back-End (VPBE)

The VPFE port provides an interface for CCD/CMOS imager modules and video decoders. The VPBE provides hardware On Screen Display (OSD) support and composite NTSC/PAL and digital LCD output.

The DM355 peripheral set includes:

  • An inter-integrated circuit (I2C) Bus interface
  • Two audio serial ports (ASP)
  • Three 64-bit general-purpose timers each configurable as two independent 32-bit timers
  • A 64-bit watchdog timer
  • Up to 104-pins of general-purpose input/output (GPIO) with programmable interrupt/event generation modes, multiplexed with other peripherals
  • Three UARTs with hardware handshaking support on one UART
  • Three serial port Interfaces (SPI)
  • Four pulse width modulator (PWM) peripherals
  • Four real time out (RTO) outputs
  • Two Multi-Media Card / Secure Digital (MMC/SD/SDIO) interfaces
  • Wireless interfaces (Bluetooth, WLAN, WUSB) through SDIO
  • A USB 2.0 full and high-speed device and host interface
  • Two external memory interfaces:
    • An asynchronous external memory interface (AEMIF) for slower memories/peripherals such as NAND and OneNAND.
    • A high speed synchronous memory interface for DDR2/mDDR.

For software development support the DM355 has a complete set of ARM development tools which include: C compilers, assembly optimizers to simplify programming and scheduling, and a Windows™ debugger interface for visibility into source code execution.

The DM355 is a highly integrated, programmable platform for digital still camera, digital photo frames, IP security cameras, 4-channel digital video recorders, video door bell application, and other low cost portable digital video applications. Designed to offer portable video designers and manufacturers the ability to produce affordable portable digital video solutions with high picture quality, the DM355 combines high performance MPEG4 HD (720p) codecs and JPEG codecs up to 50M pixels per second, high quality, and low power consumption at a very low price point. The DM355 also enables seamless interface to most additional external devices required for a complete digital camera implementation. The interface is flexible enough to support various types of CCD and CMOS sensors, signal conditioning circuits, power management, DDR/mDDR memory, SRAM, NAND, shutter, Iris and auto-focus motor controls, etc.

The DM355 processor core is an ARM926EJ-S RISC processor. The ARM926EJ-S is a 32-bit processor core that performs 32-bit and 16-bit instructions and processes 32-bit, 16-bit, and 8-bit data. The core uses pipelining so that all parts of the processor and memory system can operate continuously. The ARM core incorporates:

  • A coprocessor 15 (CP15) and protection module
  • Data and program Memory Management Units (MMUs) with table look-aside buffers.
  • Separate 16K-byte instruction and 8K-byte data caches. Both are four-way associative with virtual index virtual tag (VIVT).

DM355 performance is enhanced by its MPEG4/JPEG coprocessor. The MPEG4/JPEG coprocessor performs the computational operations required for image processing; JPEG compression and MPEG4 video and imaging standard. The MPEG4/JPEG coprocessor supports MPEG4 SP at HD (720p), D1, VGA, SIF encode/decode resolutions and JPEG encode/decode up to 50M pixels per second.

The DM355 device has a Video Processing Subsystem (VPSS) with two configurable video/imaging peripherals:

  • A Video Processing Front-End (VPFE)
  • A Video Processing Back-End (VPBE)

The VPFE port provides an interface for CCD/CMOS imager modules and video decoders. The VPBE provides hardware On Screen Display (OSD) support and composite NTSC/PAL and digital LCD output.

The DM355 peripheral set includes:

  • An inter-integrated circuit (I2C) Bus interface
  • Two audio serial ports (ASP)
  • Three 64-bit general-purpose timers each configurable as two independent 32-bit timers
  • A 64-bit watchdog timer
  • Up to 104-pins of general-purpose input/output (GPIO) with programmable interrupt/event generation modes, multiplexed with other peripherals
  • Three UARTs with hardware handshaking support on one UART
  • Three serial port Interfaces (SPI)
  • Four pulse width modulator (PWM) peripherals
  • Four real time out (RTO) outputs
  • Two Multi-Media Card / Secure Digital (MMC/SD/SDIO) interfaces
  • Wireless interfaces (Bluetooth, WLAN, WUSB) through SDIO
  • A USB 2.0 full and high-speed device and host interface
  • Two external memory interfaces:
    • An asynchronous external memory interface (AEMIF) for slower memories/peripherals such as NAND and OneNAND.
    • A high speed synchronous memory interface for DDR2/mDDR.

For software development support the DM355 has a complete set of ARM development tools which include: C compilers, assembly optimizers to simplify programming and scheduling, and a Windows™ debugger interface for visibility into source code execution.

Subscribe to Welllinkchips !
Your Name
* Email
Submit a request