0
CSD25402Q3A
  • CSD25402Q3A
  • CSD25402Q3A

CSD25402Q3A

ACTIVE

-20-V, P channel NexFET™ power MOSFET, single SON 3 mm x 3 mm, 8.9 mOhm

Texas Instruments CSD25402Q3A Product Info

1 April 2026 1

Parameters

VDS (V)

-20

VGS (V)

-12

Type

P-channel

Configuration

Single

Rds(on) at VGS=4.5 V (max) (mΩ)

8.9

Rds(on) at VGS=2.5 V (max) (mΩ)

15.9

VGSTH typ (typ) (V)

-0.9

QG (typ) (nC)

7.5

QGD (typ) (nC)

1.1

QGS (typ) (nC)

2.4

ID - silicon limited at TC=25°C (A)

-72

Logic level

Yes

Rating

Catalog

Operating temperature range (°C)

-55 to 150

Package

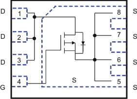
VSONP (DNH)-8-10.89 mm² 3.3 x 3.3

Features

  • Ultra-Low Qg and Qgd
  • Low Thermal Resistance
  • Low RDS(on)
  • Pb and Halogen Free
  • RoHS Compliant
  • SON 3.3 mm × 3.3 mm Plastic Package
  • Ultra-Low Qg and Qgd
  • Low Thermal Resistance
  • Low RDS(on)
  • Pb and Halogen Free
  • RoHS Compliant
  • SON 3.3 mm × 3.3 mm Plastic Package

Description

This -20-V, 7.7-mΩ NexFET power MOSFET is designed to minimize losses in power conversion load management applications with a SON 3.3 mm × 3.3 mm package that offers an excellent thermal performance for the size of the device.

This -20-V, 7.7-mΩ NexFET power MOSFET is designed to minimize losses in power conversion load management applications with a SON 3.3 mm × 3.3 mm package that offers an excellent thermal performance for the size of the device.

Subscribe to Welllinkchips !
Your Name
* Email
Submit a request