0
TLV62150A
  • TLV62150A
  • TLV62150A

TLV62150A

ACTIVE

4-17V, 1A STEP-DOWN CONVERTER with DCS-Control in 3x3 QFN Package

Texas Instruments TLV62150A Product Info

1 April 2026 0

Parameters

Rating

Catalog

Topology

Buck

Iout (max) (A)

1

Vin (max) (V)

17

Vin (min) (V)

4

Vout (max) (V)

5.25

Vout (min) (V)

0.9

Features

Enable, Light Load Efficiency, Output discharge, Power good, Synchronous Rectification, Tracking, Voltage Margining

Control mode

Constant on-time (COT), DCS-Control

Operating temperature range (°C)

-40 to 85

Iq (typ) (A)

0.000019

Duty cycle (max) (%)

100

Package

VQFN (RGT)-16-9 mm² 3 x 3

Features

  • DCS-Control™ Topology
  • Input Voltage Range: 4 V to 17 V
  • Up to 1-A Output Current
  • Adjustable Output Voltage from 0.9 to 5 V
  • Pin-Selectable Output Voltage (nominal, + 5%)
  • Programmable Soft Start and Tracking
  • Seamless Power Save Mode Transition
  • Quiescent Current of 19 µA (Typical)
  • Selectable Operating Frequency
  • Power Good Output
  • 100% Duty Cycle Mode
  • Short Circuit Protection
  • Over Temperature Protection
  • For Improved Feature Set, see TPS62150
  • Pin to Pin compatible with TLV62130
  • Available in a 3-mm × 3-mm, VQFN-16 Package
  • DCS-Control™ Topology
  • Input Voltage Range: 4 V to 17 V
  • Up to 1-A Output Current
  • Adjustable Output Voltage from 0.9 to 5 V
  • Pin-Selectable Output Voltage (nominal, + 5%)
  • Programmable Soft Start and Tracking
  • Seamless Power Save Mode Transition
  • Quiescent Current of 19 µA (Typical)
  • Selectable Operating Frequency
  • Power Good Output
  • 100% Duty Cycle Mode
  • Short Circuit Protection
  • Over Temperature Protection
  • For Improved Feature Set, see TPS62150
  • Pin to Pin compatible with TLV62130
  • Available in a 3-mm × 3-mm, VQFN-16 Package

Description

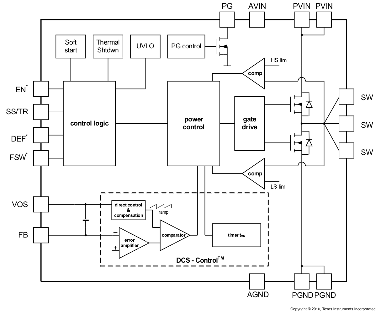
The TLV62150x device is an easy-to-use synchronous step-down DC-DC converter optimized for applications with high power density. A high switching frequency of typically 2.5 MHz allows the use of small inductors and provides fast transient response as well as high output voltage accuracy by use of the DCS-Control™ topology.

With their wide operating input voltage range of 4 V to 17 V, the devices are ideally suited for systems powered from either a Li-Ion or other batteries as well as from 12 V intermediate power rails. It supports up to 1-A continuous output current at output voltages between 0.9 V and 5 V (with 100% duty cycle mode).

The output voltage startup ramp is controlled by the soft-start pin, which allows operation as either a standalone power supply or in tracking configurations. Power sequencing is also possible by configuring the Enable and open-drain Power Good pins.

In Power Save Mode, the devices draw quiescent current of about 19 µA from VIN. Power Save Mode, entered automatically and seamlessly if load is small, maintains high efficiency over the entire load range. In Shutdown Mode, the device is turned off and shutdown current consumption is less than 2 µA.

The devices is packaged in a 16-pin VQFN package measuring 3 mm × 3 mm (RGT).

The TLV62150x device is an easy-to-use synchronous step-down DC-DC converter optimized for applications with high power density. A high switching frequency of typically 2.5 MHz allows the use of small inductors and provides fast transient response as well as high output voltage accuracy by use of the DCS-Control™ topology.

With their wide operating input voltage range of 4 V to 17 V, the devices are ideally suited for systems powered from either a Li-Ion or other batteries as well as from 12 V intermediate power rails. It supports up to 1-A continuous output current at output voltages between 0.9 V and 5 V (with 100% duty cycle mode).

The output voltage startup ramp is controlled by the soft-start pin, which allows operation as either a standalone power supply or in tracking configurations. Power sequencing is also possible by configuring the Enable and open-drain Power Good pins.

In Power Save Mode, the devices draw quiescent current of about 19 µA from VIN. Power Save Mode, entered automatically and seamlessly if load is small, maintains high efficiency over the entire load range. In Shutdown Mode, the device is turned off and shutdown current consumption is less than 2 µA.

The devices is packaged in a 16-pin VQFN package measuring 3 mm × 3 mm (RGT).

Subscribe to Welllinkchips !
Your Name
* Email
Submit a request