0
ONET1131EC
  • ONET1131EC
  • ONET1131EC

ONET1131EC

ACTIVE

Externally modulated laser driver with integrated clock & data recovery (CDR)

Texas Instruments ONET1131EC Product Info

1 April 2026 1

Parameters

Type

CDR and transceiver

Data rate (max) (Mbps)

10000

Features

2-wire digital interface control, APC loop, CDR bypass modes, Optical and electrcial loopback modes, Pin compatible to the ONET1130EP, TX input equalizer

Supply current (typ) (µA)

200000

Imod (A)

0.15

Supply current (max) (µA)

200000

Deterministic jitter (typ) (ps)

4

Operating temperature range (°C)

-40 to 100

Package

VQFN (RSM)-32-16 mm² 4 x 4

Features

  • Modulator Driver with Minimum Output Amplitude up to 2 Vpp Single-Ended and Bias Current up to 150 mA Source
  • Supports Externally Modulated Lasers Including the Electro-Absorption Modulator Lasers (EML) and the Mach-Zahnder Modulator (MZM) Based lasers
  • Integrated CDR with 9.80 – 11.7 Gbps Reference-Free Operation
  • Two-Wire Digital Interface with Integrated DACs and ADC for Control and Diagnostic Management
  • Output Polarity Select
  • Programmable Jitter Transfer Bandwidth to Adjust CDR Bandwidth
  • CDR Bypass Mode for Low Data Rate Operation
  • Automatic Power Control (APC) Loop with Selectable Monitor PD Range
  • Programmable Transmit Input Equalizer
  • Transmitter Cross-Point Adjust and De-Emphasis
  • Includes Laser Safety Features
  • Power Supply Monitor and Temperature Sensor
  • Single 2.5 V Supply
  • –40°C to 100°C Operation
  • Surface Mount 4 mm × 4 mm 32-Pin QFN Package with 0.4 mm Pitch
  • Modulator Driver with Minimum Output Amplitude up to 2 Vpp Single-Ended and Bias Current up to 150 mA Source
  • Supports Externally Modulated Lasers Including the Electro-Absorption Modulator Lasers (EML) and the Mach-Zahnder Modulator (MZM) Based lasers
  • Integrated CDR with 9.80 – 11.7 Gbps Reference-Free Operation
  • Two-Wire Digital Interface with Integrated DACs and ADC for Control and Diagnostic Management
  • Output Polarity Select
  • Programmable Jitter Transfer Bandwidth to Adjust CDR Bandwidth
  • CDR Bypass Mode for Low Data Rate Operation
  • Automatic Power Control (APC) Loop with Selectable Monitor PD Range
  • Programmable Transmit Input Equalizer
  • Transmitter Cross-Point Adjust and De-Emphasis
  • Includes Laser Safety Features
  • Power Supply Monitor and Temperature Sensor
  • Single 2.5 V Supply
  • –40°C to 100°C Operation
  • Surface Mount 4 mm × 4 mm 32-Pin QFN Package with 0.4 mm Pitch

Description

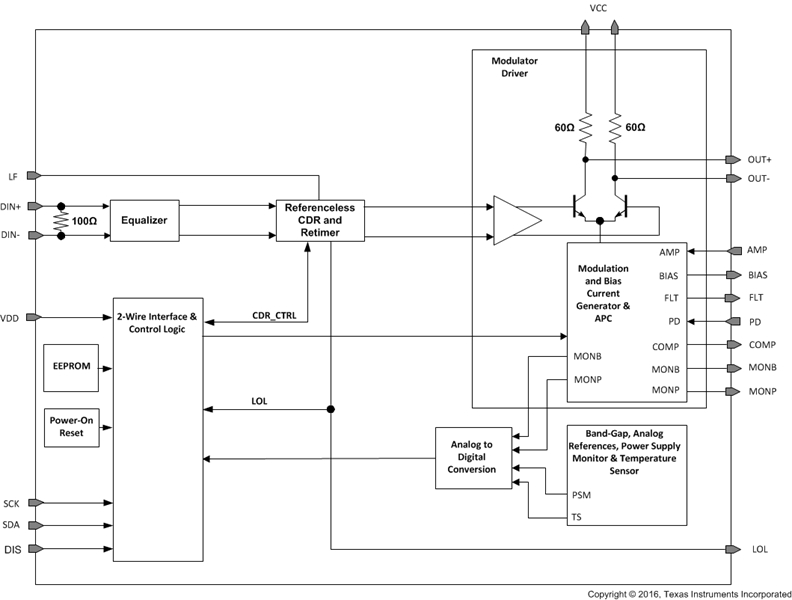
The ONET1131EC is a 2.5-V EML modulator driver with transmit clock and data recovery (CDR) designed to operate between 9.8 Gbps and 11.7 Gbps without the need for a reference clock. CDR bypass mode can be used for operation at lower data rates and a two-wire serial interface allows digital control of features like output polarity select and input equalization.

The transmit path consists of an adjustable input equalizer for equalization of up to 300 mm (12 inches) of microstrip or stripline transmission line of FR4 printed circuit boards, a multi-rate CDR and an output modulator driver. Output waveform control, in the form of cross-point adjustment and de-emphasis, is available to improve the optical eye mask margin. The device provides bias current for the laser and an integrated automatic power control (APC) loop to compensate for variations in average optical power over voltage, temperature and time.

The ONET1131EC contains internal analog to digital and digital to analog converters to support transceiver management and eliminate the need for special purpose microcontrollers.

The ONET1131EC is a 2.5-V EML modulator driver with transmit clock and data recovery (CDR) designed to operate between 9.8 Gbps and 11.7 Gbps without the need for a reference clock. CDR bypass mode can be used for operation at lower data rates and a two-wire serial interface allows digital control of features like output polarity select and input equalization.

The transmit path consists of an adjustable input equalizer for equalization of up to 300 mm (12 inches) of microstrip or stripline transmission line of FR4 printed circuit boards, a multi-rate CDR and an output modulator driver. Output waveform control, in the form of cross-point adjustment and de-emphasis, is available to improve the optical eye mask margin. The device provides bias current for the laser and an integrated automatic power control (APC) loop to compensate for variations in average optical power over voltage, temperature and time.

The ONET1131EC contains internal analog to digital and digital to analog converters to support transceiver management and eliminate the need for special purpose microcontrollers.

Subscribe to Welllinkchips !
Your Name
* Email
Submit a request