0
PCA9554
  • PCA9554
  • PCA9554
  • PCA9554
  • PCA9554
  • PCA9554
  • PCA9554

PCA9554

ACTIVE

8-bit 2.3- to 5.5-V I2C/SMBus I/O expander with interrupt, weak pull-up & config registers

Texas Instruments PCA9554 Product Info

1 April 2026 1

Parameters

Number of I/Os

8

Features

Configuration registers, Interrupt pin

Supply voltage (min) (V)

2.3

Supply voltage (max) (V)

5.5

Addresses

8

Rating

Catalog

Frequency (max) (MHz)

0.4

Operating temperature range (°C)

-40 to 85

Package

SOIC (DW)-16-106.09 mm² 10.3 x 10.3

Features

  • I2C to Parallel Port Expander
  • Open-Drain Active-Low Interrupt Output
  • Operating Power-Supply Voltage Range of 2.3 V to 5.5 V
  • 5-V Tolerant I/Os
  • 400-kHz Fast I2C Bus
  • Three Hardware Address Pins Allow up to Eight Devices on the I2C/SMBus
  • Input/Output Configuration Register
  • Polarity Inversion Register
  • Internal Power-On Reset
  • Power-Up With All Channels Configured as Inputs
  • No Glitch On Power Up
  • Latched Outputs With High-Current Drive Maximum Capability for Directly Driving LEDs
  • Latch-Up Performance Exceeds 100 mA Per JESD 78, Class II
  • ESD Protection Exceeds JESD 22
    • 2000-V Human-Body Model (A114-A)
    • 200-V Machine Model (A115-A)
    • 1000-V Charged-Device Model (C101)
  • I2C to Parallel Port Expander
  • Open-Drain Active-Low Interrupt Output
  • Operating Power-Supply Voltage Range of 2.3 V to 5.5 V
  • 5-V Tolerant I/Os
  • 400-kHz Fast I2C Bus
  • Three Hardware Address Pins Allow up to Eight Devices on the I2C/SMBus
  • Input/Output Configuration Register
  • Polarity Inversion Register
  • Internal Power-On Reset
  • Power-Up With All Channels Configured as Inputs
  • No Glitch On Power Up
  • Latched Outputs With High-Current Drive Maximum Capability for Directly Driving LEDs
  • Latch-Up Performance Exceeds 100 mA Per JESD 78, Class II
  • ESD Protection Exceeds JESD 22
    • 2000-V Human-Body Model (A114-A)
    • 200-V Machine Model (A115-A)
    • 1000-V Charged-Device Model (C101)

Description

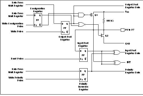
INT can be connected to the interrupt input of a microcontroller. By sending an interrupt signal on this line, the remote I/O can inform the microcontroller if there is incoming data on its ports without having to communicate via the I2C bus. Thus, the PCA9554 can remain a simple slave device.

The device’s outputs (latched) have high-current drive capability for directly driving LEDs and low current consumption.

Three hardware pins (A0, A1, and A2) are used to program and vary the fixed I2C address and allow up to eight devices to share the same I2C bus or SMBus.

The PCA9554 is pin-to-pin and I2C address compatible with the PCF8574. However, software changes are required, due to the enhancements in the PCA9554 over the PCF8574.

The PCA9554 and PCA9554A are identical except for their fixed I2C address. This allows for up to 16 of these devices (eight of each) on the same I2C/SMBus.

INT can be connected to the interrupt input of a microcontroller. By sending an interrupt signal on this line, the remote I/O can inform the microcontroller if there is incoming data on its ports without having to communicate via the I2C bus. Thus, the PCA9554 can remain a simple slave device.

The device’s outputs (latched) have high-current drive capability for directly driving LEDs and low current consumption.

Three hardware pins (A0, A1, and A2) are used to program and vary the fixed I2C address and allow up to eight devices to share the same I2C bus or SMBus.

The PCA9554 is pin-to-pin and I2C address compatible with the PCF8574. However, software changes are required, due to the enhancements in the PCA9554 over the PCF8574.

The PCA9554 and PCA9554A are identical except for their fixed I2C address. This allows for up to 16 of these devices (eight of each) on the same I2C/SMBus.

Subscribe to Welllinkchips !
Your Name
* Email
Submit a request