0
TLV4082-Q1
  • TLV4082-Q1
  • TLV4082-Q1
  • TLV4082-Q1

TLV4082-Q1

ACTIVE

Automotive dual comparator with integrated reference

Texas Instruments TLV4082-Q1 Product Info

1 April 2026 1

Parameters

Number of channels

2

Output type

Open-collector, Open-drain

Propagation delay time (µs)

5.5

Vs (max) (V)

5.5

Vs (min) (V)

1.5

Rating

Automotive

Features

Fail-safe, Hysteresis, Internal Reference, POR

Iq per channel (typ) (mA)

0.002

Vos (offset voltage at 25°C) (max) (mV)

6

Rail-to-rail

In

Operating temperature range (°C)

-40 to 125

Input bias current (±) (max) (nA)

15

VICR (max) (V)

5.5

VICR (min) (V)

1.5

Package

SOT-23 (DBV)-6-8.12 mm² 2.9 x 2.8

Features

  • Qualified for automotive applications

  • AEC-Q100 qualified with the following results:
    • Device temperature grade 1: –40°C to 125°C ambient operating temperature range
    • Device HBM ESD classification level H1C
    • Device CDM ESD classification level C4B
  • Wide supply voltage range: 1.5 V to 5.5 V
  • Two-channel detectors in small packages
  • High threshold accuracy: 1% over temperature
  • Precision hysteresis: 60 mV
  • Low quiescent current: 2 µA (typ)
  • Temperature range: –40°C to +125°C
  • Push-pull (TLV4062-Q1) and open-drain (TLV4082-Q1) output options
  • Available in an SOT-23 package
  • Qualified for automotive applications

  • AEC-Q100 qualified with the following results:
    • Device temperature grade 1: –40°C to 125°C ambient operating temperature range
    • Device HBM ESD classification level H1C
    • Device CDM ESD classification level C4B
  • Wide supply voltage range: 1.5 V to 5.5 V
  • Two-channel detectors in small packages
  • High threshold accuracy: 1% over temperature
  • Precision hysteresis: 60 mV
  • Low quiescent current: 2 µA (typ)
  • Temperature range: –40°C to +125°C
  • Push-pull (TLV4062-Q1) and open-drain (TLV4082-Q1) output options
  • Available in an SOT-23 package

Description

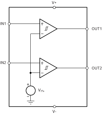
The TLV4062-Q1 and TLV4082-Q1 are a family of high-accuracy, dual-channel comparators featuring low power and small solution size. The IN1 and IN2 inputs include hysteresis to reject brief glitches, thus ensuring stable output operation without false triggering.

The TLV4062-Q1 and TLV4082-Q1 have adjustable INx inputs that can be configured by an external resistor divider pair. When the voltage at the IN1 or IN2 input goes below the falling threshold, OUT1 or OUT2 is driven low, respectively. When IN1 or IN2 rises above the rising threshold, OUT1 or OUT2 goes high, respectively.

The comparators have a very low quiescent current of 2 µA (typical) and provide a precise, space-conscious solution for low-power, voltage monitoring. The TLV4062-Q1 and TLV4082-Q1 operate from 1.5 V to 5.5 V, over the –40°C to +125°C temperature range.

The TLV4062-Q1 and TLV4082-Q1 are a family of high-accuracy, dual-channel comparators featuring low power and small solution size. The IN1 and IN2 inputs include hysteresis to reject brief glitches, thus ensuring stable output operation without false triggering.

The TLV4062-Q1 and TLV4082-Q1 have adjustable INx inputs that can be configured by an external resistor divider pair. When the voltage at the IN1 or IN2 input goes below the falling threshold, OUT1 or OUT2 is driven low, respectively. When IN1 or IN2 rises above the rising threshold, OUT1 or OUT2 goes high, respectively.

The comparators have a very low quiescent current of 2 µA (typical) and provide a precise, space-conscious solution for low-power, voltage monitoring. The TLV4062-Q1 and TLV4082-Q1 operate from 1.5 V to 5.5 V, over the –40°C to +125°C temperature range.

Subscribe to Welllinkchips !
Your Name
* Email
Submit a request