0
TL432LI-Q1
  • TL432LI-Q1
  • TL432LI-Q1

TL432LI-Q1

ACTIVE

Automotive, adjustable, precision shunt regulator with optimized reference current

Texas Instruments TL432LI-Q1 Product Info

1 April 2026 0

Parameters

Rating

Automotive

VO (V)

2.495

Initial accuracy (max) (%)

0.5, 1, 1.5

Iz for regulation (min) (µA)

400

VO adj (min) (V)

2.495

VO adj (max) (V)

36

Reference voltage (V)

adjustable

Temp coeff (max) (ppm/°C)

63

Operating temperature range (°C)

-40 to 150

Iout/Iz (max) (mA)

15

Package

SOT-23 (DBZ)-3-6.9204 mm² 2.92 x 2.37

Features

  • Qualified for automotive applications
  • AEC-Q100 qualified with the following results:
    • Device temperature grade 1: –40°C to +125°C ambient operating temperature
    • Device temperature grade 0: –40°C to +150°C ambient operating temperature
  • Reference voltage tolerance at 25°C
    • 0.5% (B grade)
    • 1% (A grade)
  • Minimum typical output voltage: 2.495 V
  • Adjustable output voltage: Vref to 36 V
  • 27 mV maximum temperature drift for grade 1
  • 34 mV maximum temperature drift for grade 0
  • 0.3-Ω typical output impedance
  • Sink-current capability
    • Imin = 0.6 mA (max)
    • IKA = 15 mA (max)
  • Reference input current IREF: 0.4 µA (max)
  • Deviation of reference input current over temperature, II(dev): 0.3 µA (max)
  • Qualified for automotive applications
  • AEC-Q100 qualified with the following results:
    • Device temperature grade 1: –40°C to +125°C ambient operating temperature
    • Device temperature grade 0: –40°C to +150°C ambient operating temperature
  • Reference voltage tolerance at 25°C
    • 0.5% (B grade)
    • 1% (A grade)
  • Minimum typical output voltage: 2.495 V
  • Adjustable output voltage: Vref to 36 V
  • 27 mV maximum temperature drift for grade 1
  • 34 mV maximum temperature drift for grade 0
  • 0.3-Ω typical output impedance
  • Sink-current capability
    • Imin = 0.6 mA (max)
    • IKA = 15 mA (max)
  • Reference input current IREF: 0.4 µA (max)
  • Deviation of reference input current over temperature, II(dev): 0.3 µA (max)

Description

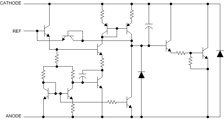
The TL431LI-Q1 is a three-terminal adjustable shunt regulator, with specified thermal stability over applicable automotive, commercial, and military temperature ranges. The output voltage can be set to any value between Vref (approximately 2.495 V) and 36 V with two external resistors. The device has a typical output impedance of 0.3 Ω. Its active output circuitry provides a very sharp turn-on characteristic, making it an excellent replacement for Zener diodes in many applications, such as onboard regulation, adjustable power supplies, and switching power supplies. This device is a pin-to-pin alternative to the industry standard TL431-Q1 with optimized Iref and IIdev performance. The lower Iref and IIdev values of the TL431LI-Q1 enable designers to achieve higher system accuracy and lower leakage current. The TL432LI-Q1 has exactly the same functionality and electrical specifications as the TL431LI-Q1, but has a different pinout for the DBZ package.

The TL431LI-Q1 is offered in two grades, with initial tolerances (at 25°C) of 0.5% and 1%, for the B and A grade, respectively. The TL431LI-Q1 is also available in two temperature grades: grade 1 (denoted by a ’Q’ in the part number), and grade 0 (denoted by a ’E’ in the part number), which represent maximum ambient operating temperatures of 125°C and 150°C respectively. The TL43xLI-Q1 is characterized for operation from –40°C to 125°C for grade 1, and –40°C to 150°C for grade 0, and its low output drift versus temperature ensures good stability over the entire temperature range.

The TL431LI-Q1 is a three-terminal adjustable shunt regulator, with specified thermal stability over applicable automotive, commercial, and military temperature ranges. The output voltage can be set to any value between Vref (approximately 2.495 V) and 36 V with two external resistors. The device has a typical output impedance of 0.3 Ω. Its active output circuitry provides a very sharp turn-on characteristic, making it an excellent replacement for Zener diodes in many applications, such as onboard regulation, adjustable power supplies, and switching power supplies. This device is a pin-to-pin alternative to the industry standard TL431-Q1 with optimized Iref and IIdev performance. The lower Iref and IIdev values of the TL431LI-Q1 enable designers to achieve higher system accuracy and lower leakage current. The TL432LI-Q1 has exactly the same functionality and electrical specifications as the TL431LI-Q1, but has a different pinout for the DBZ package.

The TL431LI-Q1 is offered in two grades, with initial tolerances (at 25°C) of 0.5% and 1%, for the B and A grade, respectively. The TL431LI-Q1 is also available in two temperature grades: grade 1 (denoted by a ’Q’ in the part number), and grade 0 (denoted by a ’E’ in the part number), which represent maximum ambient operating temperatures of 125°C and 150°C respectively. The TL43xLI-Q1 is characterized for operation from –40°C to 125°C for grade 1, and –40°C to 150°C for grade 0, and its low output drift versus temperature ensures good stability over the entire temperature range.

Subscribe to Welllinkchips !
Your Name
* Email
Submit a request