0
TAS5614LA
  • TAS5614LA
  • TAS5614LA

TAS5614LA

ACTIVE

150-W stereo, 300-W mono, 12- to 38-V, PWM input Class-D audio amplifier w/ thermal enhancement

Texas Instruments TAS5614LA Product Info

1 April 2026 0

Parameters

Audio input type

PWM

Architecture

Class-D

Speaker channels (max)

4

Control interface

Hardware

Output power (W)

150

Power stage supply (max) (V)

36

Power stage supply (min) (V)

12

RDS(on) (Ω)

0.06

THD + N at 1 kHz (%)

0.03

Load (min) (Ω)

4

Analog supply voltage (min) (V)

10.8

Analog supply voltage (max) (V)

13.2

Rating

Catalog

Operating temperature range (°C)

0 to 125

Package

HTSSOP (DDV)-44-113.4 mm² 14 x 8.1

Features

  • PurePath™ HD Integrated Feedback Provides:
    • 0.03% THD at 1 W into 4 Ω
    • > 65 dB PSRR (No Input Signal)
    • > 105 dB (A-weighted) SNR
  • Preclipping Output for Control of a Class-G Power
    Supply
  • Reduced Heat Sink Size due to use of 60-mΩ
    Output MOSFET With > 90% Efficiency at Full
    Output Power
  • Output Power at 10%THD+N
    • 150-W and 4-Ω BTL Stereo Configuration
    • 300-W and 2-Ω in PBTL Mono Configuration
  • Output Power at 1%THD+N
    • 125-W and 4-Ω BTL Stereo Configuration
    • 65-W and 8-Ω BTL Stereo Configuration
  • Click- and Pop-Free Start-up
  • Error Reporting Self-Protected Design With UVP,
    Overtemperature, and Short-Circuit Protection
  • EMI Compliant When Used With Recommended
    System Design
  • 44-Pin HTSSOP (DDV) Package for Reduced
    Board Size
  • PurePath™ HD Integrated Feedback Provides:
    • 0.03% THD at 1 W into 4 Ω
    • > 65 dB PSRR (No Input Signal)
    • > 105 dB (A-weighted) SNR
  • Preclipping Output for Control of a Class-G Power
    Supply
  • Reduced Heat Sink Size due to use of 60-mΩ
    Output MOSFET With > 90% Efficiency at Full
    Output Power
  • Output Power at 10%THD+N
    • 150-W and 4-Ω BTL Stereo Configuration
    • 300-W and 2-Ω in PBTL Mono Configuration
  • Output Power at 1%THD+N
    • 125-W and 4-Ω BTL Stereo Configuration
    • 65-W and 8-Ω BTL Stereo Configuration
  • Click- and Pop-Free Start-up
  • Error Reporting Self-Protected Design With UVP,
    Overtemperature, and Short-Circuit Protection
  • EMI Compliant When Used With Recommended
    System Design
  • 44-Pin HTSSOP (DDV) Package for Reduced
    Board Size

Description

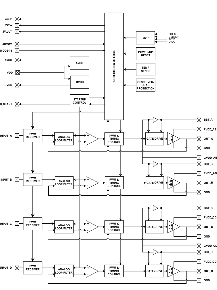
The TAS5614LA device is a feature optimized class-D power amplifier based on the TAS5614LA.

The TAS5614LA uses large MOSFETs for improved power efficiency and a novel gate drive scheme for reduced losses in idle and at low output signals leading to reduced heat sink size.

The unique preclipping output signal can be used to control a class-G power supply. This combined with the low idle loss and high power efficiency of the TAS5614LA leads to industry-leading levels of efficiency ensuring a super "green" system.

The TAS5614LA uses constant voltage gain. The internally matched gain resistors ensure a high Power Supply Rejection Ratio giving an output voltage only dependent on the audio input voltage and free from any power supply artifacts.

The high integration of the TAS5614LA makes the amplifier easy to use; and, using TI’s reference schematics and PCB layouts leads to fast design in time. The TAS5614LA is available in the space-saving, surface-mount, 44-pin HTSSOP package.

The TAS5614LA device is a feature optimized class-D power amplifier based on the TAS5614LA.

The TAS5614LA uses large MOSFETs for improved power efficiency and a novel gate drive scheme for reduced losses in idle and at low output signals leading to reduced heat sink size.

The unique preclipping output signal can be used to control a class-G power supply. This combined with the low idle loss and high power efficiency of the TAS5614LA leads to industry-leading levels of efficiency ensuring a super "green" system.

The TAS5614LA uses constant voltage gain. The internally matched gain resistors ensure a high Power Supply Rejection Ratio giving an output voltage only dependent on the audio input voltage and free from any power supply artifacts.

The high integration of the TAS5614LA makes the amplifier easy to use; and, using TI’s reference schematics and PCB layouts leads to fast design in time. The TAS5614LA is available in the space-saving, surface-mount, 44-pin HTSSOP package.

Subscribe to Welllinkchips !
Your Name
* Email
Submit a request