0
TPS544B25
  • TPS544B25
  • TPS544B25

TPS544B25

ACTIVE

4.5-V to 18-V, 20-A synchronous SWIFT™ buck converter with PMBus and frequency sync Linux Mainline Status

Texas Instruments TPS544B25 Product Info

1 April 2026 1

Parameters

Rating

Catalog

Topology

Buck

Iout (max) (A)

20

Vin (max) (V)

18

Vin (min) (V)

4.5

Vout (max) (V)

5.5

Vout (min) (V)

0.5

Features

Adaptive/Dynamic Voltage Scaling, Adjustable current limit, Differential Remote Sense, Enable, Forced PWM, Frequency synchronization, Over Current Protection, PMBus, Power good, Pre-Bias Start-Up, Soft Start Adjustable, Synchronous Rectification, Telemetry, UVLO adjustable, Voltage Margining

Control mode

Voltage mode

Operating temperature range (°C)

-40 to 125

Iq (typ) (A)

0.0095

Duty cycle (max) (%)

80

Package

LQFN-CLIP (RVF)-40-35 mm² 7 x 5

Features

  • PMBus 1.2 Compliant Converters: 20 A and 30 A
  • Input Voltage Range: 4.5 V to 18 V
  • Output Voltage Range: 0.5 V to 5.5 V
  • 5 mm × 7 mm LQFN Package
  • Single Thermal Pad
  • Integrated 5.5-mΩ and 2.0-mΩ Stacked NexFET™ Power Stage
  • 500-mV to 1500-mV Reference for Adapative Voltage Scaling (AVS) and Margining through PMBus
  • 0.5% Reference Accuracy at 600 mV and Above
  • Lossless Low-Side MOSFET Current Sensing
  • Voltage Mode Control with Input Feed-Forward
  • Differential Remote Sensing
  • Monotonic Start-Up into Pre-Biased Output
  • Output Voltage and Output Current Reporting
  • External Temperature Monitoring with 2N3904 Transistor
  • Programmable via the PMBus interface
    • VOUT_COMMAND and AVS VOUT Transition Rate
    • Overcurrent Protection with Thermal Compensation
    • UVLO, Soft-Start and Soft-Stop
    • PGOOD, OV, UV, OT Levels
    • Fault Responses
    • Turn-On and Turn-Off Delays
  • Thermal Shutdown
  • Pin Strapping for Switching Frequency: 200 kHz to 1 MHz
  • Frequency Synchronization to an External Clock
  • Footprint Compatible 20-A, 30-A Converters
  • PMBus 1.2 Compliant Converters: 20 A and 30 A
  • Input Voltage Range: 4.5 V to 18 V
  • Output Voltage Range: 0.5 V to 5.5 V
  • 5 mm × 7 mm LQFN Package
  • Single Thermal Pad
  • Integrated 5.5-mΩ and 2.0-mΩ Stacked NexFET™ Power Stage
  • 500-mV to 1500-mV Reference for Adapative Voltage Scaling (AVS) and Margining through PMBus
  • 0.5% Reference Accuracy at 600 mV and Above
  • Lossless Low-Side MOSFET Current Sensing
  • Voltage Mode Control with Input Feed-Forward
  • Differential Remote Sensing
  • Monotonic Start-Up into Pre-Biased Output
  • Output Voltage and Output Current Reporting
  • External Temperature Monitoring with 2N3904 Transistor
  • Programmable via the PMBus interface
    • VOUT_COMMAND and AVS VOUT Transition Rate
    • Overcurrent Protection with Thermal Compensation
    • UVLO, Soft-Start and Soft-Stop
    • PGOOD, OV, UV, OT Levels
    • Fault Responses
    • Turn-On and Turn-Off Delays
  • Thermal Shutdown
  • Pin Strapping for Switching Frequency: 200 kHz to 1 MHz
  • Frequency Synchronization to an External Clock
  • Footprint Compatible 20-A, 30-A Converters

Description

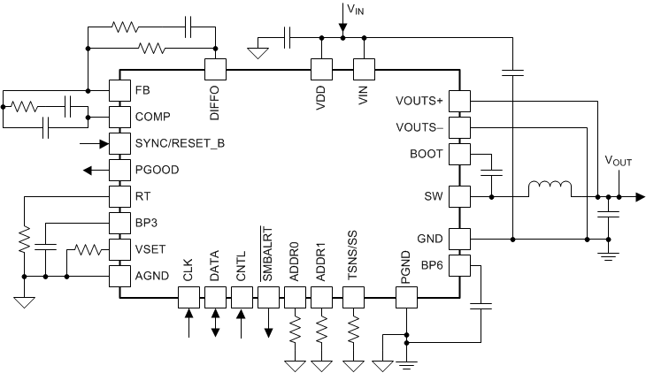
The TPS544x25 devices are PMBus 1.2 Compliant, non-isolated DC-DC converters with integrated FETs, capable of high-frequency operation and 20-A or 30-A current output from a 5 mm × 7 mm package. High-frequency, low-loss switching, provided by an integrated NexFET™ power stage and optimized drivers, allows for very high-density power solutions. The PMBus interface enables the AVS through VOUT_COMMAND, flexible converter configuration, as well as key parameters monitoring including output voltage, current and an optional external temperature. Response to fault conditions can be set to either restart, latch-off or ignore depending on system requirements.

The TPS544x25 devices are PMBus 1.2 Compliant, non-isolated DC-DC converters with integrated FETs, capable of high-frequency operation and 20-A or 30-A current output from a 5 mm × 7 mm package. High-frequency, low-loss switching, provided by an integrated NexFET™ power stage and optimized drivers, allows for very high-density power solutions. The PMBus interface enables the AVS through VOUT_COMMAND, flexible converter configuration, as well as key parameters monitoring including output voltage, current and an optional external temperature. Response to fault conditions can be set to either restart, latch-off or ignore depending on system requirements.

Subscribe to Welllinkchips !
Your Name
* Email
Submit a request