0
TPS65721
  • TPS65721
  • TPS65721

TPS65721

ACTIVE

Power Management IC (PMIC) with battery charger, one step-down converter and one LDO

Texas Instruments TPS65721 Product Info

1 April 2026 1

Parameters

Regulated outputs (#)

2

Step-down DC/DC converter

1

Step-up DC/DC converter

0

LDO

1

Vin (min) (V)

1.8

Vin (max) (V)

5.6

Vout (min) (V)

0.6

Vout (max) (V)

5.6

Iout (max) (A)

0.4

Configurability

Factory programmable

Features

Comm control, Power good

Rating

Catalog

Operating temperature range (°C)

-40 to 85

Step-down DC/DC controller

0

Step-up DC/DC controller

0

Iq (typ) (mA)

0.035

Switching frequency (max) (kHz)

2480

Shutdown current (ISD) (typ) (µA)

1

Switching frequency (typ) (kHz)

2250

Package

WQFN (RSN)-32-16 mm² 4 x 4

Features

  • Battery Charger With Power Path Management
  • 28-V Rated Power Path With:
    • 100-mA Input Current Limit
    • 500-mA Input Current Limit
  • 300-mA Charge Current
  • 200-mA Step-Down Converter for TPS65720
  • 400-mA Step-Down Converter for TPS65721, TPS657201, TPS657202
  • Up to 92% Efficiency
  • VIN Range for DCDC Converter From 2.3 V to
    5.6 V
  • 2.25-MHz Fixed Frequency Operation
  • Power Save Mode at Light Load Current
  • Output Voltage Accuracy in PWM Mode ±2%
  • 100% Duty Cycle for Lowest Dropout
  • 1 General Purpose 200-mA LDO
  • VIN Range for LDO From 1.8 V to 5.6 V
  • I2C Compatible Interface
  • 4GPIOs
  • Available in a 25-Ball DSBGA With 0.4-mm Pitch and in 4-mm × 4-mm 32-Pin WQFN Package
  • Battery Charger With Power Path Management
  • 28-V Rated Power Path With:
    • 100-mA Input Current Limit
    • 500-mA Input Current Limit
  • 300-mA Charge Current
  • 200-mA Step-Down Converter for TPS65720
  • 400-mA Step-Down Converter for TPS65721, TPS657201, TPS657202
  • Up to 92% Efficiency
  • VIN Range for DCDC Converter From 2.3 V to
    5.6 V
  • 2.25-MHz Fixed Frequency Operation
  • Power Save Mode at Light Load Current
  • Output Voltage Accuracy in PWM Mode ±2%
  • 100% Duty Cycle for Lowest Dropout
  • 1 General Purpose 200-mA LDO
  • VIN Range for LDO From 1.8 V to 5.6 V
  • I2C Compatible Interface
  • 4GPIOs
  • Available in a 25-Ball DSBGA With 0.4-mm Pitch and in 4-mm × 4-mm 32-Pin WQFN Package

Description

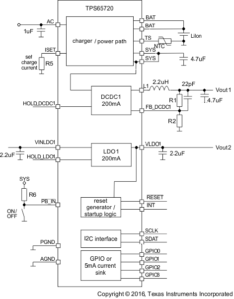
The TPS6572x device is a small power management unit targeted for Bluetooth headsets or other portable low-power consumer-end equipments. The device contains an USB friendly Lithium-Ion battery charger, a highly efficient step-down converter, a low-dropout linear regulator, and additional supporting functions. The device is controlled by an I2C interface. Several settings can be customized by the use of nonvolatile memory which is factory programmed.

The 2.25-MHz step-down converter enters a low-power mode at light load for maximum efficiency across the widest possible range of load currents. For low-noise applications the devices can be forced into fixed-frequency PWM mode using the I2C-compatible interface.

The device allows the use of small inductors and capacitors to achieve a small solution size. The TPS65720 provides an output current of up to
200 mA on the DC-DC converter while TPS657201, TPS657202, and TPS65721 provide up to 400 mA. The TPS6572x also integrates one 200-mA LDO. The LDO operates with an input voltage range from 1.8 V to 5.6 V, thus allowing it to be supplied from the output of the step-down converter or directly from the system voltage.

The TPS65720, TPS657201, and TPS657202 come in a small 25-ball 2-mm × 2-mm wafer chip scale package (DSBGA) with 0.4-mm ball pitch or a
4-mm × 4-mm WQFN package with a 0.4-mm pitch (TPS65721).

The TPS6572x device is a small power management unit targeted for Bluetooth headsets or other portable low-power consumer-end equipments. The device contains an USB friendly Lithium-Ion battery charger, a highly efficient step-down converter, a low-dropout linear regulator, and additional supporting functions. The device is controlled by an I2C interface. Several settings can be customized by the use of nonvolatile memory which is factory programmed.

The 2.25-MHz step-down converter enters a low-power mode at light load for maximum efficiency across the widest possible range of load currents. For low-noise applications the devices can be forced into fixed-frequency PWM mode using the I2C-compatible interface.

The device allows the use of small inductors and capacitors to achieve a small solution size. The TPS65720 provides an output current of up to
200 mA on the DC-DC converter while TPS657201, TPS657202, and TPS65721 provide up to 400 mA. The TPS6572x also integrates one 200-mA LDO. The LDO operates with an input voltage range from 1.8 V to 5.6 V, thus allowing it to be supplied from the output of the step-down converter or directly from the system voltage.

The TPS65720, TPS657201, and TPS657202 come in a small 25-ball 2-mm × 2-mm wafer chip scale package (DSBGA) with 0.4-mm ball pitch or a
4-mm × 4-mm WQFN package with a 0.4-mm pitch (TPS65721).

Subscribe to Welllinkchips !
Your Name
* Email
Submit a request