0
SN74LV8T573
  • SN74LV8T573
  • SN74LV8T573
  • SN74LV8T573
  • SN74LV8T573
  • SN74LV8T573

SN74LV8T573

ACTIVE

Octal transparent D-type latches with three-state outputs and integrated level translation

Texas Instruments SN74LV8T573 Product Info

1 April 2026 0

Parameters

Operating temperature range (°C)

to

Package

TSSOP (PW)-20-41.6 mm² 6.5 x 6.4

Features

  • Wide operating range of 1.65V to 5.5V
  • 5.5V tolerant input pins
  • Single-supply voltage translator (refer to LVxT Enhanced Input Voltage):
    • Up translation:
      • 1.2V to 1.8V
      • 1.5V to 2.5V
      • 1.8V to 3.3V
      • 3.3V to 5.0V
    • Down translation:

      • 5.0V, 3.3V, 2.5V to 1.8V
      • 5.0V, 3.3V to 2.5V
      • 5.0V to 3.3V
  • Up to 150Mbps with 5V or 3.3V VCC
  • Supports standard function pinout
  • Latch-up performance exceeds 250mAper JESD 17
  • Wide operating range of 1.65V to 5.5V
  • 5.5V tolerant input pins
  • Single-supply voltage translator (refer to LVxT Enhanced Input Voltage):
    • Up translation:
      • 1.2V to 1.8V
      • 1.5V to 2.5V
      • 1.8V to 3.3V
      • 3.3V to 5.0V
    • Down translation:

      • 5.0V, 3.3V, 2.5V to 1.8V
      • 5.0V, 3.3V to 2.5V
      • 5.0V to 3.3V
  • Up to 150Mbps with 5V or 3.3V VCC
  • Supports standard function pinout
  • Latch-up performance exceeds 250mAper JESD 17

Description

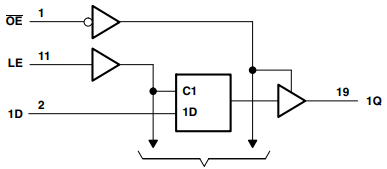
The SN74LV8T573 contains eight D-type latches. All channels share a latch enable (LE) input and output enable (/OE) input. This device has a flow-through pinout which allows for easier bus routing.

The input is designed with a reduced threshold circuit to support up translation when the supply voltage is larger than the input voltage. Additionally, the 5V tolerant input pins enable down translation when the input voltage is larger than the supply voltage. The output level is always referenced to the supply voltage (VCC) and supports 1.8V, 2.5V, 3.3V, and 5V CMOS levels.

The SN74LV8T573 contains eight D-type latches. All channels share a latch enable (LE) input and output enable (/OE) input. This device has a flow-through pinout which allows for easier bus routing.

The input is designed with a reduced threshold circuit to support up translation when the supply voltage is larger than the input voltage. Additionally, the 5V tolerant input pins enable down translation when the input voltage is larger than the supply voltage. The output level is always referenced to the supply voltage (VCC) and supports 1.8V, 2.5V, 3.3V, and 5V CMOS levels.

Subscribe to Welllinkchips !
Your Name
* Email
Submit a request