0
LM3421
  • LM3421
  • LM3421
  • LM3421
  • LM3421

LM3421

ACTIVE

N-channel controllers for constant current LED drivers with series DIM FET driver

Texas Instruments LM3421 Product Info

1 April 2026 0

Parameters

Input voltage type

DC/DC

Topology

Boost, Boost Controller, Buck-Boost, SEPIC

Vin (min) (V)

4.5

Vin (max) (V)

75

Vout (max) (V)

72

Vout (min) (V)

3

Iout (max) (A)

5

Iq (typ) (mA)

2

Features

Adjustable Switch Frequency, Enable/Shutdown, Thermal shutdown

Operating temperature range (°C)

-40 to 125

Dimming method

Analog, PWM

Number of channels

1

Rating

Catalog

Package

HTSSOP (PWP)-16-32 mm² 5 x 6.4

Features

  • VIN Range From 4.5 V to 75 V
  • High-Side Adjustable Current Sense
  • 2-Ω, 1-A Peak MOSFET Gate Driver
  • Input Undervoltage and Output Overvoltage Protection
  • PWM and Analog Dimming
  • Cycle-by-Cycle Current Limit
  • Programmable Switching Frequency
  • Zero Current Shutdown and Thermal Shutdown
  • LED Output Status Flag (LM3423 and LM3423-Q0 Only)
  • Fault Status Flag and Timer(LM3423 and LM3423-Q0 Only)
  • VIN Range From 4.5 V to 75 V
  • High-Side Adjustable Current Sense
  • 2-Ω, 1-A Peak MOSFET Gate Driver
  • Input Undervoltage and Output Overvoltage Protection
  • PWM and Analog Dimming
  • Cycle-by-Cycle Current Limit
  • Programmable Switching Frequency
  • Zero Current Shutdown and Thermal Shutdown
  • LED Output Status Flag (LM3423 and LM3423-Q0 Only)
  • Fault Status Flag and Timer(LM3423 and LM3423-Q0 Only)

Description

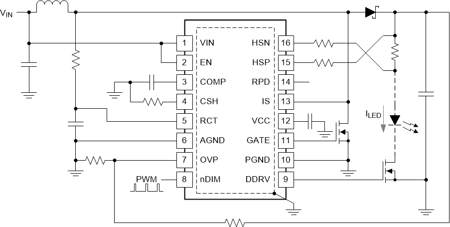
The LM3421 and LM3423 family of devices are versatile high voltage N-channel MOSFET controllers for LED drivers. They can be easily configured in buck, boost, buck-boost and SEPIC topologies. This flexibility, along with an input voltage rating of 75 V, makes the these controllers ideal for illuminating LEDs in a large family of applications.

Adjustable high-side current sense voltage allows for tight regulation of the LED current with the highest efficiency possible. The LM3421 and LM3423 devices use predictive off-time (PRO) control, which is a combination of peak current-mode control and a predictive off-timer. This method of control eases the design of loop compensation while providing inherent input voltage feed-forward compensation.

The LM3421 and LM3423 devices include a high-voltage start-up regulator that operates over a wide input range of 4.5 V to 75 V. The internal PWM controller is designed for adjustable switching frequencies of up to 2 MHz, thus enabling compact solutions.

The LM3421 and LM3423 family of devices are versatile high voltage N-channel MOSFET controllers for LED drivers. They can be easily configured in buck, boost, buck-boost and SEPIC topologies. This flexibility, along with an input voltage rating of 75 V, makes the these controllers ideal for illuminating LEDs in a large family of applications.

Adjustable high-side current sense voltage allows for tight regulation of the LED current with the highest efficiency possible. The LM3421 and LM3423 devices use predictive off-time (PRO) control, which is a combination of peak current-mode control and a predictive off-timer. This method of control eases the design of loop compensation while providing inherent input voltage feed-forward compensation.

The LM3421 and LM3423 devices include a high-voltage start-up regulator that operates over a wide input range of 4.5 V to 75 V. The internal PWM controller is designed for adjustable switching frequencies of up to 2 MHz, thus enabling compact solutions.

Subscribe to Welllinkchips !
Your Name
* Email
Submit a request