0
TPS57140-Q1
  • TPS57140-Q1
  • TPS57140-Q1
  • TPS57140-Q1

TPS57140-Q1

ACTIVE

Automotive 3.5V to 42V, 1.5A Buck Converter with Eco-Mode™

Texas Instruments TPS57140-Q1 Product Info

1 April 2026 1

Parameters

Rating

Automotive

Topology

Buck

Iout (max) (A)

1.5

Vin (max) (V)

42

Vin (min) (V)

3.5

Vout (max) (V)

39

Vout (min) (V)

0.8

Features

Adjustable soft start, Enable, Frequency synchronization, Light-load efficiency, Overcurrent protection, Power good, Tracking, UVLO adjustable

Control mode

current mode

Operating temperature range (°C)

-40 to 125

Iq (typ) (A)

0.000116

Duty cycle (max) (%)

100

Package

HVSSOP (DGQ)-10-14.7 mm² 3 x 4.9

Features

  • Qualified for Automotive Applications
  • AEC-Q100 Qualified with the Following Results:
    • Device Temperature Grade 1: –40°C to +125°C
    • Device HBM ESD Classification Level 2
    • Device CDM ESD Classification Level C4B
  • 3.5-V to 42-V Input Voltage Range
  • 200-mΩ High-Side MOSFET
  • High Efficiency at Light Loads With Pulse-Skipping Eco-mode Control Scheme
  • 116-μA Operating Quiescent Current
  • 1.5-μA Shutdown Current
  • 100-kHz to 2.5-MHz Switching Frequency
  • Synchronizes to External Clock
  • Adjustable Slow Start and Sequencing
  • Undervoltage and Overvoltage Power-Good Output
  • Adjustable Undervoltage Lockout Voltage and Hysteresis
  • 0.8-V Internal Voltage Reference
  • Supported by SwitcherPro Software Tool
    (www.ti.com/tool/switcherpro)

All trademarks are the property of their respective owners.

  • Qualified for Automotive Applications
  • AEC-Q100 Qualified with the Following Results:
    • Device Temperature Grade 1: –40°C to +125°C
    • Device HBM ESD Classification Level 2
    • Device CDM ESD Classification Level C4B
  • 3.5-V to 42-V Input Voltage Range
  • 200-mΩ High-Side MOSFET
  • High Efficiency at Light Loads With Pulse-Skipping Eco-mode Control Scheme
  • 116-μA Operating Quiescent Current
  • 1.5-μA Shutdown Current
  • 100-kHz to 2.5-MHz Switching Frequency
  • Synchronizes to External Clock
  • Adjustable Slow Start and Sequencing
  • Undervoltage and Overvoltage Power-Good Output
  • Adjustable Undervoltage Lockout Voltage and Hysteresis
  • 0.8-V Internal Voltage Reference
  • Supported by SwitcherPro Software Tool
    (www.ti.com/tool/switcherpro)

All trademarks are the property of their respective owners.

Description

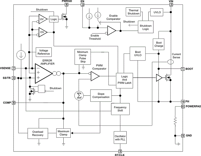
The TPS57140-Q1 device is a 42-V, 1.5-A step-down regulator with an integrated high-side MOSFET. Current-mode control provides simple external compensation and flexible component selection. A low-ripple pulse-skip mode reduces the no-load, regulated output supply current to 116 μA. When the enable pin is in the low state, the shutdown current is reduced to 1.5 µA.

Undervoltage lockout is internally set at 2.5 V, but can be increased using the enable pin. The output voltage startup ramp is controlled by the slow-start pin that can also be configured for sequencing or tracking. An open-drain power-good signal indicates the output is within 92% to 109% of its nominal voltage.

A wide switching-frequency range allows optimization of efficiency and external component size. Frequency foldback and thermal shutdown protect the part during an overload condition.

The TPS57140-Q1 is available in a 10-pin thermally enhanced MSOP-PowerPAD package (DGQ) and a 10-pin VSON package (DRC).

For all available packages, see the orderable addendum at the end of the data sheet.

The TPS57140-Q1 device is a 42-V, 1.5-A step-down regulator with an integrated high-side MOSFET. Current-mode control provides simple external compensation and flexible component selection. A low-ripple pulse-skip mode reduces the no-load, regulated output supply current to 116 μA. When the enable pin is in the low state, the shutdown current is reduced to 1.5 µA.

Undervoltage lockout is internally set at 2.5 V, but can be increased using the enable pin. The output voltage startup ramp is controlled by the slow-start pin that can also be configured for sequencing or tracking. An open-drain power-good signal indicates the output is within 92% to 109% of its nominal voltage.

A wide switching-frequency range allows optimization of efficiency and external component size. Frequency foldback and thermal shutdown protect the part during an overload condition.

The TPS57140-Q1 is available in a 10-pin thermally enhanced MSOP-PowerPAD package (DGQ) and a 10-pin VSON package (DRC).

For all available packages, see the orderable addendum at the end of the data sheet.

Subscribe to Welllinkchips !
Your Name
* Email
Submit a request