0
SN74CB3T3245
  • SN74CB3T3245
  • SN74CB3T3245
  • SN74CB3T3245
  • SN74CB3T3245
  • SN74CB3T3245
  • SN74CB3T3245

SN74CB3T3245

ACTIVE

3.3-V, 1:1 (SPST), 8-channel FET bus switch with level shifter

Texas Instruments SN74CB3T3245 Product Info

1 April 2026 0

Parameters

Protocols

Analog

Configuration

1:1 SPST

Number of channels

8

Bandwidth (MHz)

100

Supply voltage (max) (V)

3.6

Ron (typ) (mΩ)

5000

Input/output voltage (min) (V)

0

Input/output voltage (max) (V)

5.5

Operating temperature range (°C)

-40 to 85

ESD CDM (kV)

1

Input/output continuous current (max) (mA)

128

COFF (typ) (pF)

5

CON (typ) (pF)

5

OFF-state leakage current (max) (µA)

10

Ron (max) (mΩ)

8500

VIH (min) (V)

1.7

VIL (max) (V)

0.8

Rating

Catalog

Package

SOIC (DW)-20-131.84 mm² 12.8 x 10.3

Features

  • Standard ’245-type pinout
  • Output voltage translation tracks VCC
  • Supports mixed-mode signal operation on all data I/O ports
    • 5V Input down to 3.3V output level shift with 3.3V VCC
    • 5V/3.3V input down to 2.5V output level shift with 2.5V VCC
  • 5V-tolerant I/Os with device powered up or powered down
  • Bidirectional data flow with near-zero propagation delay
  • Low ON-state resistance (ron) characteristics (ron = 5Ω typical)
  • Low Input, output capacitance minimizes loading (Cio(OFF) = 5pF typical)
  • Data and control inputs provide undershoot clamp diodes
  • Low power consumption (ICC = 40µA maximum)
  • VCC operating range from 2.3V to 3.6V
  • Data I/Os support 0 to 5V signaling levels (0.8V, 1.2V, 1.5V, 1.8V, 2.5V, 3.3V, 5V)
  • Control inputs can be driven by TTL or 5V/3.3V CMOS outputs
  • Ioff supports partial-power-down mode operation
  • Latch-up performance exceeds 250mA per JESD 17
  • ESD performance tested per JESD 22
    • 2000V human-body model (A114-B, Class II)
    • 1000V charged-device model (C101)
  • Designed for low-power portable equipment
  • Standard ’245-type pinout
  • Output voltage translation tracks VCC
  • Supports mixed-mode signal operation on all data I/O ports
    • 5V Input down to 3.3V output level shift with 3.3V VCC
    • 5V/3.3V input down to 2.5V output level shift with 2.5V VCC
  • 5V-tolerant I/Os with device powered up or powered down
  • Bidirectional data flow with near-zero propagation delay
  • Low ON-state resistance (ron) characteristics (ron = 5Ω typical)
  • Low Input, output capacitance minimizes loading (Cio(OFF) = 5pF typical)
  • Data and control inputs provide undershoot clamp diodes
  • Low power consumption (ICC = 40µA maximum)
  • VCC operating range from 2.3V to 3.6V
  • Data I/Os support 0 to 5V signaling levels (0.8V, 1.2V, 1.5V, 1.8V, 2.5V, 3.3V, 5V)
  • Control inputs can be driven by TTL or 5V/3.3V CMOS outputs
  • Ioff supports partial-power-down mode operation
  • Latch-up performance exceeds 250mA per JESD 17
  • ESD performance tested per JESD 22
    • 2000V human-body model (A114-B, Class II)
    • 1000V charged-device model (C101)
  • Designed for low-power portable equipment

Description

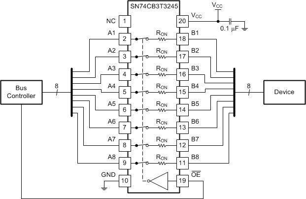
The SN74CB3T3245 device is a high-speed, TTL-compatible, 8-bit FET bus switch with low ON-state resistance (ron), allowing for minimal propagation delay. The device fully supports mixed-mode signal operation on all data I/O ports by providing voltage translation that tracks VCC.

The SN74CB3T3245 device is a high-speed, TTL-compatible, 8-bit FET bus switch with low ON-state resistance (ron), allowing for minimal propagation delay. The device fully supports mixed-mode signal operation on all data I/O ports by providing voltage translation that tracks VCC.

Subscribe to Welllinkchips !
Your Name
* Email
Submit a request