0
SN74HCS259-Q1
  • SN74HCS259-Q1
  • SN74HCS259-Q1
  • SN74HCS259-Q1
  • SN74HCS259-Q1

SN74HCS259-Q1

ACTIVE

Automotive 8-bit addressable latches

Texas Instruments SN74HCS259-Q1 Product Info

1 April 2026 1

Parameters

Function

Addressable latch

Number of channels

8

Technology family

HCS

Supply voltage (min) (V)

2

Supply voltage (max) (V)

6

Input type

Schmitt-Trigger

Output type

Push-Pull

Data rate (max) (Mbps)

120

IOL (max) (mA)

7.8

IOH (max) (mA)

-7.8

Features

Partial power down (Ioff), Very high speed (tpd 5-10ns)

Operating temperature range (°C)

-40 to 125

Rating

Automotive

Package

SOIC (D)-16-59.4 mm² 9.9 x 6

Features

  • AEC-Q100 qualified for automotive applications:
    • Device temperature grade 1: –40°C to +125°C, TA
    • Device HBM ESD Classification Level 2
    • Device CDM ESD Classifcation Level C6
  • Available in wettable flank QFN (W BQB) package
  • Wide operating voltage range: 2 V to 6 V
  • Schmitt-trigger inputs allow for slow or noisy input signals
  • Low power consumption
    • Typical ICC of 100 nA
    • Typical input leakage current of ±100 nA
  • ±7.8-mA output drive at 6 V
  • AEC-Q100 qualified for automotive applications:
    • Device temperature grade 1: –40°C to +125°C, TA
    • Device HBM ESD Classification Level 2
    • Device CDM ESD Classifcation Level C6
  • Available in wettable flank QFN (W BQB) package
  • Wide operating voltage range: 2 V to 6 V
  • Schmitt-trigger inputs allow for slow or noisy input signals
  • Low power consumption
    • Typical ICC of 100 nA
    • Typical input leakage current of ±100 nA
  • ±7.8-mA output drive at 6 V

Description

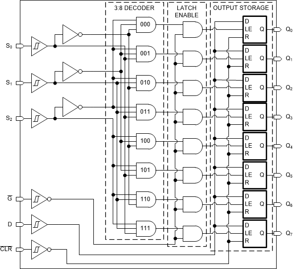
The SN74HCS259-Q1 8-bit addressable latches are designed for general-purpose storage applications in digital systems. Specific uses include working registers, serial-holding registers, and active-high decoders or demultiplexers. They are multifunctional devices capable of storing single-line data in eight addressable latches and being a 1-of-8 decoder or demultiplexer with active-high outputs.

The SN74HCS259-Q1 8-bit addressable latches are designed for general-purpose storage applications in digital systems. Specific uses include working registers, serial-holding registers, and active-high decoders or demultiplexers. They are multifunctional devices capable of storing single-line data in eight addressable latches and being a 1-of-8 decoder or demultiplexer with active-high outputs.

Subscribe to Welllinkchips !
Your Name
* Email
Submit a request