0
LMH0341
  • LMH0341
  • LMH0341

LMH0341

ACTIVE

3G HD/SD DVB-ASI SDI deserialzier with Loopthrough and LVDS Interface Key Specifications Key Specifications

Texas Instruments LMH0341 Product Info

1 April 2026 0

Parameters

Function

Deserializer

Supply voltage (V)

2.5, 3.3

Power consumption (mW)

520

Data rate (max) (Mbps)

2970

Control interface

Pin/SMBus

Operating temperature range (°C)

-40 to 85

Package

WQFN (RHS)-48-49 mm² 7 x 7

Features

  • 5-Bit LVDS Interface
  • No External VCO or Clock Required
  • Reclocked Serial Loopthrough With Cable Driver
  • Powerdown Mode
  • 3.3V SMBus Configuration Interface
  • Small 48-Pin WQFN Package
  • Industrial Temperature range: -40°C to +85°C

Key Specifications

  • Output compliant with SMPTE 259M-C, SMPTE 292M, SMPTE 424M and DVB-ASI
  • Typical power dissipation: 590 mW (loopthrough disabled, 3G datarate)
  • 0.6 UI Minimum Input Jitter Tolerance

All trademarks are the property of their respective owners. TRI-STATE is a trademark of Texas Instruments.

  • 5-Bit LVDS Interface
  • No External VCO or Clock Required
  • Reclocked Serial Loopthrough With Cable Driver
  • Powerdown Mode
  • 3.3V SMBus Configuration Interface
  • Small 48-Pin WQFN Package
  • Industrial Temperature range: -40°C to +85°C

Key Specifications

  • Output compliant with SMPTE 259M-C, SMPTE 292M, SMPTE 424M and DVB-ASI
  • Typical power dissipation: 590 mW (loopthrough disabled, 3G datarate)
  • 0.6 UI Minimum Input Jitter Tolerance

All trademarks are the property of their respective owners. TRI-STATE is a trademark of Texas Instruments.

Description

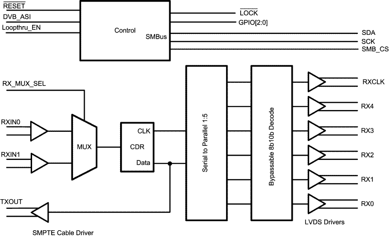
The LMH0341/0041/0071/0051 SDI Deserializers are part of TI’s family of FPGA-Attach SER/DES products supporting 5-bit LVDS interfaces with FPGAs. When paired with a host FPGA the LMH0341 automatically detects the incoming data rate and decodes the raw 5-bit data words compliant to any of the following standards: DVB-ASI, SMPTE 259M, SMPTE 292M, or SMPTE 424M. See for details on which Standards are supported per device.

The interface between the LMH0341 and the host FPGA consists of a 5-bit wide LVDS bus, an LVDS clock and an SMBus interface. No external VCOs or clocks are required. The LMH0341 CDR detects the frequency from the incoming data stream, generates a clean clock and transmits both clock and data to the host FPGA. The LMH0341, LMH0041 and LMH0071 include a serial reclocked loopthrough with integrated SMPTE compliant cable driver. Refer to for a complete listing of single channel deserializers offered in this family.

The FPGA-Attach SER/DES product family is supported by a suite of IP which allows the design engineer to quickly develop video applications using the SER/DES products. The product is packaged in a physically small 48 pin WQFN package.

The LMH0341/0041/0071/0051 SDI Deserializers are part of TI’s family of FPGA-Attach SER/DES products supporting 5-bit LVDS interfaces with FPGAs. When paired with a host FPGA the LMH0341 automatically detects the incoming data rate and decodes the raw 5-bit data words compliant to any of the following standards: DVB-ASI, SMPTE 259M, SMPTE 292M, or SMPTE 424M. See for details on which Standards are supported per device.

The interface between the LMH0341 and the host FPGA consists of a 5-bit wide LVDS bus, an LVDS clock and an SMBus interface. No external VCOs or clocks are required. The LMH0341 CDR detects the frequency from the incoming data stream, generates a clean clock and transmits both clock and data to the host FPGA. The LMH0341, LMH0041 and LMH0071 include a serial reclocked loopthrough with integrated SMPTE compliant cable driver. Refer to for a complete listing of single channel deserializers offered in this family.

The FPGA-Attach SER/DES product family is supported by a suite of IP which allows the design engineer to quickly develop video applications using the SER/DES products. The product is packaged in a physically small 48 pin WQFN package.

Subscribe to Welllinkchips !
Your Name
* Email
Submit a request