0
OPA1612
  • OPA1612
  • OPA1612
  • OPA1612

OPA1612

ACTIVE

SoundPlus™ Audio Operational Amplifier with 1.1nV/√Hz Noise, Low THD and Precision

Texas Instruments OPA1612 Product Info

1 April 2026 0

Parameters

Number of channels

2

Total supply voltage (+5 V = 5, ±5 V = 10) (min) (V)

5

Total supply voltage (+5 V = 5, ±5 V = 10) (max) (V)

36

GBW (typ) (MHz)

40

Slew rate (typ) (V/µs)

27

Rail-to-rail

Out

Vos (offset voltage at 25°C) (max) (mV)

0.5

Iq per channel (typ) (mA)

3.6

Vn at 1 kHz (typ) (nV√Hz)

1.1

Features

Burr-Brown™ Audio, Premium Sound, Small Size

THD + N at 1 kHz (typ) (%)

0.000015

Rating

Catalog

Operating temperature range (°C)

-40 to 85

Iout (typ) (A)

0.055

Product type

Ultimate

Architecture

Bipolar

CMRR (typ) (dB)

120

Input bias current (max) (pA)

250000

Package

SOIC (D)-8-29.4 mm² 4.9 x 6

Features

  • Superior Sound Quality
  • Ultralow Noise: 1.1 nV/√Hz at 1 kHz
  • Ultralow Distortion:
    0.000015% at 1 kHz
  • High Slew Rate: 27 V/μs
  • Wide Bandwidth: 40 MHz (G = +1)
  • High Open-Loop Gain: 130 dB
  • Unity Gain Stable
  • Low Quiescent Current:
    3.6 mA per Channel
  • Rail-to-Rail Output
  • Wide Supply Range: ±2.25 V to ±18 V
  • Single and Dual Versions Available
  • Superior Sound Quality
  • Ultralow Noise: 1.1 nV/√Hz at 1 kHz
  • Ultralow Distortion:
    0.000015% at 1 kHz
  • High Slew Rate: 27 V/μs
  • Wide Bandwidth: 40 MHz (G = +1)
  • High Open-Loop Gain: 130 dB
  • Unity Gain Stable
  • Low Quiescent Current:
    3.6 mA per Channel
  • Rail-to-Rail Output
  • Wide Supply Range: ±2.25 V to ±18 V
  • Single and Dual Versions Available

Description

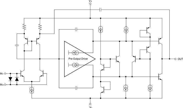
The OPA1611 (single) and OPA1612 (dual) bipolar-input operational amplifiers achieve very low 1.1-nV/√Hz noise density with an ultralow distortion of 0.000015% at 1 kHz. The OPA1611 and OPA1612 offer rail-to-rail output swing to within 600 mV with a 2-kΩ load, which increases headroom and maximizes dynamic range. These devices also have a high output drive capability of ±30 mA.

These devices operate over a very wide supply range of ±2.25 V to ±18 V, on only 3.6 mA of supply current per channel. The OPA1611 and OPA1612 op amps are unity-gain stable and provide excellent dynamic behavior over a wide range of load conditions.

The dual version features completely independent circuitry for lowest crosstalk and freedom from interactions between channels, even when overdriven or overloaded.

Both the OPA1611 and OPA1612 are available in SOIC-8 packages and the OPA1612 is available in SON-8. These devices are specified from –40°C to +85°C.

The OPA1611 (single) and OPA1612 (dual) bipolar-input operational amplifiers achieve very low 1.1-nV/√Hz noise density with an ultralow distortion of 0.000015% at 1 kHz. The OPA1611 and OPA1612 offer rail-to-rail output swing to within 600 mV with a 2-kΩ load, which increases headroom and maximizes dynamic range. These devices also have a high output drive capability of ±30 mA.

These devices operate over a very wide supply range of ±2.25 V to ±18 V, on only 3.6 mA of supply current per channel. The OPA1611 and OPA1612 op amps are unity-gain stable and provide excellent dynamic behavior over a wide range of load conditions.

The dual version features completely independent circuitry for lowest crosstalk and freedom from interactions between channels, even when overdriven or overloaded.

Both the OPA1611 and OPA1612 are available in SOIC-8 packages and the OPA1612 is available in SON-8. These devices are specified from –40°C to +85°C.

Subscribe to Welllinkchips !
Your Name
* Email
Submit a request