0
TPS65835
  • TPS65835
  • TPS65835

TPS65835

ACTIVE

Advanced Power Management IC (PMIC) with Integrated MSP430 For Active Shutter 3D Glasses

Texas Instruments TPS65835 Product Info

1 April 2026 0

Parameters

Regulated outputs (#)

2

Step-down DC/DC converter

0

Step-up DC/DC converter

0

LDO

1

Vin (min) (V)

2.5

Vin (max) (V)

6.5

Vout (min) (V)

2.2

Vout (max) (V)

16

Iout (max) (A)

0.15

Configurability

Software configurable

Features

Comm control, Power good

Rating

Catalog

Operating temperature range (°C)

-40 to 85

Step-down DC/DC controller

0

Step-up DC/DC controller

1

Iq (typ) (mA)

0.039

Shutdown current (ISD) (typ) (µA)

0.5

Package

VQFN (RKP)-40-25 mm² 5 x 5

Features

  • Power Management Core
    • Linear Charger
      • Three Charger Phases: Pre-Charge, Fast
        Charge, and Charge Termination
      • LED Current Sinks for Power Good and
        Charger Status Indication
    • Low-Dropout Regulator (LDO) Supply for
      External Modules & Integrated MSP430 Power
    • Boost Converter
      • Adjustable Output Voltage: 8 V to 16 V
    • Full H-Bridge Analog Switches
      • Internally Controlled by MSP430 Core for
        System Functions
  • MSP430 Core
    • Ultralow Power Consumption
      • Active Mode: 280 µA at 1 MHz, 2.2 V
      • Standby Mode: 0.5 µA
      • Off Mode (RAM Retention): 0.1 µA
    • Five Power-Saving Modes
    • 16-Bit RISC Architecture
    • 16-kB Flash
    • with Three
      Capture/Compare Registers
    • 10-Bit 200-ksps A/D Converter with Internal
      Reference, Sample-and-Hold, and Autoscan
    • Universal Serial Communications Interface,
      Supports IrDA Encode/Decode and
      Synchronous SPI
      • Enhanced UART Supporting Auto Baudrate
        Detection (LIN)
      • IrDA Encoder and Decoder
      • Synchronous SPI
      • I2C
    • Serial Onboard Programming
      • No External Programming Voltage Needed
      • Programmable Code Protection by Security
        Fuse
    • For Complete Module Descriptions, See the
      MSP430x2xx Family User’s Guide (SLAU144)
  • Power Management Core
    • Linear Charger
      • Three Charger Phases: Pre-Charge, Fast
        Charge, and Charge Termination
      • LED Current Sinks for Power Good and
        Charger Status Indication
    • Low-Dropout Regulator (LDO) Supply for
      External Modules & Integrated MSP430 Power
    • Boost Converter
      • Adjustable Output Voltage: 8 V to 16 V
    • Full H-Bridge Analog Switches
      • Internally Controlled by MSP430 Core for
        System Functions
  • MSP430 Core
    • Ultralow Power Consumption
      • Active Mode: 280 µA at 1 MHz, 2.2 V
      • Standby Mode: 0.5 µA
      • Off Mode (RAM Retention): 0.1 µA
    • Five Power-Saving Modes
    • 16-Bit RISC Architecture
    • 16-kB Flash
    • with Three
      Capture/Compare Registers
    • 10-Bit 200-ksps A/D Converter with Internal
      Reference, Sample-and-Hold, and Autoscan
    • Universal Serial Communications Interface,
      Supports IrDA Encode/Decode and
      Synchronous SPI
      • Enhanced UART Supporting Auto Baudrate
        Detection (LIN)
      • IrDA Encoder and Decoder
      • Synchronous SPI
      • I2C
    • Serial Onboard Programming
      • No External Programming Voltage Needed
      • Programmable Code Protection by Security
        Fuse
    • For Complete Module Descriptions, See the
      MSP430x2xx Family User’s Guide (SLAU144)

Description

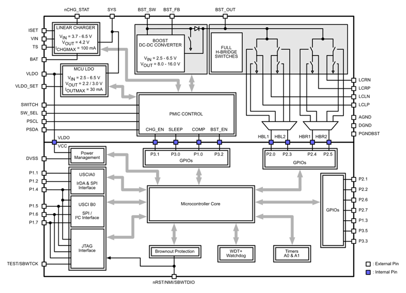
The TPS65835 is a power management unit (PMU) for active shutter 3D glasses consisting of a power management core and an MSP430 microcontroller. The power management core has an integrated power path, linear charger, LDO, boost converter, and full H-bridge analog switches for left and right shutter operation in a pair of active shutter 3D glasses. The MSP430 core supports the synchronization and communications from an IR, RF, or other communications module through the integrated universal serial communications and timer interfaces for operation of the H-bridge switches on the power management core.

The TPS65835 is a power management unit (PMU) for active shutter 3D glasses consisting of a power management core and an MSP430 microcontroller. The power management core has an integrated power path, linear charger, LDO, boost converter, and full H-bridge analog switches for left and right shutter operation in a pair of active shutter 3D glasses. The MSP430 core supports the synchronization and communications from an IR, RF, or other communications module through the integrated universal serial communications and timer interfaces for operation of the H-bridge switches on the power management core.

Subscribe to Welllinkchips !
Your Name
* Email
Submit a request