0
TPS51275
  • TPS51275
  • TPS51275

TPS51275

ACTIVE

5.5-V to 24-V, dual-synchronous buck controller with 5-V and 3.3-V LDOs

Texas Instruments TPS51275 Product Info

1 April 2026 0

Parameters

Rating

Catalog

Topology

Buck

Iout (max) (A)

20

Vin (max) (V)

24

Vin (min) (V)

5

Vout (max) (V)

5.5

Vout (min) (V)

4.5

Control mode

D-CAP

Features

Enable, Light-load efficiency, Power good, Synchronous rectification

Duty cycle (max) (%)

100

Iq (typ) (A)

0.0008

Number of phases

1

Operating temperature range (°C)

-40 to 85

Package

WQFN (RUK)-20-9 mm² 3 x 3

Features

  • Input Voltage Range: 5 V to 24 V
  • Output Voltages: 5 V and 3.3 V (Adjustable Range ±10%)
  • Built-in, 100-mA, 5-V and 3.3-V LDOs
  • Clock Output for Charge-Pump
  • ±1% Reference Accuracy
  • Adaptive On-Time D-CAP Mode Control Architecture with 300-kHz and 355-kHz Frequency Setting
  • Auto-skip Light Load Operation (TPS51275, and TPS51275C)
  • OOA Light Load Operation (TPS51275B)
  • Internal 0.8-ms Voltage Servo Soft-Start
  • Low-Side RDS(on) Current Sensing Scheme
  • Built-In Output Discharge Function
  • Separate Enable Input for Switchers
  • Dedicated OC Setting Terminals
  • Power Good Indicator
  • OVP, UVP and OCP Protection
  • Non-Latch UVLO and OTP Protection
  • 20-Pin, 3 mm x 3 mm, QFN (RUK)
  • Input Voltage Range: 5 V to 24 V
  • Output Voltages: 5 V and 3.3 V (Adjustable Range ±10%)
  • Built-in, 100-mA, 5-V and 3.3-V LDOs
  • Clock Output for Charge-Pump
  • ±1% Reference Accuracy
  • Adaptive On-Time D-CAP Mode Control Architecture with 300-kHz and 355-kHz Frequency Setting
  • Auto-skip Light Load Operation (TPS51275, and TPS51275C)
  • OOA Light Load Operation (TPS51275B)
  • Internal 0.8-ms Voltage Servo Soft-Start
  • Low-Side RDS(on) Current Sensing Scheme
  • Built-In Output Discharge Function
  • Separate Enable Input for Switchers
  • Dedicated OC Setting Terminals
  • Power Good Indicator
  • OVP, UVP and OCP Protection
  • Non-Latch UVLO and OTP Protection
  • 20-Pin, 3 mm x 3 mm, QFN (RUK)

Description

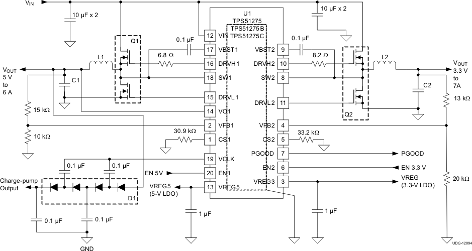
The TPS51275, TPS51275B and TPS51275C are cost-effective, dual-synchronous buck controllers targeted for notebook system-power supply solutions. It provides 5-V and 3.3-V LDOs and requires few external components. The 260-kHz VCLK output can be used to drive an external charge pump, generating gate drive voltage for the load switches without reducing the main converter efficiency. The TPS51275, TPS51275B and TPS51275C supports high efficiency, fast transient response and provides a combined power-good signal. Adaptive on-time, D-CAP™ control provides convenient and efficient operation. The device operates with supply input voltage ranging from 5 V to 24 V and supports output voltages of 5.0 V and 3.3 V. The TPS51275, TPS51275B and TPS51275C are available in a 20-pin, 3 mm x 3 mm, QFN package and is specified from –40°C to 85°C.

The TPS51275, TPS51275B and TPS51275C are cost-effective, dual-synchronous buck controllers targeted for notebook system-power supply solutions. It provides 5-V and 3.3-V LDOs and requires few external components. The 260-kHz VCLK output can be used to drive an external charge pump, generating gate drive voltage for the load switches without reducing the main converter efficiency. The TPS51275, TPS51275B and TPS51275C supports high efficiency, fast transient response and provides a combined power-good signal. Adaptive on-time, D-CAP™ control provides convenient and efficient operation. The device operates with supply input voltage ranging from 5 V to 24 V and supports output voltages of 5.0 V and 3.3 V. The TPS51275, TPS51275B and TPS51275C are available in a 20-pin, 3 mm x 3 mm, QFN package and is specified from –40°C to 85°C.

Subscribe to Welllinkchips !
Your Name
* Email
Submit a request