0
LV14240
  • LV14240
  • LV14240
  • LV14240

LV14240

ACTIVE

40-V, 2-A SIMPLE SWITCHER®, 2.2-MHz step-down converter

Texas Instruments LV14240 Product Info

1 April 2026 0

Parameters

Rating

Catalog

Topology

Buck

Iout (max) (A)

2

Vin (max) (V)

40

Vin (min) (V)

4

Vout (max) (V)

32

Vout (min) (V)

0.8

Features

Enable, Frequency synchronization, Light Load Efficiency, Over Current Protection, Pre-Bias Start-Up, Soft Start Adjustable, Tracking, UVLO adjustable

Control mode

current mode

Operating temperature range (°C)

-40 to 125

Iq (typ) (A)

0.0003

Duty cycle (max) (%)

97

Package

HSOIC (DDA)-8-29.4 mm² 4.9 x 6

Features

  • New product available:
  • For faster time to market:
  • 4V to 40V input range
  • 2A continuous output current
  • 100mΩ high-side MOSFET
  • 100ns minimum on time
  • Current mode control
  • Adjustable switching frequency from 200kHz to 2MHz
  • Frequency synchronization to external clock
  • Internal compensation for ease of use
  • High duty cycle operation supported
  • Precision enable input
  • 1µA shutdown current
  • External soft start
  • Thermal, overvoltage, and short protection
  • 8-pin SOIC with PowerPAD™ package
  • New product available:
  • For faster time to market:
  • 4V to 40V input range
  • 2A continuous output current
  • 100mΩ high-side MOSFET
  • 100ns minimum on time
  • Current mode control
  • Adjustable switching frequency from 200kHz to 2MHz
  • Frequency synchronization to external clock
  • Internal compensation for ease of use
  • High duty cycle operation supported
  • Precision enable input
  • 1µA shutdown current
  • External soft start
  • Thermal, overvoltage, and short protection
  • 8-pin SOIC with PowerPAD™ package

Description

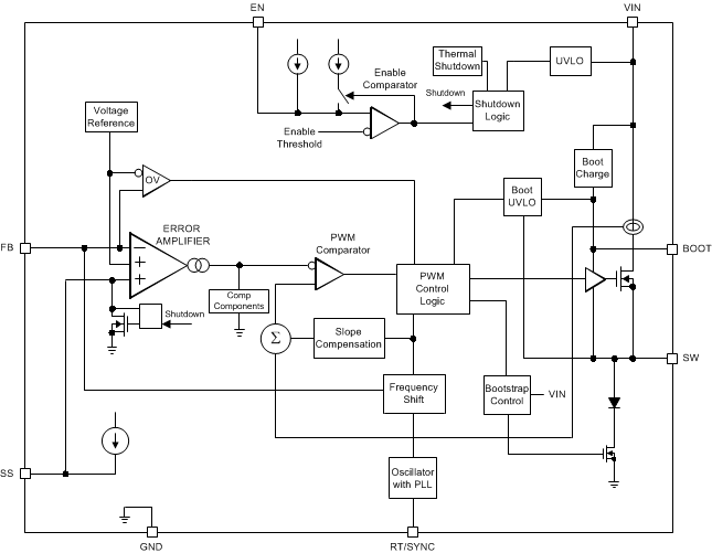
The LV14240 is a 40V, 2A step-down regulator with an integrated high-side MOSFET. With a wide input range from 4V to 40V, the device is designed for various applications from industrial to automotive for power conditioning from unregulated sources. A wide adjustable switching frequency range allows either efficiency or external component size to be optimized. Internal loop compensation means that the user is free from the tedious task of loop compensation design. This feature also minimizes the external components of the device. A precision enable input allows simplification of regulator control and system power sequencing. The device also has built-in protection features such as cycle-by-cycle current limit, thermal sensing, and shutdown due to excessive power dissipation and output overvoltage protection.

space

The LV14240 is a 40V, 2A step-down regulator with an integrated high-side MOSFET. With a wide input range from 4V to 40V, the device is designed for various applications from industrial to automotive for power conditioning from unregulated sources. A wide adjustable switching frequency range allows either efficiency or external component size to be optimized. Internal loop compensation means that the user is free from the tedious task of loop compensation design. This feature also minimizes the external components of the device. A precision enable input allows simplification of regulator control and system power sequencing. The device also has built-in protection features such as cycle-by-cycle current limit, thermal sensing, and shutdown due to excessive power dissipation and output overvoltage protection.

space

Subscribe to Welllinkchips !
Your Name
* Email
Submit a request