0
LP8864-Q1
  • LP8864-Q1
  • LP8864-Q1
  • LP8864-Q1
  • LP8864-Q1
  • LP8864-Q1

LP8864-Q1

ACTIVE

Automotive display LED-backlight driver with four 200-mA channels

Texas Instruments LP8864-Q1 Product Info

1 April 2026 0

Parameters

Number of channels

4

Topology

Boost with Current Sink, SEPIC Controller

Rating

Automotive

Operating temperature range (°C)

-40 to 125

Vin (min) (V)

3

Vin (max) (V)

48

Vout (min) (V)

0

Vout (max) (V)

48

Iout (max) (A)

0.8

Iq (typ) (mA)

20

Switching frequency (max) (kHz)

2200

Features

Adjustable Switch Frequency, Boost Sync, Current Derating, Enable/Shutdown, Fault Detection, Fault Diagnostic, Global dimming, Hybrid Dimming/Phase Shift, I2C control, LED Open Detection, LED Short to Ground Detection, LED Shorted Detection, Load Disconnect During Shutdown, Power-Line FET, Soft Start, Spread Spectrum, Synchronization Pin, Thermal shutdown

Package

HTSSOP (DCP)-38-62.08 mm² 9.7 x 6.4

Features

  • AEC-Q100 qualified for automotive applications:
    • Device temperature grade 1: –40°C to +125°C, TA
    • Device HBM ESD classification level 2
    • Device CDM ESD classification level C4B
  • Input voltage operating range 3V to 48V
  • Four high-precision current sinks
    • Up to 200mA DC current for each current sink
    • Current matching 1% (typical)
    • Dimming ratio 32 000:1 using 152Hz LED output PWM frequency
    • Up to 16-bit LED dimming resolution with I2C, or PWM input
    • 8 Configurable LED strings configuration
  • Auto-phase shift PWM dimming
  • 12-bit analog dimming
  • Up to 48V VOUT boost or SEPIC DC/DC controller
    • Switching frequency 100kHz to 2.2MHz
    • Boost spread spectrum for reduced EMI
    • Boost sync input to set boost switching frequency from an external clock
    • Output voltage automatically discharged when boost is disabled
  • Extensive fault diagnostics
  • AEC-Q100 qualified for automotive applications:
    • Device temperature grade 1: –40°C to +125°C, TA
    • Device HBM ESD classification level 2
    • Device CDM ESD classification level C4B
  • Input voltage operating range 3V to 48V
  • Four high-precision current sinks
    • Up to 200mA DC current for each current sink
    • Current matching 1% (typical)
    • Dimming ratio 32 000:1 using 152Hz LED output PWM frequency
    • Up to 16-bit LED dimming resolution with I2C, or PWM input
    • 8 Configurable LED strings configuration
  • Auto-phase shift PWM dimming
  • 12-bit analog dimming
  • Up to 48V VOUT boost or SEPIC DC/DC controller
    • Switching frequency 100kHz to 2.2MHz
    • Boost spread spectrum for reduced EMI
    • Boost sync input to set boost switching frequency from an external clock
    • Output voltage automatically discharged when boost is disabled
  • Extensive fault diagnostics

Description

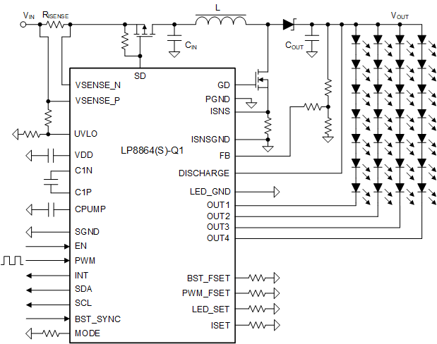
The LP8864-Q1 is an automotive high-efficiency LED driver with boost controller. The Four high-precision current sinks support phase shifting that is automatically adjusted based on the number of channels in use. LED brightness can be controlled globally through the I²C interface or PWM input.

The boost controller has adaptive output voltage control based on the headroom voltages of the LED current sinks. This feature minimizes the power consumption by adjusting the boost voltage to the lowest sufficient level in all conditions. A wide-range adjustable frequency allows the LP8864-Q1 to avoid disturbance for AM radio band.

The LP8864-Q1 supports built-in hybrid PWM dimming and analog current dimming, which reduces EMI, extends the LED lifetime, and increases the total optical efficiency.

The LP8864-Q1 is an automotive high-efficiency LED driver with boost controller. The Four high-precision current sinks support phase shifting that is automatically adjusted based on the number of channels in use. LED brightness can be controlled globally through the I²C interface or PWM input.

The boost controller has adaptive output voltage control based on the headroom voltages of the LED current sinks. This feature minimizes the power consumption by adjusting the boost voltage to the lowest sufficient level in all conditions. A wide-range adjustable frequency allows the LP8864-Q1 to avoid disturbance for AM radio band.

The LP8864-Q1 supports built-in hybrid PWM dimming and analog current dimming, which reduces EMI, extends the LED lifetime, and increases the total optical efficiency.

Subscribe to Welllinkchips !
Your Name
* Email
Submit a request