0
TLC2272A
  • TLC2272A
  • TLC2272A
  • TLC2272A
  • TLC2272A

TLC2272A

ACTIVE

Dual, low-noise, 2.18-MHz rail-to-rail operational amplifier

Texas Instruments TLC2272A Product Info

1 April 2026 1

Parameters

Number of channels

2

Total supply voltage (+5 V = 5, ±5 V = 10) (max) (V)

16

Total supply voltage (+5 V = 5, ±5 V = 10) (min) (V)

4.4

Vos (offset voltage at 25°C) (max) (mV)

0.95

Offset drift (typ) (µV/°C)

2

Input bias current (max) (pA)

60

GBW (typ) (MHz)

2.18

Features

High Cload Drive

Slew rate (typ) (V/µs)

3.6

Rail-to-rail

In to V-, Out

Iq per channel (typ) (mA)

1.1

Vn at 1 kHz (typ) (nV√Hz)

9

CMRR (typ) (dB)

75

Rating

Automotive, Catalog

Operating temperature range (°C)

-40 to 125

Iout (typ) (A)

0.0022

Architecture

CMOS

Input common mode headroom (to negative supply) (typ) (V)

-0.3

Input common mode headroom (to positive supply) (typ) (V)

-0.8

Output swing headroom (to negative supply) (typ) (V)

0.01

Output swing headroom (to positive supply) (typ) (V)

-0.01

THD + N at 1 kHz (typ) (%)

0.0008

Package

PDIP (P)-8-92.5083 mm² 9.81 x 9.43

Features

  • Output Swing Includes Both Supply Rails
  • Low Noise: 9 nV/√Hz Typical at f = 1 kHz
  • Low-Input Bias Current: 1-pA Typical
  • Fully-Specified for Both Single-Supply and Split-
    Supply Operation
  • Common-Mode Input Voltage Range Includes
    Negative Rail
  • High-Gain Bandwidth: 2.2-MHz Typical
  • High Slew Rate: 3.6-V/µs Typical
  • Low Input Offset Voltage: 950 µV Maximum at
    TA = 25°C
  • Macromodel Included
  • Performance Upgrades for the TLC272 and
    TLC274
  • Available in Q-Temp Automotive
  • Output Swing Includes Both Supply Rails
  • Low Noise: 9 nV/√Hz Typical at f = 1 kHz
  • Low-Input Bias Current: 1-pA Typical
  • Fully-Specified for Both Single-Supply and Split-
    Supply Operation
  • Common-Mode Input Voltage Range Includes
    Negative Rail
  • High-Gain Bandwidth: 2.2-MHz Typical
  • High Slew Rate: 3.6-V/µs Typical
  • Low Input Offset Voltage: 950 µV Maximum at
    TA = 25°C
  • Macromodel Included
  • Performance Upgrades for the TLC272 and
    TLC274
  • Available in Q-Temp Automotive

Description

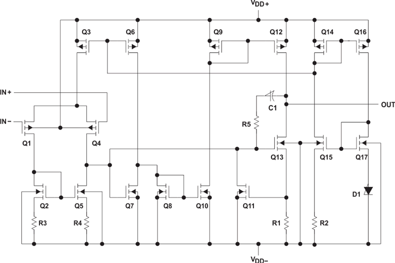
The TLC2272 and TLC2274 are dual and quadruple operational amplifiers from Texas Instruments. Both devices exhibit rail-to-rail output performance for increased dynamic range in single- or split-supply applications. The TLC227x family offers 2 MHz of bandwidth and 3 V/µs of slew rate for higher-speed applications. These devices offer comparable AC performance while having better noise, input offset voltage, and power dissipation than existing CMOS operational amplifiers. The TLC227x has a noise voltage of 9 nV/√Hz, two times lower than competitive solutions.

The TLC227x family of devices, exhibiting high input impedance and low noise, is excellent for small-signal conditioning for high-impedance sources such as piezoelectric transducers. Because of the micropower dissipation levels, these devices work well in hand-held monitoring and remote-sensing applications. In addition, the rail-to-rail output feature, with single- or split-supplies, makes this family a great choice when interfacing with analog-to-digital converters (ADCs). For precision applications, the TLC227xA family is available with a maximum input offset voltage of 950 µV. This family is fully characterized at 5 V and ±5 V.

The TLC227x also make great upgrades to the TLC27x in standard designs. They offer increased output dynamic range, lower noise voltage, and lower input offset voltage. This enhanced feature set allows them to be used in a wider range of applications. For applications that require higher output drive and wider input voltage range, see the TLV2432 and TLV2442 devices.

If the design requires single amplifiers, see the TLV2211, TLV2221 and TLV2231 family. These devices are single rail-to-rail operational amplifiers in the SOT-23 package. Their small size and low power consumption make them ideal for high density, battery-powered equipment.

The TLC2272 and TLC2274 are dual and quadruple operational amplifiers from Texas Instruments. Both devices exhibit rail-to-rail output performance for increased dynamic range in single- or split-supply applications. The TLC227x family offers 2 MHz of bandwidth and 3 V/µs of slew rate for higher-speed applications. These devices offer comparable AC performance while having better noise, input offset voltage, and power dissipation than existing CMOS operational amplifiers. The TLC227x has a noise voltage of 9 nV/√Hz, two times lower than competitive solutions.

The TLC227x family of devices, exhibiting high input impedance and low noise, is excellent for small-signal conditioning for high-impedance sources such as piezoelectric transducers. Because of the micropower dissipation levels, these devices work well in hand-held monitoring and remote-sensing applications. In addition, the rail-to-rail output feature, with single- or split-supplies, makes this family a great choice when interfacing with analog-to-digital converters (ADCs). For precision applications, the TLC227xA family is available with a maximum input offset voltage of 950 µV. This family is fully characterized at 5 V and ±5 V.

The TLC227x also make great upgrades to the TLC27x in standard designs. They offer increased output dynamic range, lower noise voltage, and lower input offset voltage. This enhanced feature set allows them to be used in a wider range of applications. For applications that require higher output drive and wider input voltage range, see the TLV2432 and TLV2442 devices.

If the design requires single amplifiers, see the TLV2211, TLV2221 and TLV2231 family. These devices are single rail-to-rail operational amplifiers in the SOT-23 package. Their small size and low power consumption make them ideal for high density, battery-powered equipment.

Subscribe to Welllinkchips !
Your Name
* Email
Submit a request