0
ADS1299-4
  • ADS1299-4
  • ADS1299-4

ADS1299-4

ACTIVE

Low-Noise, 4-Channel, 24-Bit Analog-to-Digital Converter for Biopotential Measurements

Texas Instruments ADS1299-4 Product Info

1 April 2026 1

Parameters

Applications

BIS, EAP, Fetal ECG, Sleep study monitor

Number of input channels

4

Resolution (Bits)

24

Interface type

SPI

Operating temperature range (°C)

-40 to 85

Rating

Catalog

Package

TQFP (PAG)-64-144 mm² 12 x 12

Features

  • Up to Eight Low-Noise PGAs and Eight High-Resolution Simultaneous-Sampling ADCs
  • Input-Referred Noise: 1 µVPP (70-Hz BW)
  • Input Bias Current: 300 pA
  • Data Rate: 250 SPS to 16 kSPS
  • CMRR: –110 dB
  • Programmable Gain: 1, 2, 4, 6, 8, 12, or 24
  • Unipolar or Bipolar Supplies:
    • Analog: 4.75 V to 5.25 V
    • Digital: 1.8 V to 3.6 V
  • Built-In Bias Drive Amplifier,
    Lead-Off Detection, Test Signals
  • Built-In Oscillator
  • Internal or External Reference
  • Flexible Power-Down, Standby Mode
  • Pin-Compatible with the ADS129x
  • SPI-Compatible Serial Interface
  • Operating Temperature Range: –40°C to +85°C
  • Up to Eight Low-Noise PGAs and Eight High-Resolution Simultaneous-Sampling ADCs
  • Input-Referred Noise: 1 µVPP (70-Hz BW)
  • Input Bias Current: 300 pA
  • Data Rate: 250 SPS to 16 kSPS
  • CMRR: –110 dB
  • Programmable Gain: 1, 2, 4, 6, 8, 12, or 24
  • Unipolar or Bipolar Supplies:
    • Analog: 4.75 V to 5.25 V
    • Digital: 1.8 V to 3.6 V
  • Built-In Bias Drive Amplifier,
    Lead-Off Detection, Test Signals
  • Built-In Oscillator
  • Internal or External Reference
  • Flexible Power-Down, Standby Mode
  • Pin-Compatible with the ADS129x
  • SPI-Compatible Serial Interface
  • Operating Temperature Range: –40°C to +85°C

Description

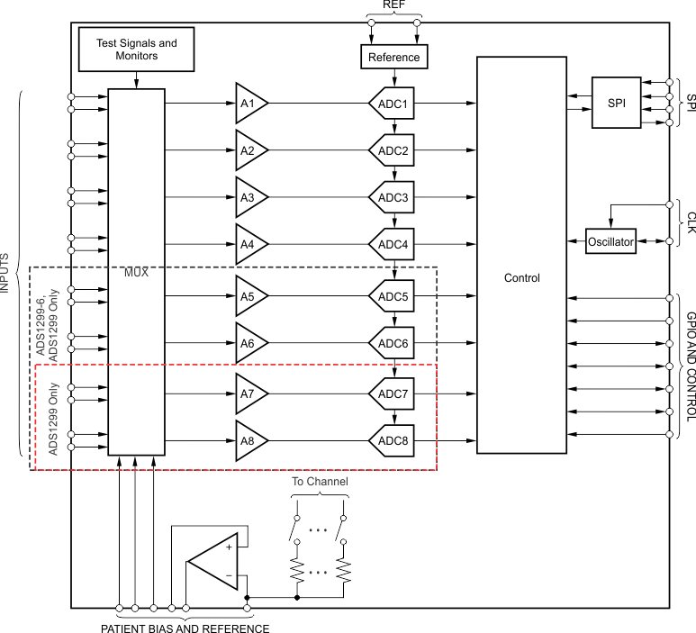
The ADS1299-4, ADS1299-6, and ADS1299 devices are a family of four-, six-, and eight-channel, low-noise, 24-bit, simultaneous-sampling delta-sigma (ΔΣ) analog-to-digital converters (ADCs) with a built-in programmable gain amplifier (PGA), internal reference, and an onboard oscillator. The ADS1299-x incorporates all commonly-required features for extracranial electroencephalogram (EEG) and electrocardiography (ECG) applications. With its high levels of integration and exceptional performance, the ADS1299-x enables the creation of scalable medical instrumentation systems at significantly reduced size, power, and overall cost.

The ADS1299-x has a flexible input multiplexer per channel that can be independently connected to the internally-generated signals for test, temperature, and lead-off detection. Additionally, any configuration of input channels can be selected for derivation of the patient bias output signal. Optional SRB pins are available to route a common signal to multiple inputs for a referential montage configuration. The ADS1299-x operates at data rates from 250 SPS to 16 kSPS. Lead-off detection can be implemented internal to the device using an excitation current sink or source.

Multiple ADS1299-4, ADS1299-6, or ADS1299 devices can be cascaded in high channel count systems in a daisy-chain configuration. The ADS1299-x is offered in a TQFP-64 package specified from –40°C to +85°C.

The ADS1299-4, ADS1299-6, and ADS1299 devices are a family of four-, six-, and eight-channel, low-noise, 24-bit, simultaneous-sampling delta-sigma (ΔΣ) analog-to-digital converters (ADCs) with a built-in programmable gain amplifier (PGA), internal reference, and an onboard oscillator. The ADS1299-x incorporates all commonly-required features for extracranial electroencephalogram (EEG) and electrocardiography (ECG) applications. With its high levels of integration and exceptional performance, the ADS1299-x enables the creation of scalable medical instrumentation systems at significantly reduced size, power, and overall cost.

The ADS1299-x has a flexible input multiplexer per channel that can be independently connected to the internally-generated signals for test, temperature, and lead-off detection. Additionally, any configuration of input channels can be selected for derivation of the patient bias output signal. Optional SRB pins are available to route a common signal to multiple inputs for a referential montage configuration. The ADS1299-x operates at data rates from 250 SPS to 16 kSPS. Lead-off detection can be implemented internal to the device using an excitation current sink or source.

Multiple ADS1299-4, ADS1299-6, or ADS1299 devices can be cascaded in high channel count systems in a daisy-chain configuration. The ADS1299-x is offered in a TQFP-64 package specified from –40°C to +85°C.

Subscribe to Welllinkchips !
Your Name
* Email
Submit a request