0
LP8340
  • LP8340
  • LP8340
  • LP8340
  • LP8340

LP8340

ACTIVE

1-A, 10-V, low-IQ, low-dropout voltage regulator

Texas Instruments LP8340 Product Info

1 April 2026 0

Parameters

Rating

Catalog

Vin (max) (V)

10

Vin (min) (V)

2.7

Iout (max) (A)

1

Output options

Adjustable Output

Vout (max) (V)

9.3

Vout (min) (V)

1.25

Noise (µVrms)

250

PSRR at 100 KHz (dB)

10

Iq (typ) (mA)

0.019

Features

Foldback Overcurrent protection

Thermal resistance θJA (°C/W)

70

Load capacitance (min) (µF)

1

Regulated outputs (#)

1

Accuracy (%)

2

Dropout voltage (Vdo) (typ) (mV)

540

Operating temperature range (°C)

0 to 125

Package

WSON (NGD)-6-9.6068 mm² 2.92 x 3.29

Features

  • ±1.5% Typical VOUT Tolerance
  • 420mV Typical Dropout @ 1.0A (VO = 5V)
  • Wide Operating Range 2.7V to 10V
  • Internal 1.0A PMOS Output Transistor
  • 19µA Typical Quiescent Current
  • Thermal Overload Limiting
  • Foldback Current Limiting
  • Zener Trimmed Bandgap Reference
  • Space Saving WSON package
  • Temperature Range
    • LP8340C 0°C to 125°C
    • LP8340I −40°C to 125°C

All trademarks are the property of their respective owners.

  • ±1.5% Typical VOUT Tolerance
  • 420mV Typical Dropout @ 1.0A (VO = 5V)
  • Wide Operating Range 2.7V to 10V
  • Internal 1.0A PMOS Output Transistor
  • 19µA Typical Quiescent Current
  • Thermal Overload Limiting
  • Foldback Current Limiting
  • Zener Trimmed Bandgap Reference
  • Space Saving WSON package
  • Temperature Range
    • LP8340C 0°C to 125°C
    • LP8340I −40°C to 125°C

All trademarks are the property of their respective owners.

Description

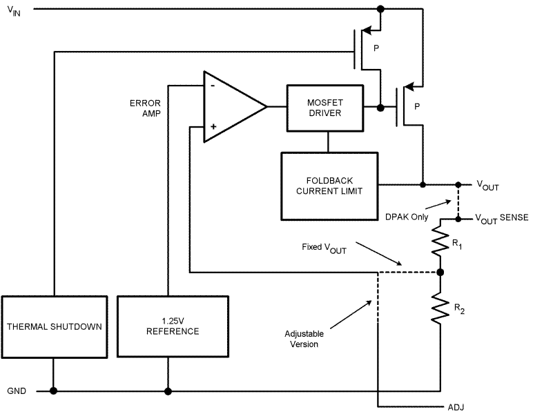
The LP8340 low-dropout CMOS linear regulator is available in 5V, 3.3V, 2.5V, 1.8V and adjustable output versions. Packaged in the 6ld WSON package and 3ld PFM. The LP8340 can deliver up to 1.0A output current.

Typical dropout voltage is 420mV at 1.0A for the 5.0V version, 540mV at 1.0A for the 3.3V version, 670mV at 1.0A for the 2.5V version and 680mV at 800mA for the 1.8V version.

The LP8340 includes a zener trimmed bandgap voltage reference, foldback current limiting and thermal overload limiting.

The LP8340 features a PMOS output transistor which unlike PNP type low dropout regulators requires no base drive current. This allows the device ground current to remain less than 50µA over operating temperature, supply voltage and irrespective of the load current.

The LP8340 low-dropout CMOS linear regulator is available in 5V, 3.3V, 2.5V, 1.8V and adjustable output versions. Packaged in the 6ld WSON package and 3ld PFM. The LP8340 can deliver up to 1.0A output current.

Typical dropout voltage is 420mV at 1.0A for the 5.0V version, 540mV at 1.0A for the 3.3V version, 670mV at 1.0A for the 2.5V version and 680mV at 800mA for the 1.8V version.

The LP8340 includes a zener trimmed bandgap voltage reference, foldback current limiting and thermal overload limiting.

The LP8340 features a PMOS output transistor which unlike PNP type low dropout regulators requires no base drive current. This allows the device ground current to remain less than 50µA over operating temperature, supply voltage and irrespective of the load current.

Subscribe to Welllinkchips !
Your Name
* Email
Submit a request