0
TPS62065-Q1
  • TPS62065-Q1
  • TPS62065-Q1

TPS62065-Q1

ACTIVE

3MHz, 2A Automotive Step-Down Converter in 2x2 SON Package

Texas Instruments TPS62065-Q1 Product Info

1 April 2026 0

Parameters

Rating

Automotive

Topology

Buck

Iout (max) (A)

2

Vin (max) (V)

6

Vin (min) (V)

2.9

Vout (max) (V)

6

Vout (min) (V)

0.8

Features

Enable, Light load efficiency, Output discharge, Spread Spectrum, Synchronous Rectification

EMI features

Spread Spectrum

Control mode

Voltage mode

Operating temperature range (°C)

-40 to 125

Iq (typ) (A)

0.000018

Duty cycle (max) (%)

100

TI functional safety category

Functional Safety-Capable

Package

WSON (DSG)-8-4 mm² 2 x 2

Features

  • New product available: TPS628502-Q1, 6-V Step-Down Converter in SOT583 Package
  • AEC-Q100 qualified with the following results:
    • Device temperature grade 1: –40°C to 125°C operating junction temperature range
    • Device HBM ESD classification level 2
    • Device CDM ESD classification level C4B
  • Functional Safety-Capable
  • 3-MHz switching frequency
  • V IN range from 2.9 V to 6 V
  • Up to 97% efficiency
  • Power save mode and 3-MHz fixed PWM mode
  • Power-good output
  • Output voltage accuracy in PWM mode ±1.5%
  • Output capacitor discharge function
  • Typical 18-µA quiescent current
  • 100% duty cycle for lowest dropout
  • Voltage Positioning
  • Clock dithering
  • Available in a 2 × 2 × 0.75-mm WSON
  • New product available: TPS628502-Q1, 6-V Step-Down Converter in SOT583 Package
  • AEC-Q100 qualified with the following results:
    • Device temperature grade 1: –40°C to 125°C operating junction temperature range
    • Device HBM ESD classification level 2
    • Device CDM ESD classification level C4B
  • Functional Safety-Capable
  • 3-MHz switching frequency
  • V IN range from 2.9 V to 6 V
  • Up to 97% efficiency
  • Power save mode and 3-MHz fixed PWM mode
  • Power-good output
  • Output voltage accuracy in PWM mode ±1.5%
  • Output capacitor discharge function
  • Typical 18-µA quiescent current
  • 100% duty cycle for lowest dropout
  • Voltage Positioning
  • Clock dithering
  • Available in a 2 × 2 × 0.75-mm WSON

Description

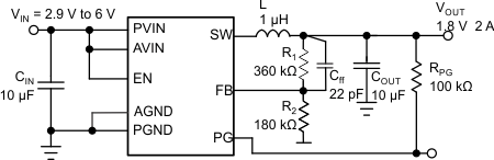
The TPS62065-Q1, TPS62067-Q1, and TPS62067A-Q1 devices are highly-efficient, synchronous, step-down DC/DC converters. The device provides up to 2-A output current.

With an input voltage range of 2.9 V to 6 V the device is an excellent fit for power conversion from a 5-V or 3.3-V system supply rail. The TPS62065-Q1 and TPS62067-Q1 device operates at 3-MHz fixed frequency and enters power-save mode operation at light load currents to maintain high efficiency over the entire load current range. The power save mode is optimized for low output-voltage ripple. For low noise applications, the TPS62065-Q1 device can be forced into fixed frequency PWM mode by pulling the MODE pin high. The TPS62067-Q1 provides an open drain power good output and has a power save mode, while the TPS62067A-Q1 operates in fixed frequency PWM mode. In the shutdown mode, the current consumption is reduced to 5 µA and an internal circuit discharges the output capacitor. The TPS62065-Q1, TPS62067-Q1, and TPS62067A-Q1 devices are optimized for operation with a tiny 1-µH inductor and a small 10-µF output capacitor to achieve smallest design size and high regulation performance.

The new product, TPS628502-Q1, offers reduced BOM cost and size, higher efficiency and other features.

The TPS62065-Q1, TPS62067-Q1, and TPS62067A-Q1 devices are highly-efficient, synchronous, step-down DC/DC converters. The device provides up to 2-A output current.

With an input voltage range of 2.9 V to 6 V the device is an excellent fit for power conversion from a 5-V or 3.3-V system supply rail. The TPS62065-Q1 and TPS62067-Q1 device operates at 3-MHz fixed frequency and enters power-save mode operation at light load currents to maintain high efficiency over the entire load current range. The power save mode is optimized for low output-voltage ripple. For low noise applications, the TPS62065-Q1 device can be forced into fixed frequency PWM mode by pulling the MODE pin high. The TPS62067-Q1 provides an open drain power good output and has a power save mode, while the TPS62067A-Q1 operates in fixed frequency PWM mode. In the shutdown mode, the current consumption is reduced to 5 µA and an internal circuit discharges the output capacitor. The TPS62065-Q1, TPS62067-Q1, and TPS62067A-Q1 devices are optimized for operation with a tiny 1-µH inductor and a small 10-µF output capacitor to achieve smallest design size and high regulation performance.

The new product, TPS628502-Q1, offers reduced BOM cost and size, higher efficiency and other features.

Subscribe to Welllinkchips !
Your Name
* Email
Submit a request